Запчасти Doosan Daewoo MAIN PIPING(1) BODY PARTS

63
1
64
13
60
65
4
61
12
62
3
61
60
12
2
63
13
65
38
55
64
62
38
62
61
59
60
5
64
65
27
21
63
21
19
12
18
19
17
12
24
28
10
24
23
23
24
18
47
58
24
11
18
26
24
18
47
58
26
23
FIT
1:1
100%

Артикул

Название

Примечание

Количество

-

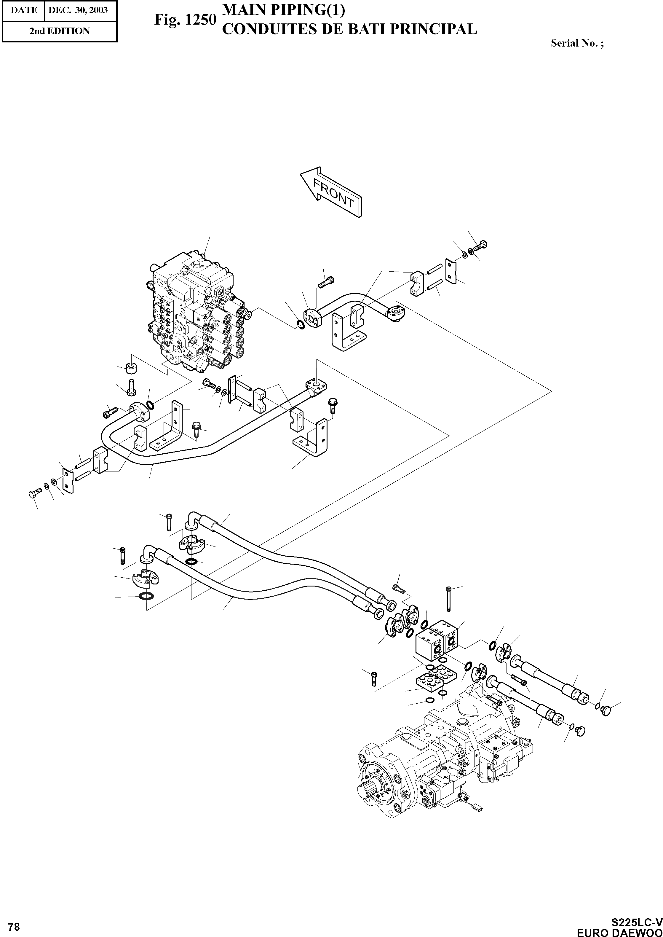
400-00854A

MAIN PIPING

SC: D

-2шт.

1

420-00295

VALVE;CONTROL

desc: VANNE

1шт.

2

S0565466

BOLT M16X2.0X60

desc: BOULON A 6PANS

4шт.

3

114-00425

SPACER;HARDEN

desc: ENTRETOISE

4шт.

4

140-01301

PIPE

desc: TUYAU

1шт.

5

140-01305

PIPE

desc: TUYAU

1шт.

10

2423-1556

BLOCK

desc: BLOC

2шт.

11

2423-1554A

BLOCK

desc: BLOC

2шт.

12

2180-1026D19

O-RING

desc: JONT TORIQUE

4шт.

13

S2215466

BOLT;SOCKET M12X1.75X40

desc: BOULON DE PLOT

8шт.

17

S2213466

BOLT;SOCKET M10X1.5X90

desc: BOULON DE PLOT

8шт.

18

S2212066

BOLT;SOCKET M10X1.5X25

desc: BOULON DE PLOT

24шт.

19

2181-9078

FLANGE;SPLIT

desc: BRIDE

4шт.

21

S2212266

BOLT;SOCKET M10X1.5X30

desc: BOULON DE PLOT

8шт.

23

2181-9079

FLANGE;SPLIT

desc: FLASQUE EN DEUX PARTIES

8шт.

24

2180-1026D2

O-RING

desc: JONT TORIQUE

8шт.

26

2181-2218D5

PLUG

desc: BOUCHON

2шт.

27

DS2040350

HOSE PF3/4-875L

desc: TUYAU FLEXIBLE

1шт.

28

DS2040343

HOSE PF3/4-610L

desc: TUYAU FLEXIBLE

1шт.

38

2120-2196D11

BOLT;SET M12X1.75X35

desc: BOULON

6шт.

47

DS2016023

HOSE PF3/4-330L

desc: TUYAU FLEXIBLE

2шт.

55

195-02438

PLATE

desc: PLAQUE

2шт.

58

S8030121

O-RING

desc: JONT TORIQUE

2шт.

59

195-02439

PLATE

desc: PLAQUE

1шт.

60

124-00285

CLAMP;PIPE

desc: ATTACHE DE TUBE

6шт.

61

621-02548

PLATE

desc: PLAQUE

3шт.

62

114-00553

SPACER

desc: ENTRETOISE

6шт.

63

S0559353

BOLT

desc: BOULON A 6PANS

6шт.

64

S5010613

WASHER;PLAIN

desc: RONDELLE

6шт.

65

S5102603

WASHER;SPRING

desc: RONDELLE ELASTIQUE

6шт.

Выбрано товаров: 30