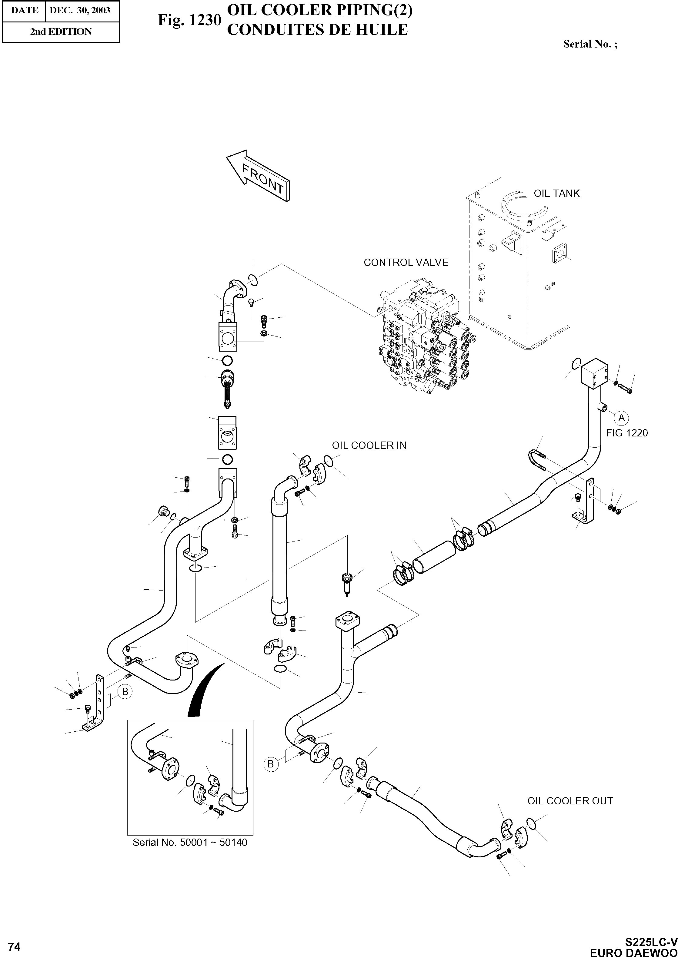
Запчасти Doosan Daewoo OIL COOLER PIPING(2) BODY PARTS

18
16
17
19
20
23
20
8
22
28
21
39
56
26
19
28
40
37
41
20
42
20
43
36
19
25
30
35
24
47
29
32
36
28
27
31
19
20
17
39
56
40
41
28
42
34
43
39
44
32
31
56
56
33
28
56
28
20
20
19
19
28
20
19
FIT
1:1
100%

Артикул

Название

Примечание

Количество

-

400-00855A

OIL COOLER PIPING

SC: D

-2шт.

8

S0561753

BOLT M12X1.75X100

desc: BOULON A 6PANS

4шт.

16

140-01018A

PIPE

desc: TUYAU

1шт.

17

2181-2047A

PLUG M10X1.0

desc: BOUCHON

2шт.

18

2180-1026D24

O-RING

desc: JONT TORIQUE

1шт.

19

S2215466

BOLT;SET M12X1.75X40

desc: BOULON A 6 PANS

28шт.

20

S5110703

WASHER;SPRING M12

desc: RONDELLE ELASTIQUE

32шт.

21

423-00114A

BLOCK

desc: BLOQUE

1шт.

22

422-00041

VALVE;BY-PASS

desc: VANNE; DECHARGE

1шт.

23

2180-1026D31

O-RING

desc: JONT TORIQUE

1шт.

24

S2221566

BOLT;SET M16X2.0X45

desc: BOULON A 6 PANS

4шт.

25

S5110903

WASHER;SPRING M16

desc: RONDELLE ELASTIQUE

4шт.

26

2180-1026D32

O-RING

desc: JONT TORIQUE

1шт.

27

420-00304

VALVE;BY-PASS

desc: VANNE; DECHARGE

1шт.

28

2180-1026D27

O-RING

desc: JONT TORIQUE

6шт.

29

S8000291

O-RING

desc: JONT TORIQUE

2шт.

30

2181-1950D9

PLUG

desc: BOUCHON

1шт.

31

140-01019B

PIPE

SERIAL: 50001-50140

1шт.

31

140-01505

PIPE

SERIAL: 50141

1шт.

32

DS2045314

HOSE PF2-720L

SERIAL: 50001-50060

1шт.

32

DS2045321

HOSE PF2-720L

SERIAL: 50061-50140

1шт.

32

DS2040372

HOSE PF2-615L

SERIAL: 50141

1шт.

33

DS2040346

HOSE PF2-760L

desc: TUYAU FLEXIBLE

1шт.

34

140-01020B

PIPE

desc: TUYAU

1шт.

35

2185-1776D1

HOSE

desc: TUYAU FLEXIBLE

1шт.

36

S8470085

CLAMP

desc: CLAME

4шт.

37

140-01021A

PIPE

desc: TUYAU

1шт.

39

120-00258A

BOLT;U M12X1.75

desc: BOULON U

3шт.

40

2114-1058D30

WASHER

desc: RONDELLE

6шт.

41

S5102703

WASHER;SPRING M12

desc: RONDELLE ELASTIQUE

6шт.

42

S4012733

NUT M12X1.75

desc: ECROU

6шт.

43

2120-2196D8

BOLT;SET M12X1.75X30

desc: BOULON A 6 PANS

4шт.

44

195-01990

PLATE

desc: PLAQUE

1шт.

47

195-01901A

PLATE

desc: PLAQUE

1шт.

56

4215-1003D6

FLANGE;SPLIT

desc: FLASQUE

8шт.

Выбрано товаров: 35