Качественные детали и логистика
Оригинальные и аналоговые запчасти с доставкой по России, Казахстану и Беларуси
©2022 PartSell ООО "Система" ИНН 2463123282 ОГРН 1212400004838
Центральный офис: г. Красноярск, Академика Киренского, д.87, пом.4
Телефон: 8 (800) 777-65-74 Email: zakaz@partsell.ru
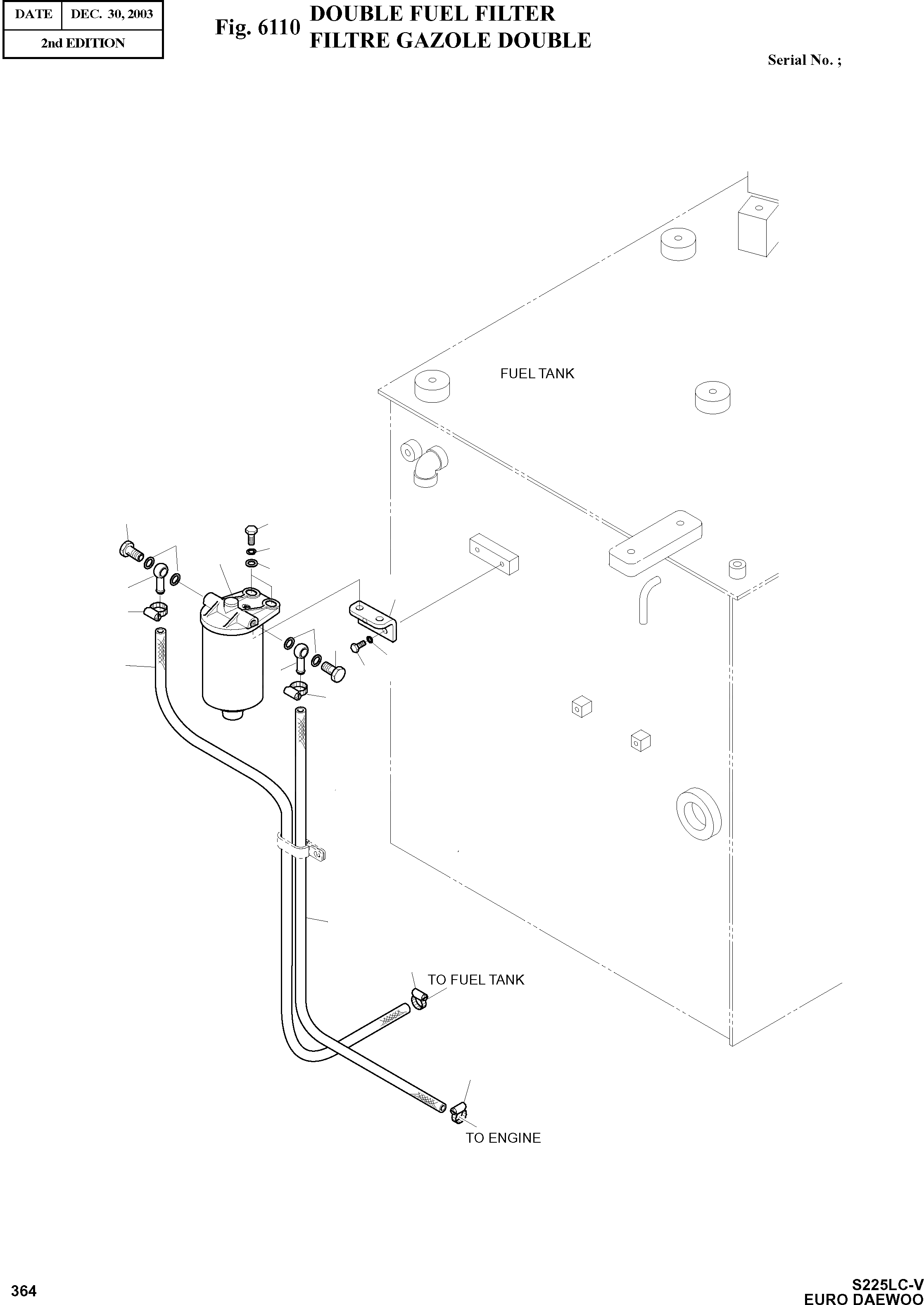
DOUBLE FUEL FILTRE
№
Артикул
Название
Примечание
Количество
-
471-00097
DOUBLE FUEL FILTER ASS'Y
SC: D
-2шт.
1
2471-9053
FUEL FILTER ASS'Y
desc: FILTRE A GAZOLE
1шт.
2
S0515353
BOLT M12X1.75X35
desc: BOULON A 6PANS
2шт.
3
S5102703
WASHER;SPRING M12
desc: RONDELLE ELASTIQUE
4
S5010713
WASHER;PLAIN M12
desc: RONDELLE
5
2181-9015
PIPE;FUEL
desc: CANALISATION DE GAZOLE
6
2120-9013
SCREW;HOLLOW
desc: VIS
7
S8180221
PACKING
desc: RONDELLE D'ETANCHEITE
4шт.
8
2185-1247D122
HOSE
desc: TUYAU FLEXIBLE
9
S8450012
CLAMP;HOSE
desc: COLLIER
10
2197-2561
BRACKET
desc: SUPPORT
11
S0509053
BOLT
12
S5102503
WASHER;SPRING M8
Выбрано товаров: 0