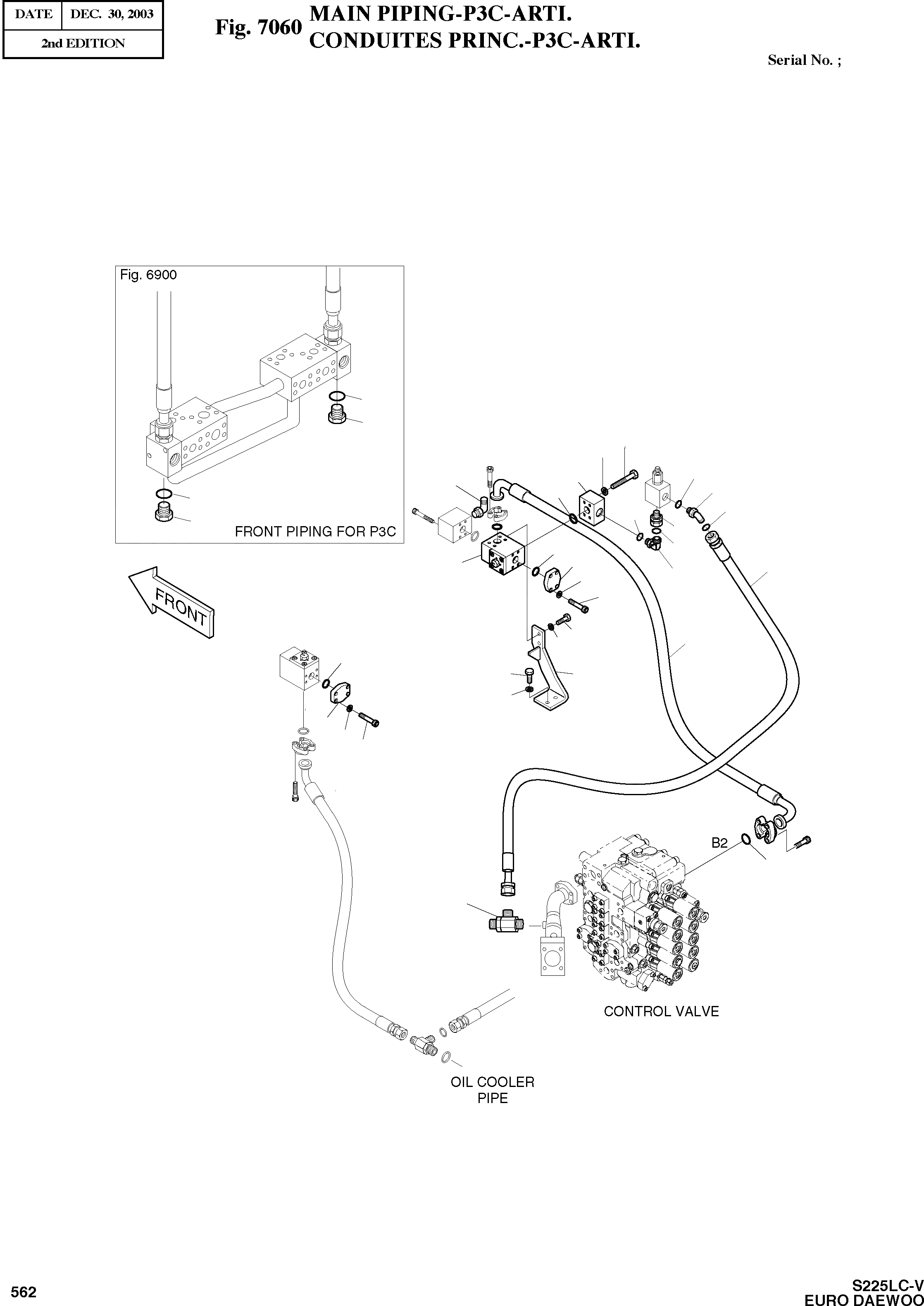
Запчасти Doosan Daewoo MAIN PIPING-P3C-ARTI OPTION PARTS

13
21
8
9
13
7
24
22
10
13
13
15
21
12
23
10
16
1
19
11
18
17
5
20
6
10
3
2
4
16
18
17
10
25
FIT
1:1
100%

Артикул

Название

Примечание

Количество

-

9400-1220

MAIN PIPING-P3C-ARTI

SC: D

-2шт.

1

421-00019

VALVE;SWITCH

desc: VANNE

1шт.

2

9195-1238A

BRACKET

desc: SUPPORT

1шт.

3

S0515253

BOLT

desc: BOULON

2шт.

4

S5102703

WASHER;SPRING

desc: RONDELLE ELASTIQUE

2шт.

5

S0512253

BOLT

desc: BOULON

2шт.

6

S5102603

WASHER;SPRING

desc: RONDELLE ELASTIQUE

2шт.

7

9423-1007

BLOCK;SPACER

desc: BLOC

1шт.

8

S0513053

BOLT

desc: BOULON

4шт.

9

S5102603

WASHER;SPRING

desc: RONDELLE ELASTIQUE

4шт.

10

2180-1026D19

O-RING

desc: JOINT TORIQUE

5шт.

11

9181-1073

ELBOW

desc: COUDE

1шт.

12

9181-1067D2

ADAPTER

desc: ADAPTEUR

1шт.

13

S8000291

O-RING

desc: JOINT TORIQUE

4шт.

15

S8030161

O-RING

desc: JOINT TORIQUE

1шт.

16

2181-2157D5

COVER;FLANGE

desc: COUVERCLE

2шт.

17

S2212461

BOLT;SOCKET

desc: BOULON DE PLOT

8шт.

18

S5110601

WASHER;SPRING

desc: RONDELLE ELASTIQUE

8шт.

19

9184-1051D8

HOSE

desc: TUYAU FLEXIBLE

1шт.

20

9184-1065D2

HOSE

desc: TUYAU FLEXIBLE

1шт.

21

2181-1950D9

PLUG

desc: BOUCHON

2шт.

22

2181-2816D2

ELBOW

desc: COUDE

1шт.

23

9180-1002D6

O-RING

desc: JOINT TORIQUE

1шт.

24

2181-2815D1

ELBOW

desc: COUDE

1шт.

25

9181-1081D5

TEE

desc: TE

1шт.

Выбрано товаров: 25