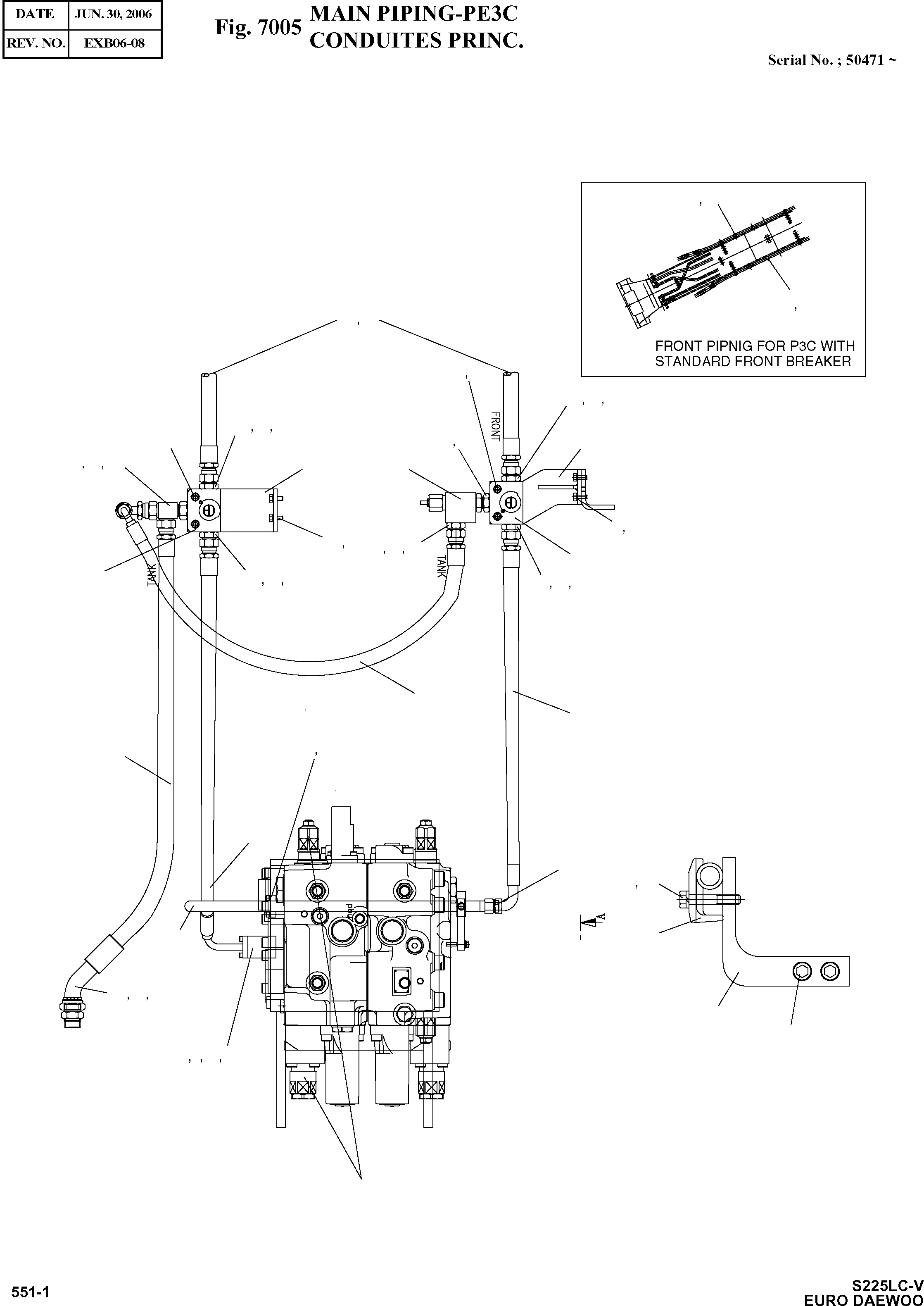
Запчасти Doosan Daewoo MAIN PIPING-PE3C OPTION PARTS

12
12
32
12
32
27
11
18
28
11
12
13
11
12
13
12
20
18
29
30
11
12
22
19
7
26
28
7
11
12
13
16
17
11
12
13
11
12
13
23
25
2
3
24
26
11
8
10
6
1
11
5
9
3
4
14
15
31
13
FIT
1:1
100%

Артикул

Название

Примечание

Количество

-

9400-1334F1

MAIN PIPING PE3C

desc: CONDUITES PRINC.

-2шт.

1

140-01224A

PIPE

desc: TUYAU

1шт.

2

S2212466

BOLT;SOCKET

desc: BOULON DE PLOT

4шт.

3

2180-1026D19

O-RING

desc: JOINT TORIQUE

3шт.

4

423-00171

BLOCK;SPACER

desc: BLOC

1шт.

5

195-02016

BRACKET

desc: SUPPORT

1шт.

6

2124-1026D3

CLAMP;PIPE

desc: ATTACHE DE TUBE

1шт.

7

S0512153

BOLT

desc: BOULON

4шт.

8

S0561053

BOLT

desc: BOULON

1шт.

9

S2215866

BOLT;SOCKET

desc: BOULON DE PLOT

2шт.

10

S5102703

WASHER;SPRING

desc: RONDELLE ELASTIQUE

1шт.

11

S8030161

O-RING

desc: JOINT TORIQUE

11шт.

12

S8000291

O-RING

desc: JOINT TORIQUE

11шт.

13

2181-4133D6

ADAPTER

desc: RACCORD ADAPTATEUR

6шт.

14

S2214066

BOLT;SOCKET

desc: BOULON DE PLOT

4шт.

15

2181-9078

FLANGE;SPLIT

desc: BRIDE

2шт.

16

K1002695

VALVE;SWITCH

desc: VANNE

1шт.

17

K1005225

VALVE;SWITCH

desc: VANNE

1шт.

18

S2215766

BOLT

desc: BOULON

4шт.

19

2420-9627B

VALVE;RELIEF

desc: CLAPET DE DECHARGE

1шт.

20

2181-2818

ADAPTER;SPECIAL

desc: RACCORD ADAPTATEUR

1шт.

22

2181-2293D4

TEE

desc: TE

1шт.

23

DS2013205

HOSE

SERIAL: 50471-50550

1шт.

23

9184-1059D14

HOSE

SERIAL: 50551

1шт.

24

DS2011211

HOSE

SERIAL: 50471-50550

1шт.

24

9184-1063D13

HOSE

SERIAL: 50551

1шт.

25

DS2013239

HOSE

SERIAL: 50471-50536

1шт.

25

9184-1052D47

HOSE

SERIAL: 50537

1шт.

26

9184-1058D13

HOSE

desc: TUYAU FLEXIBLE

1шт.

27

DS2011421

HOSE

desc: TUYAU FLEXIBLE

2шт.

28

S5102603

WASHER;SPRING

desc: RONDELLE ELASTIQUE

4шт.

29

9195-1361

BRACKET

SERIAL: 50471-50570

1шт.

29

9195-1361A

BRACKET

SERIAL: 50571

1шт.

30

9195-1362

BRACKET

desc: SUPPORT

1шт.

31

420-00258

OVERLOAD;RELIEF V/V

desc: VANNE

2шт.

Выбрано товаров: 35