Запчасти Doosan Daewoo TRAVEL PIPING TRACK PARTS

5
15
6
13
14
6
4
5
4
16
8
10
11
1
11
1
16
12
8
1
6
10
1
13
14
3
12
7
6
8
6
13
14
14
13
7
3
6
9
FIT
1:1
100%

Артикул

Название

Примечание

Количество

-

400-01065

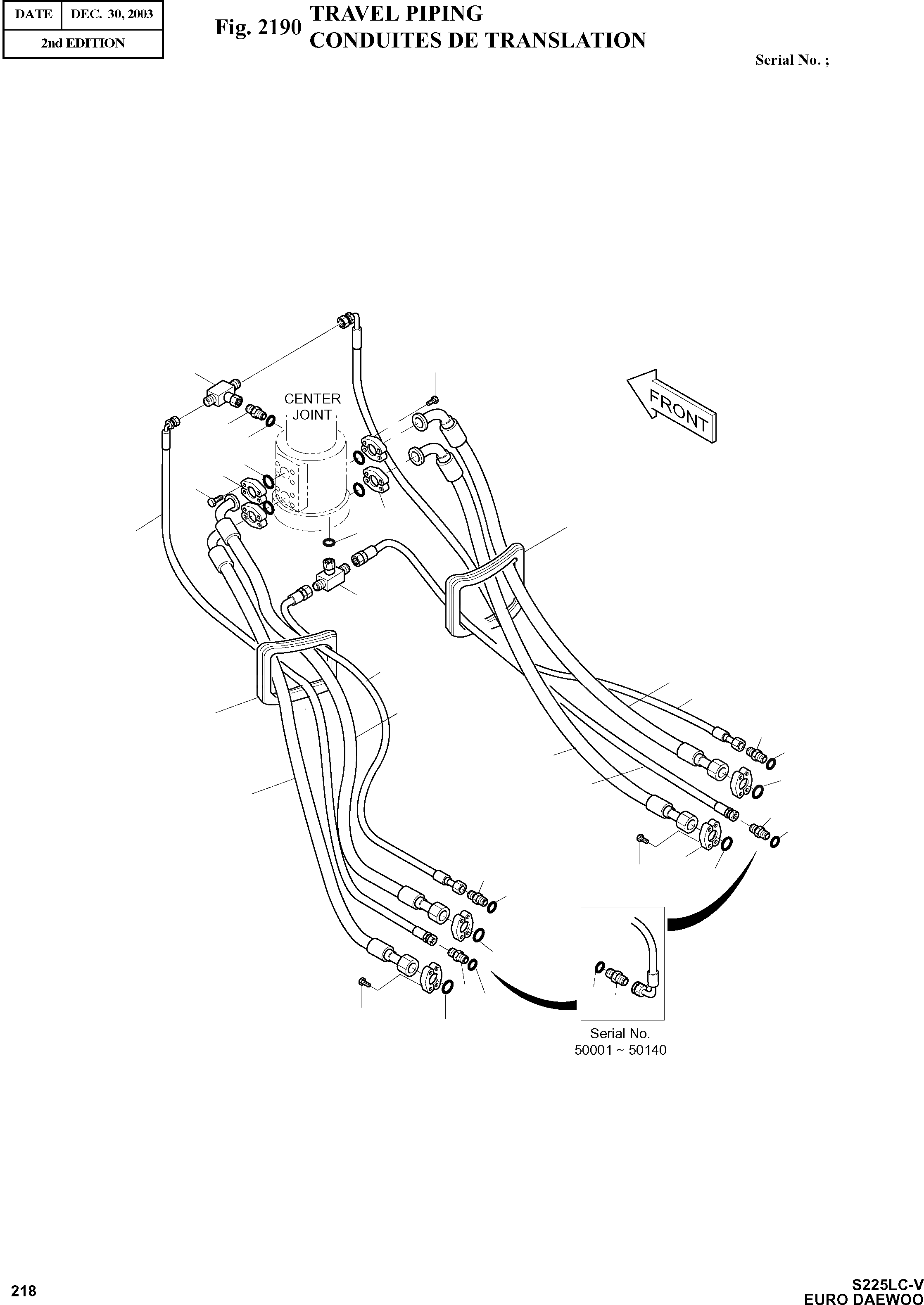
TRAVEL PIPING

SC: D

-2шт.

1

2184-1098D56

HOSE

desc: TUYAU FLEXIBLE

4шт.

3

2181-9078

FLANGE;SPLIT 1"-5000psi

desc: BRIDE

8шт.

4

2181-9081

FLANGE;SPLIT 1"-6000psi

desc: BRIDE

8шт.

5

S2215466

BOLT;SOCKET M12X1.75X35

desc: BOULON A 6 PANS CREUX

16шт.

6

2180-1026D19

O-RING SAE1

desc: JONT TORIQUE

8шт.

7

S2212266

BOLT;SOCKET M10X1.5X30

desc: BOULON A 6 PANS CREUX

16шт.

8

S8000181

O-RING 1BP-8

desc: JONT TORIQUE

3шт.

9

2181-2281D10

TEE 3-PF1/2

desc: TE

1шт.

10

2184-1060D21

HOSE

SERIAL: 50001-50140

2шт.

10

DS2054022

HOSE PF1/4-2600L

SERIAL: 50141

2шт.

11

2184-1070D47

HOSE

desc: TUYAU FLEXIBLE

2шт.

12

2181-1126D6

ADAPTER PF1/2-PF1/2

desc: ADAPTEUR

2шт.

13

2181-1126D14

ADAPTER

desc: ADAPTEUR

3шт.

14

S8000111

O-RING 1BP-11

desc: JONT TORIQUE

3шт.

15

2181-4125

TEE 1/4

desc: TE

1шт.

16

2160-4003

BUSHING;RUBBER

desc: GARNISSAGE CAOUTCHOUC

4шт.

Выбрано товаров: 17