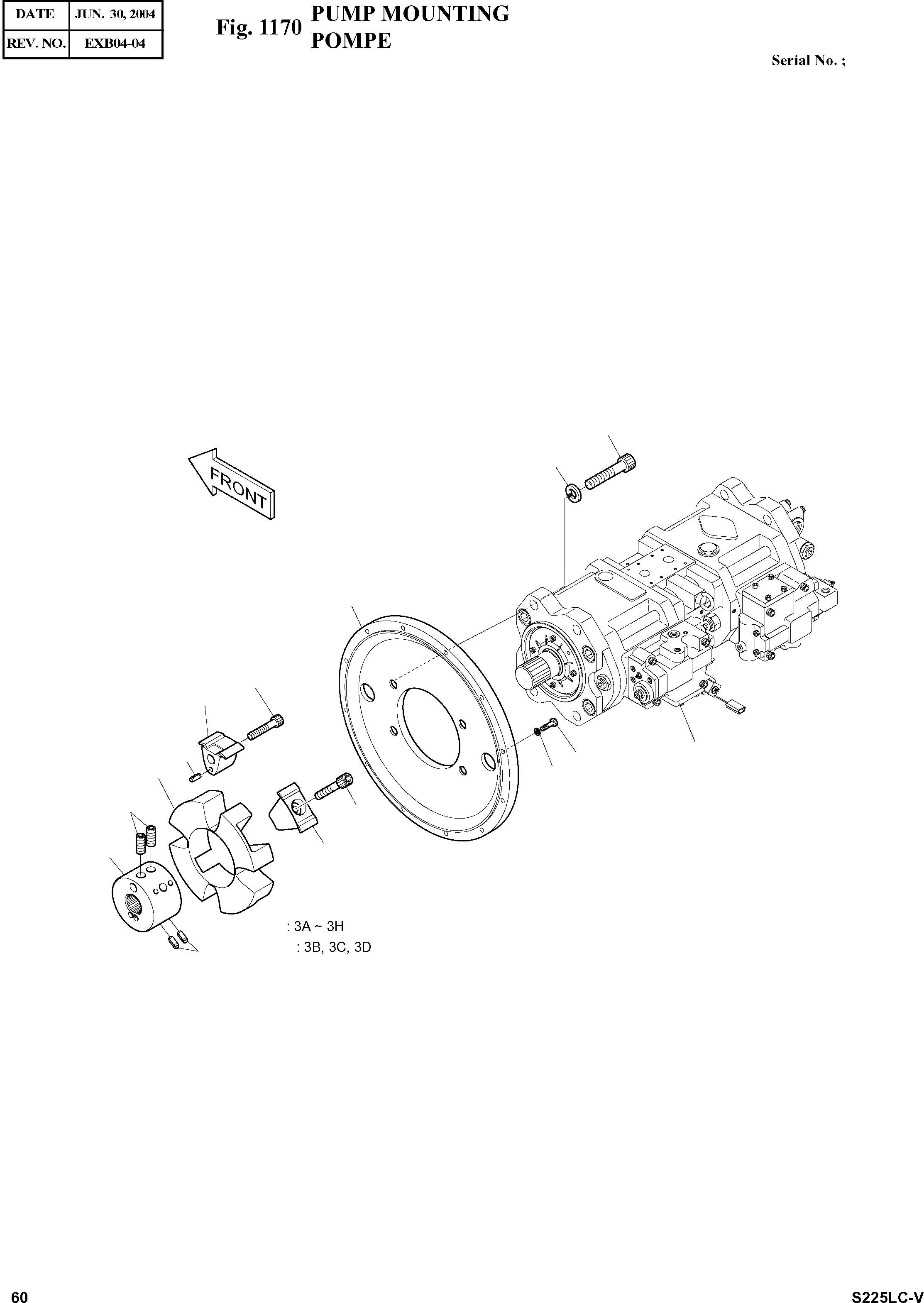
Запчасти Doosan Daewoo PUMP MOUNTING BODY PARTS

4
5
6
7
2
3
3H
3E
3E
3D
3C
3G
3G
3A
3F
3B
1
FIT
1:1
100%

Артикул

Название

Примечание

Количество

-

401-00280A

PUMP INSTALLATION

SC: D

-2шт.

1

401-00356A

PUMP INSTALLATION

desc: POMPE

1шт.

2

229-00012A

COVER

desc: COUVERCLE

1шт.

3

2414-9008A

COUPLING

desc: FIXATION DE POMPE

1шт.

3A

-

HUB

SC: D

1шт.

3B

2474-7009

ELEMENT

desc: . ELEMENT

1шт.

3C

-

INSERT(A)

SC: D

4шт.

3D

-

INSERT(R)

SC: D

4шт.

3E

K9000422

SOCKET BOLT SET(8EA)

desc: . BOULON DE PLOT

1шт.

3F

-

BOLT;CLAMPING M16X2.0X28

SC: D

2шт.

3G

-

PIN;SPRING D5X10

SC: D

12шт.

3H

2474-7009K

ELEMENT KIT

desc: . KIT DE ELEMENT

1шт.

4

S2227966

BOLT;SOCKET M20X2.5X65

desc: BOULON DE PLOT

4шт.

5

S5111103

WASHER;SPRING M20

desc: RONDELLE ELASTIQUE

4шт.

6

S0512053

BOLT M10X1.5X25

desc: BOULON A 6PANS

12шт.

7

S5102603

WASHER;SPRING M10

desc: RONDELLE ELASTIQUE

12шт.

Выбрано товаров: 16