Запчасти Doosan Daewoo INTAKE & EXHAUST MANIFOLD ENGINE PARTS

221
220
103
105
106
104
101
201
106
107
104
105
219
202
208
204
207
205
203
204
216
215
222
212
214
213
FIT
1:1
100%

Артикул

Название

Примечание

Количество

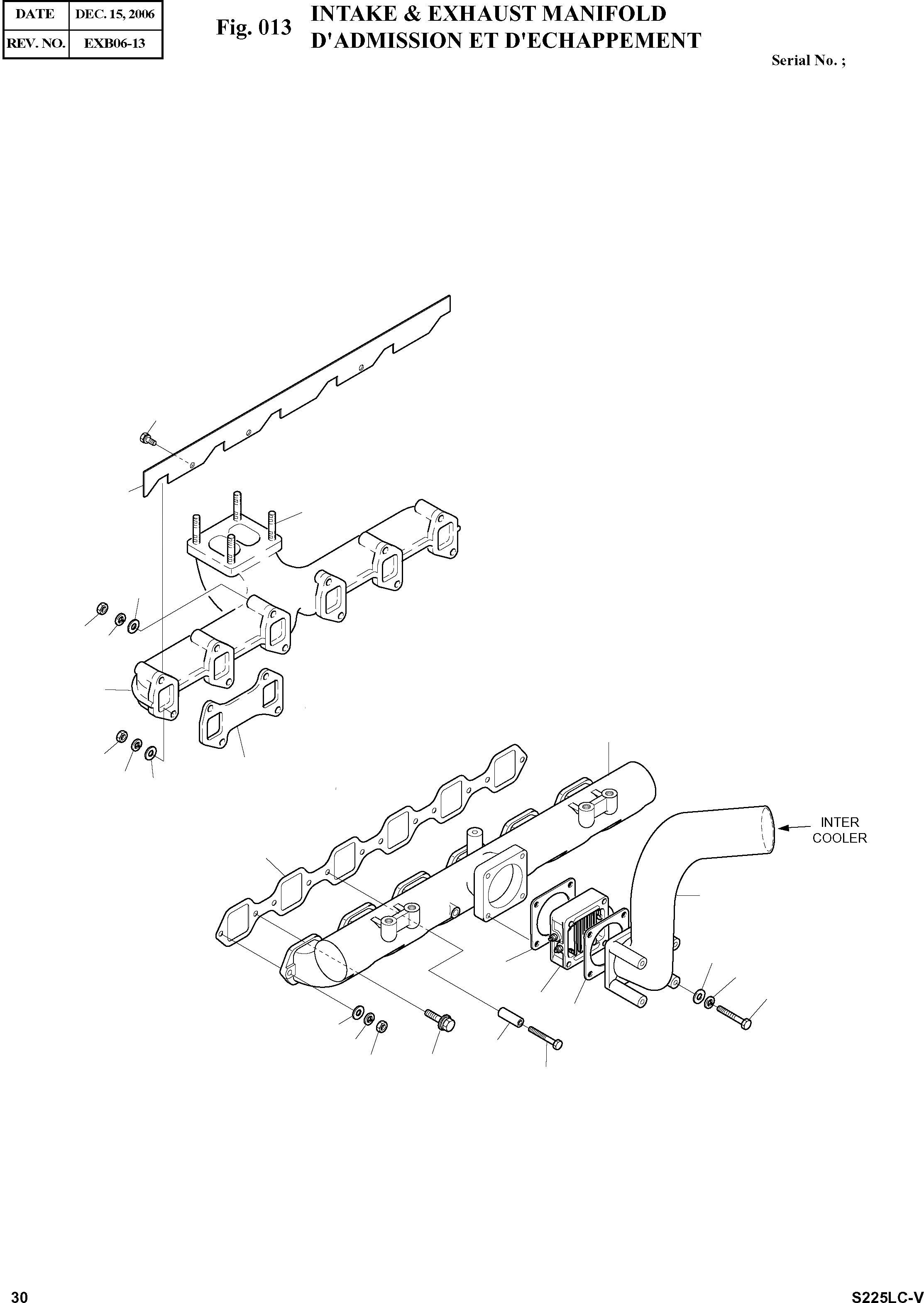
101

65.08101-0199

MANIFOLD;EXHAUST

SERIAL: 061011

1шт.

101

65.08101-0274

MANIFOLD;EXHAUST

SERIAL: 061012

1шт.

103

06.06175-8208

BOLT;STUD M10X1.25X30

desc: BOULON DE GOUJON

4шт.

104

06.16731-2107

WASHER;SPRING

desc: RONDELLE ELASTIQUE

12шт.

105

06.15010-2311

WASHER

desc: RONDELLE

12шт.

106

06.11063-8214

NUT

desc: ECROU 6 PANS

12шт.

107

65.08901-0028

GASKET;MANIFOLD EXHAUST

desc: JOINT

3шт.

201

65.08201-5060

MANIFOLD;INTAKE

desc: COLLECTEUR

1шт.

202

65.08202-0136

STAKE;INTAKE

desc: PIEU

1шт.

203

65.26803-7028

HEATER;AIR

SERIAL: 040128

1шт.

203

65.26803-7028A

HEATER;AIR

SERIAL: 041213

1шт.

203

65.26803-7028B

HEATER;AIR

SERIAL: 041214

1шт.

204

65.09904-0008

GASKET;AIR PIPE

desc: ELEMENT FILTRE

2шт.

205

06.01013-9128

BOLT;HEX. M8X130

desc: BOULON A 6PANS

4шт.

207

06.16731-2107

WASHER;SPRING

desc: RONDELLE ELASTIQUE

4шт.

208

06.15010-2311

WASHER

desc: RONDELLE

4шт.

212

06.01923-3115

BOLT ASS'Y

SERIAL: 030125

8шт.

212

06.01923-3115

BOLT ASS'Y

SERIAL: 030126

7шт.

213

06.01013-9127

BOLT ASS'Y

SERIAL: 030126

1шт.

214

06.11063-8214

NUT

desc: ECROU 6 PANS

3шт.

215

06.16731-2107

WASHER;SPRING

desc: RONDELLE ELASTIQUE

3шт.

216

06.15010-2311

WASHER

desc: RONDELLE

3шт.

219

65.08902A0004

GASKET;INTAKE MANIFOLD

desc: JOINT

1шт.

220

65.08120-0026

HEAT;SCREEN

desc: LA CHALEUR D'ECRAN

1шт.

221

06.01913-3111

BOLT ASS'Y M8X16

desc: BOULON A 6 PANS

3шт.

222

65.91701-0029

SPACER

SERIAL: 030126

1шт.

Выбрано товаров: 26