Качественные детали и логистика
Оригинальные и аналоговые запчасти с доставкой по России, Казахстану и Беларуси
©2022 PartSell ООО "Система" ИНН 2463123282 ОГРН 1212400004838
Центральный офис: г. Красноярск, Академика Киренского, д.87, пом.4
Телефон: 8 (800) 777-65-74 Email: zakaz@partsell.ru
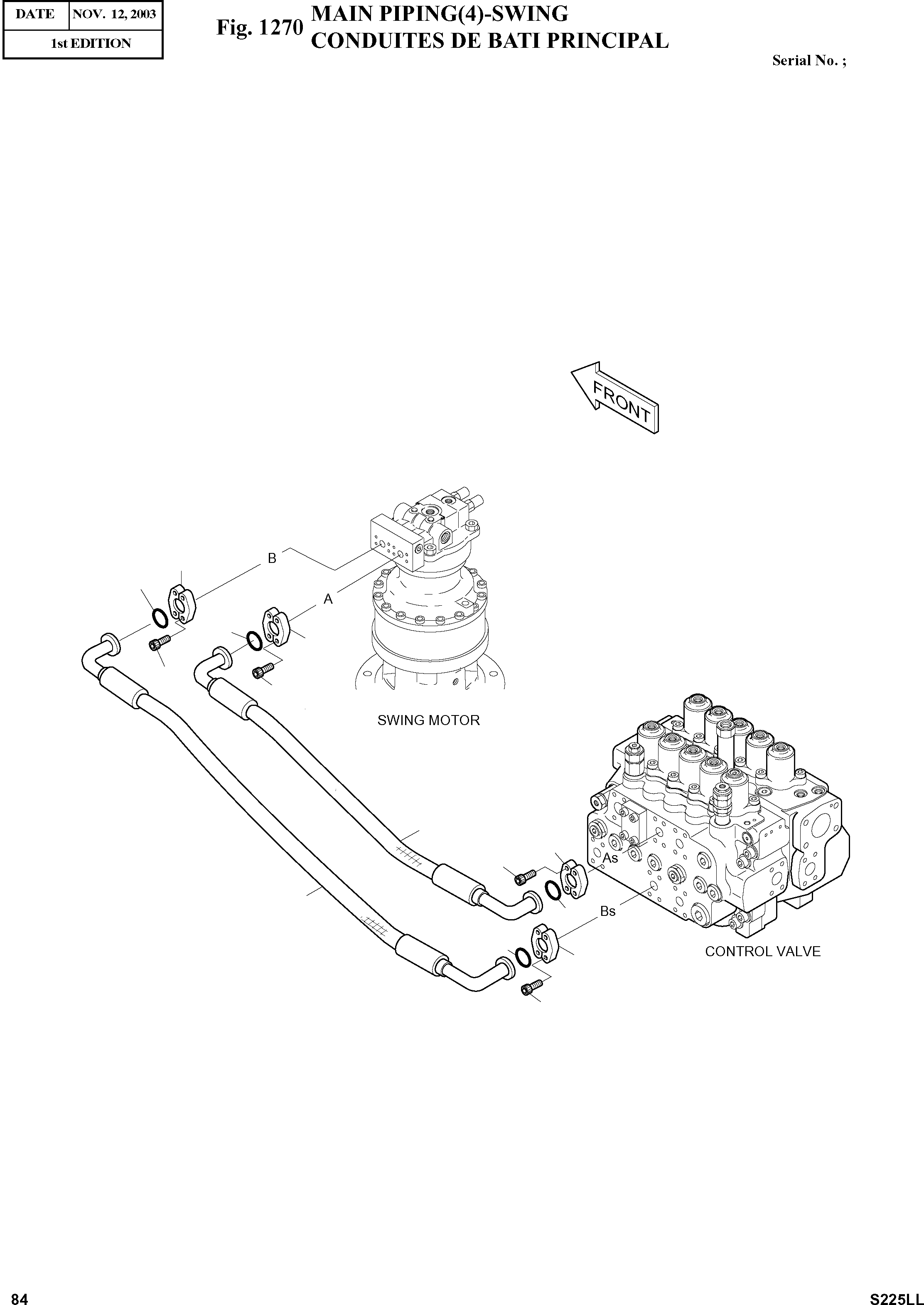
MAIN PIPING(4)-SWING
№
Артикул
Название
Примечание
Количество
-
400-00242
MAIN PIPING
SC: D
-2шт.
10
2184-1124D77
HOSE PF3/4-470L
desc: TUYAU FLEXIBLE
1шт.
11
2184-1124D168
HOSE PF3/4-560L
28
S2212266
BOLT;SOCKET M10X1.5X30
desc: BOULON A 6 PANS CREUX
8шт.
33
2180-1026D2
O-RING
desc: JOINT TORIQUE
4шт.
34
2181-9079
FLANGE;SPLIT
desc: FLASQUE EN DEUX PARTIES
58
S2213066
BOLT;SOCKET M10X1.5X70
desc: BOULON A 6 PANS
Выбрано товаров: 0