Запчасти Doosan Daewoo CYLINDER BLOCK ENGINE PARTS

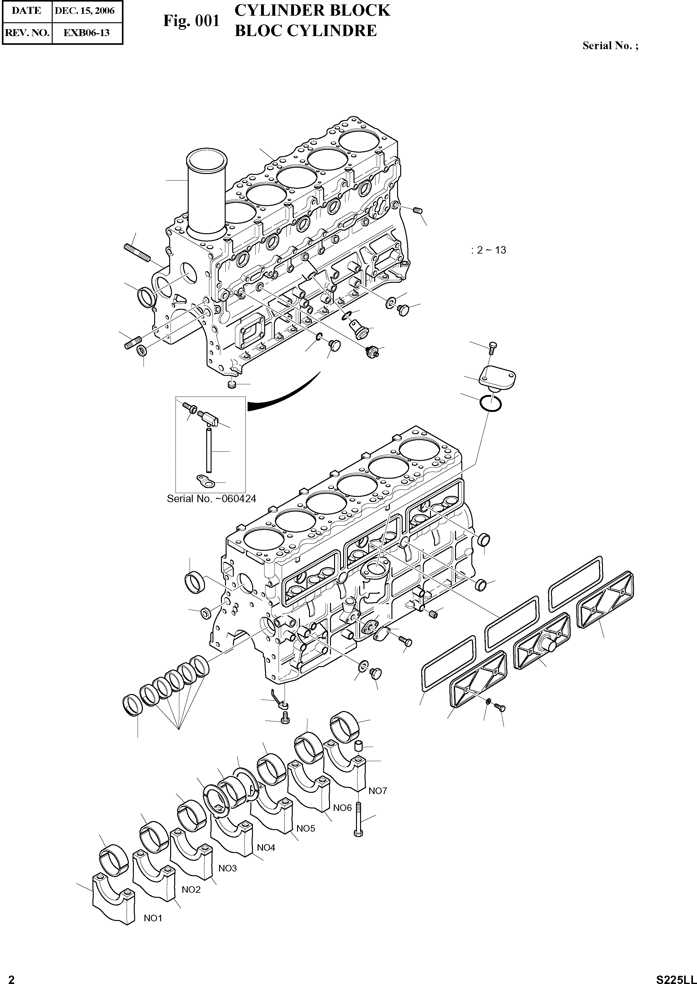
2
31
54
19
1
11
16
15
48
52
20
22
53
45
42
18
21
17
37
41
42
44
55
11
13
12
19
18
40
29
23
30
24
39
38
46
27
36
27
47
23
26
25
27
10
9
7
28
27
3
28
27
27
8
27
3
3
5
3
3
3
FIT
1:1
100%

Артикул

Название

Примечание

Количество

1

65.01101-6079A

CYLINDER BLOCK ASS'Y

SERIAL: 041214

1шт.

1

65.01101-6079B

CYLINDER BLOCK ASS'Y

SERIAL: 051004

1шт.

1

65.01101-6079C

CYLINDER BLOCK ASS'Y

SERIAL: 060726

1шт.

1

65.01101-6079D

CYLINDER BLOCK ASS'Y

SERIAL: 060727

1шт.

2

65.01101-0030G

BLOCK;CYLINDER

SERIAL: 051004

1шт.

2

65.01101-0030H

BLOCK;CYLINDER

SERIAL: 060726

1шт.

2

65.01101-0030I

BLOCK;CYLINDER

SERIAL: 060727

1шт.

3

65.01105-1048

CAP;BEARING(F.M.R)

SERIAL: 060726

6шт.

3

65.01105-1048A

CAP;BEARING(F.M.R)

SERIAL: 060727

6шт.

5

65.01105-1047

CAP;BEARING(NO.4)

SERIAL: 060726

1шт.

5

65.01105-1047A

CAP;BEARING(NO.4)

SERIAL: 060727

1шт.

7

65.91710-0001

RING;STOPPER

desc: . BAGUE D'ETANCHEITE

2шт.

8

65.90020-0066A

BOLT;HEX

desc: . BOULON A 6 PANS

14шт.

9

65.04410-0007B

BUSH;CAM SHAFT

SERIAL: 041214

1шт.

9

65.04410-0007C

BUSH;CAM SHAFT

SERIAL: 041215

1шт.

10

65.04410-0006B

BUSH;CAM SHAFT

SERIAL: 041214

5шт.

10

65.04410-0006C

BUSH;CAM SHAFT

SERIAL: 041215

5шт.

11

65.90302-0009

PLUG;CORE

desc: . BOUCHON B28D

2шт.

12

65.90302-0041

PLUG;CORE

desc: . BOUCHON B28D

2шт.

13

65.90302-0042

PLUG;CORE

desc: . BOUCHON B28D

3шт.

15

65.90310-0030

SCREW;PLUG M12X1.25

desc: VIS

1шт.

16

06.56190-0704

RING;SEAL A12X18

desc: BAGUE D'ETANCHEITE

1шт.

17

65.90320-0019

SCREW;PLUG PT3/8

desc: VIS

1шт.

18

06.15091-0313

PLUG;CORE

desc: BOUCHON

2шт.

19

65.90320-0022

SCREW;PLUG PT1/8

desc: VIS DE REGLAGE

10шт.

20

65.90201-0058

BOLT;STUD M14X12.5X45

desc: BOULON A 6 PANS

1шт.

21

65.91605-0001E

COVER

desc: COUVERCLE

1шт.

22

06.01913-3113

BOLT ASS'Y M8X20

desc: BOULON A 6 PANS

2шт.

23

65.01112-0021A

COVER;PUSH ROD CHAMBER

desc: COUVERCLE

2шт.

24

65.01112-5018

COVER;PUSH ROD CHAMBER

desc: COUVERCLE

1шт.

25

65.90020-0049

BOLT;HEX

desc: BOULON A 6 PANS

6шт.

26

65.96507-0007

PACKING;JOINT

desc: EMBALLAGE

6шт.

27

65.01110-6090B

METAL;CRANK STD

desc: COUSSINET

7шт.

27

65.01110-6091B

METAL;CRANK 0.25

SC: US

7шт.

27

65.01110-6092B

METAL;CRANK 0.50

SC: US

7шт.

28

65.01150-6010A

WASHER;THRUST STD

SERIAL: 060808

2шт.

28

65.01150-6008

WASHER;THRUST STD

SERIAL: 060809

2шт.

28

65.01150-6034A

WASHER;THRUST 0.25

SC: OS

2шт.

28

65.01150-6035A

WASHER;THRUST 0.50

SC: OS

2шт.

29

65.91615-0011

COVER;BLIND

desc: COUVERCLE

1шт.

30

06.01913-3113

BOLT ASS'Y

desc: BOULON A 6 PANS

2шт.

31

65.01201-0067

LINER;CYLINDER (ALTV.)

SC: D

6шт.

31

65.01201-0068

LINER;CYLINDER(1A)

desc: CHEMISE DE CYLINDRE

6шт.

31

65.01201-0069

LINER;CYLINDER(1B)

desc: CHEMISE DE CYLINDRE

6шт.

31

65.01201-0070

LINER;CYLINDER(2A)

desc: CHEMISE DE CYLINDRE

6шт.

31

65.01201-0071

LINER;CYLINDER(2B)

desc: CHEMISE DE CYLINDRE

6шт.

36

65.01901-0020

GASKET;CHAMBER COVER

desc: JOINT

3шт.

37

06.56021-0106

O-RING G50

desc: JOINT TORIQUE

1шт.

38

65.90310-0135

SCREW;PLUG M14X1.5

desc: BOUCHON A VIS

1шт.

39

06.56190-0706

RING;SEAL A14X20

desc: BAGUE D'ETANCHEITE

1шт.

40

65.05903A0013

GASKET

desc: JOINT

1шт.

41

65.98130-0040A

ADAPTER

SERIAL: 060424

1шт.

42

65.06310-6003A

PLUG;DRAIN

SERIAL: 060424

1шт.

42

65.90310-0122

PLUG;SCREW

SERIAL: 060425

1шт.

44

04.50010-0811

HOSE;VINYL

SERIAL: 060424

1шт.

45

06.56190-0713

RING;SEAL A18X24

desc: BAGUE D'ETANCHEITE

2шт.

46

65.01601-5010A

OIL JET PIPE

desc: REFROIDISSEUR D'HUILE

6шт.

47

65.05401-5023

RELIEF VALVE ASS'Y

desc: COUVERCLE ETANCHE

6шт.

48

06.56021-0102

O-RING G30

desc: JOINT TORIQUE

1шт.

52

65.05401-5002F

RELIEF VALVE ASS'Y

desc: SOULAGEMENT VANNE

1шт.

53

65.27441-7006

SWITCH;OIL PRESS

desc: INTERRUPTEUR

1шт.

54

65.90201-0182

BOLT;STUD

desc: BOULON A 6 PANS

1шт.

55

65.97401-0050

CLIP;PIPE

SERIAL: 060424

1шт.

Выбрано товаров: 63