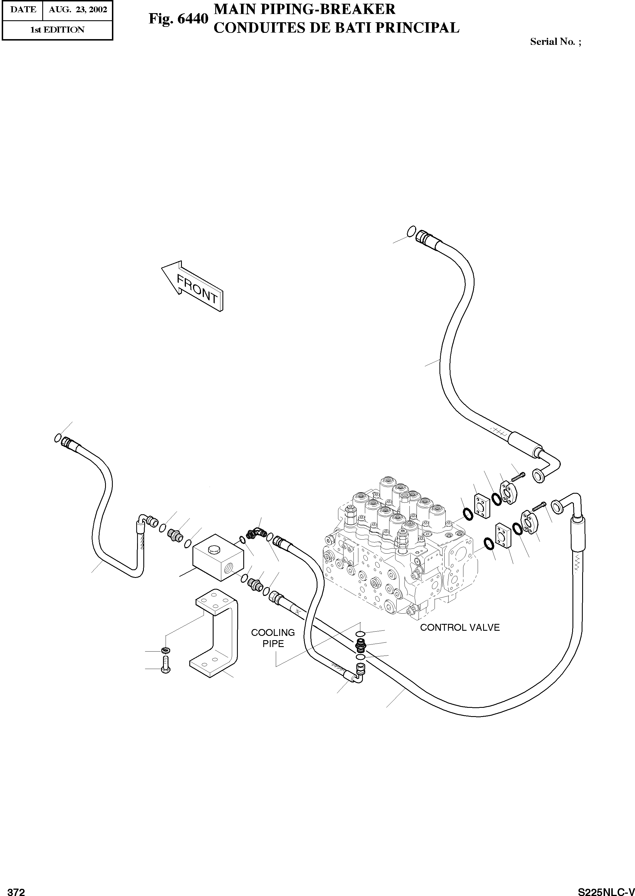
Запчасти Doosan Daewoo MAIN PIPING-BREAKER OPTION PARTS

6
15
6
12
11
9
10
11
6
8
5
7
12
9
7
11
5
6
11
10
16
1
7
5
4
6
3
2
13
14
FIT
1:1
100%

Артикул

Название

Примечание

Количество

-

400-01197

MAIN PIPING-ONE & TWO WAY

SC: D

-2шт.

1

2420-9633A

VALVE;SWITCH

desc: VANNE

1шт.

2

2197-2673

BRACKET

desc: SUPPORT

1шт.

3

S0515253

BOLT M12X1.75X30

desc: BOULON A 6 PANS

4шт.

4

S5102703

WASHER;SPRING M12

desc: RONDELLE ELASTIQUE

4шт.

5

2181-4133D6

ADAPTER

desc: RACCORD ADAPTATEUR

3шт.

6

S8030161

O-RING

desc: JONT TORIQUE

6шт.

7

S8000291

O-RING

desc: JONT TORIQUE

4шт.

8

2181-2815D1

ELBOW

desc: COUDE

1шт.

9

2181-9078

FLANGE;SPLIT

desc: FLASQUE EN DEUX PARTIES

4шт.

10

2181-2614

BLOCK;SPACER

desc: BLOC

2шт.

11

2180-1026D19

O-RING

desc: JONT TORIQUE

4шт.

12

S2213066

BOLT;SOCKET M10X1.5X70

desc: BOULON A 6 PANS CREUX

8шт.

13

2184-1197D85

HOSE PF1-650L

desc: TUYAU FLEXIBLE

1шт.

14

2184-1200D52

HOSE PF1-1450L

desc: TUYAU FLEXIBLE

1шт.

15

DS2018054

HOSE PF1-1650L

desc: TUYAU FLEXIBLE

1шт.

16

2184-1197D114

HOSE PF1-1600L

desc: TUYAU FLEXIBLE

1шт.

Выбрано товаров: 17