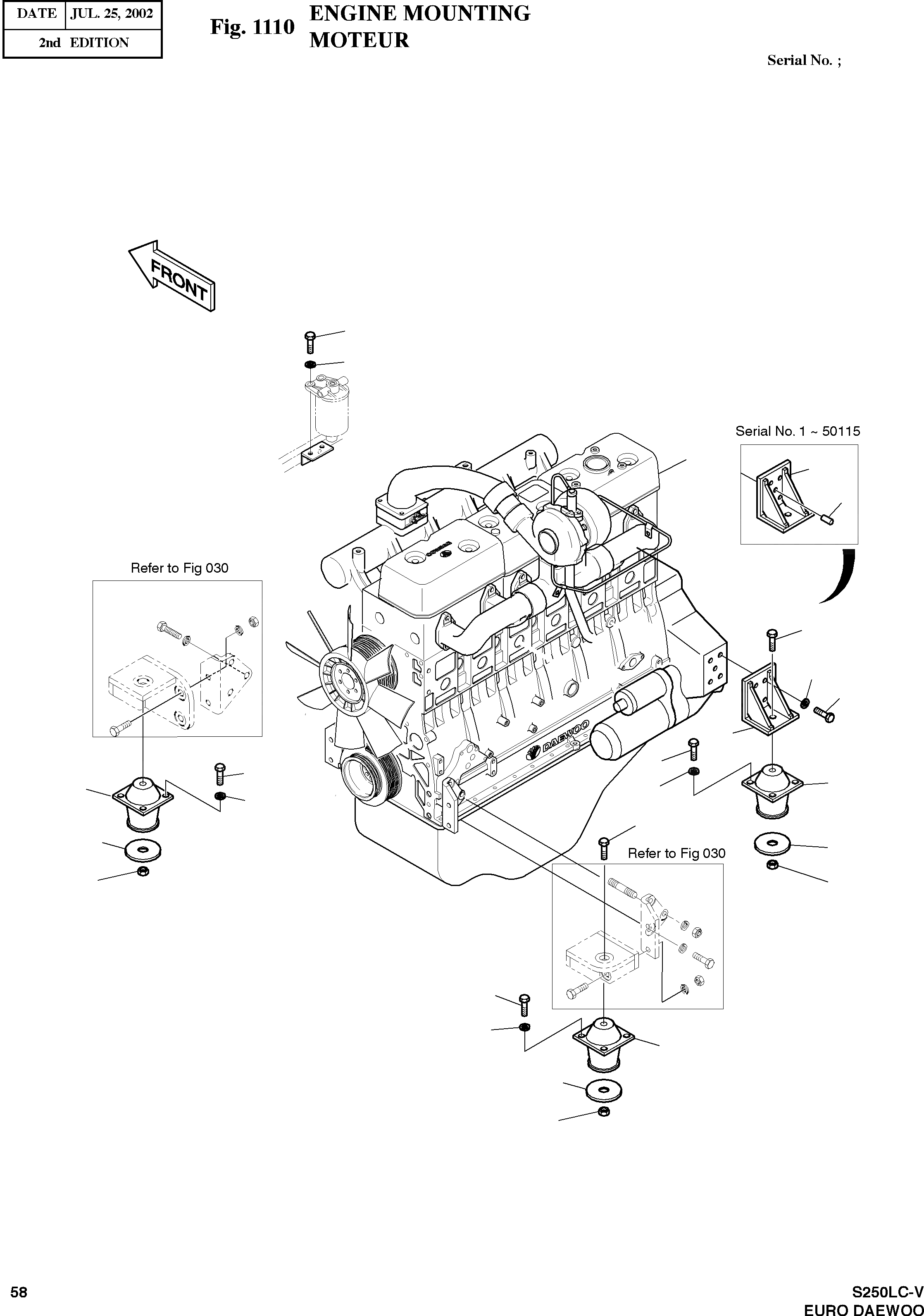
Запчасти Doosan Daewoo ENGINE MOUNTING BODY PARTS

39
28
35
42
34
36
38
35
42
36
38
34
37
36
38
33
42
35
29
37
32
31
30
29
1
FIT
1:1
100%

Артикул

Название

Примечание

Количество

-

201-00009A

ENGINE ASS'Y

SC: D

-2шт.

1

201-00010

ENGINE-D1146T

SERIAL: 1-50195

1шт.

1

201-00010A

ENGINE-D1146T

SERIAL: 50196

1шт.

28

S5010713

WASHER

desc: RONDELLE

2шт.

29

2197-1433B

BRACKET

SERIAL: 1-50115

2шт.

29

2197-1433C

BRACKET

SERIAL: 50116

2шт.

30

2123-1066

PIN;KNOCK

SERIAL: 1-50115

2шт.

31

S0515253

BOLT M12X1.75X30

desc: BOULON A 6 PANS

8шт.

32

S5102703

WASHER;SPRING

desc: RONDELLE ELASTIQUE

8шт.

33

2161-9062

RUBBER;E/G MOUNTING

desc: CAOUTCHOUC

2шт.

34

2161-9404

RUBBER;E/G MOUNTING

desc: CAOUTCHOUC

2шт.

35

S0512053

BOLT M10X1.5X25

desc: BOULON A 6 PANS

16шт.

36

2114-4024A

WASHER;BUMP

desc: RONDELLE

4шт.

37

S0766661

BOLT M16X1.5X120

desc: BOULON A 6 PANS

4шт.

38

121-00035

NUT;LOCK M16X1.5

desc: ECROU

4шт.

39

S0515353

BOLT M12X1.75X35

desc: BOULON A 6 PANS

2шт.

42

S5010613

WASHER

desc: RONDELLE

16шт.

Выбрано товаров: 17