Запчасти Doosan Daewoo MAIN PIPING(5) BODY PARTS

4
31
33
34
5
31
34
31
34
33
28
34
33
33
34
33
33
31
28
34
34
28
6
33
7
34
28
FIT
1:1
100%

Артикул

Название

Примечание

Количество

-

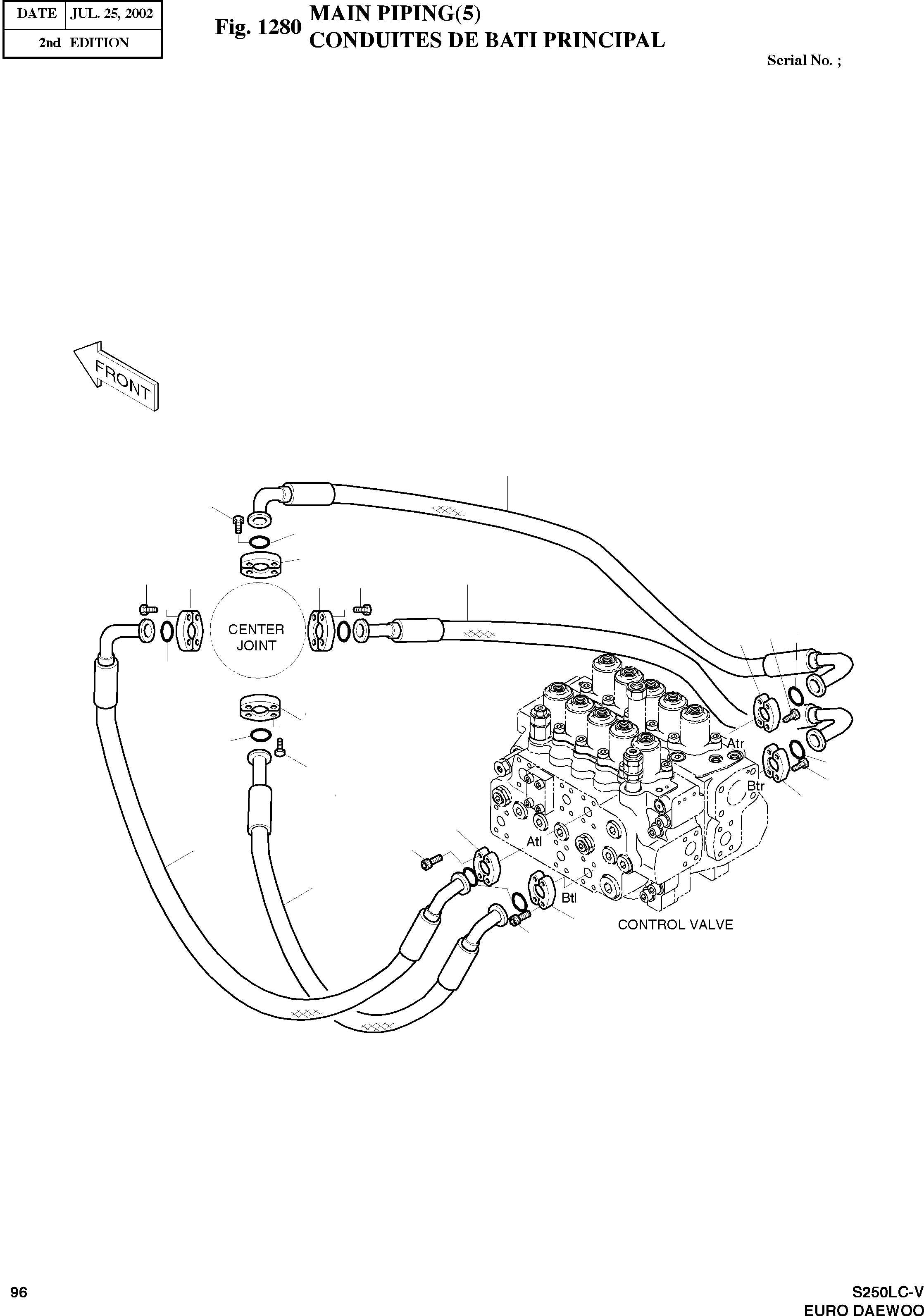
400-00048A

MAIN PIPING

SC: D

-2шт.

-

9400-1080A

MAIN PIPING

SC: D

-2шт.

4

2184-1124D114

HOSE PF3/4-1720L

desc: TUYAU FLEXIBLE

1шт.

5

2184-1100D178

HOSE PF3/4-1450L

desc: TUYAU FLEXIBLE

1шт.

6

2184-1124D114

HOSE PF3/4-1720L

desc: TUYAU FLEXIBLE

1шт.

7

2184-1100D178

HOSE PF3/4-1450L

desc: TUYAU FLEXIBLE

1шт.

28

S2212266

BOLT;SOCKET M10X1.5X30

desc: BOULON A 6 PANS CREUX

16шт.

31

S2212066

BOLT;SOCKET M10X1.5X25

desc: BOULON A 6 PANS CREUX

16шт.

33

2180-1026D2

O-RING

desc: JOINT TORIQUE

8шт.

34

2181-9079

FLANGE;SPLIT

desc: FLASQUE EN DEUX PARTIES

16шт.

Выбрано товаров: 10