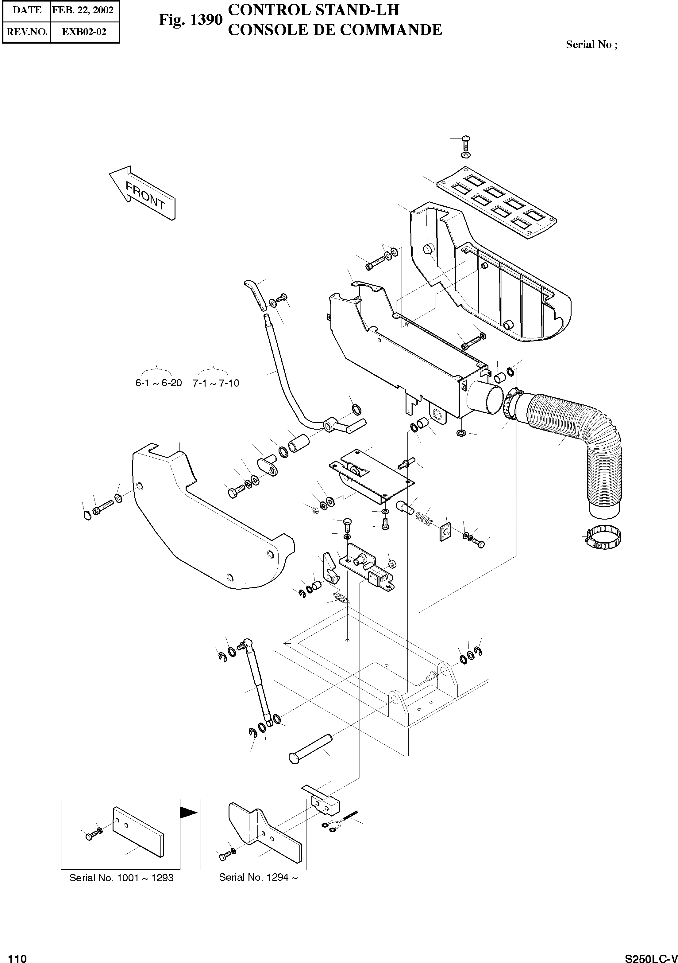
Запчасти Doosan Daewoo CONTROL STAND-LH BODY PARTS

6
7
6-13
49
41
37
6-8
6-10
6-6
6-2
6-1
6-19
6-20
6-18
32
48
32
48
7-1
7-6
7-7
7-8
7-9
7-10
6-11
6-6
6-5
6-16
6-15
6-14
9
37
41
13
34
33
20
34
12
26
44
34
31
40
25
29
25
40
29
43
42
30
27
51
6-8
6-9
6-10
6-3
6-7
6-4
6-17
43
49-12
1
27
19
43
49-12
37
41
8
11
37
50
FIT
1:1
100%

Артикул

Название

Примечание

Количество

-

2197-1825F2H

CONTROL STAND ASS'Y

SERIAL: 1001-1293

-2шт.

-

2197-1825F2K

CONTROL STAND ASS'Y

SERIAL: 1294

-2шт.

1

2160-1004D9

GROMMET

desc: MANCHON CAOUTCHOUC

1шт.

6

2133-2027A

SAFETY LEVER ASS'Y

SERIAL: 1001-1293

1шт.

6

2133-2027B

SAFETY LEVER ASS'Y

SERIAL: 1294

1шт.

6-1

2116-1524A

PLATE

desc: . PLAQUE

1шт.

6-2

2133-2003A

LEVER

desc: . LEVIER

1шт.

6-3

2116-1485

PLATE

desc: . PLAQUE

1шт.

6-4

2123-2146A

PIN

desc: . GOUJON

1шт.

6-5

2123-2279A

PIN

desc: . GOUJON

1шт.

6-6

2114-1059D37

SHIM 0.4T

desc: . CALE

2шт.

6-7

2129-1432

SPRING

desc: . RESSORT

1шт.

6-8

S3450583

SCREW M4X0.7X12

desc: . VIS

6шт.

6-9

S5102103

WASHER;SPRING

desc: . RONDELLE ELASTIQUE

4шт.

6-10

S5000113

WASHER;PLAIN

desc: . RONDELLE PLATE

6шт.

6-11

2110-1184D29

BUSH;DU

desc: . COUSSINET

1шт.

6-13

2132-1132A

GRIP

desc: . POIGNEE

1шт.

6-14

2120-2166D31

BOLT M5X0.8X12

desc: . BOULON A 6 PANS

1шт.

6-15

2114-2031D2

WASHER;SPRING

desc: . RONDELLE ELASTIQUE

1шт.

6-16

2114-1898D5

WASHER;PLAIN

desc: . RONDELLE

1шт.

6-17

116-00003

PIN

SERIAL: 1001-1293

1шт.

6-17

116-00003A

PIN

SERIAL: 1294

1шт.

6-18

2121-1311D2

NUT M8X1.25

desc: . ECROU

1шт.

6-19

2114-1898D14

WASHER;PLAIN M8

desc: . RONDELLE

1шт.

6-20

2114-2031D4

WASHER;SPRING M8

desc: . RONDELLE ELASTIQUE

1шт.

7

2197-1634C

BRACKET;LOWER ASS'Y

SERIAL: 1001-1056

1шт.

7

2197-1634E

BRACKET;LOWER ASS'Y

SERIAL: 1057

1шт.

7-1

-

PLATE

SC: D

1шт.

7-6

2133-1989B

LEVER

desc: . LEVIER

1шт.

7-7

2110-1184D29

BUSH;DU

desc: . COUSSINET

2шт.

7-8

2114-1059D200

SHIM

desc: . CALE

1шт.

7-9

S6541200

RING;RETAINING

desc: . BAGUE

1шт.

7-10

2129-1433A

SPRING

desc: . RESSORT

1шт.

8

2125-1093A

STAND CASE-A LH

desc: CARTER

1шт.

9

2125-1094B

STAND CASE-B LH

desc: CARTER

1шт.

11

2891-1361

SWITCH PLATE

desc: INTERUPTEUR

1шт.

12

2123-2240

PIN

desc: GOUJON

1шт.

13

2621-3775

HOLE COVER;STAND

desc: COUVERCLE

1шт.

19

2158-1021

PROTECTOR

desc: PROTECTEUR

1шт.

20

2440-9258

SPRING;GAS

desc: RESSORT

1шт.

25

2627-1909

PLATE

SERIAL: 1001-1056

1шт.

25

2627-1909A

PLATE

SERIAL: 1057-1293

1шт.

25

2627-1909B

PLATE

SERIAL: 1294

1шт.

26

2549-9139

SWITCH;MICRO

desc: COMMUTATEUR MICRO

1шт.

27

S8450066

CLAMP;HOSE

desc: COLLIER

2шт.

29

2120-2166D21

BOLT

desc: BOULON A 6 PANS

2шт.

30

S6541900

RING;RETAINING

desc: BAGUE

1шт.

31

S6540500

RING;RETAINING

desc: BAGUE CIRCLIPS

1шт.

32

2120-2166D5

BOLT M8X1.25X20

desc: BOULON A 6 PANS

6шт.

33

S5102503

WASHER;SPRING

desc: RONDELLE ELASTIQUE

1шт.

34

S5020513

WASHER;PLAIN

desc: RONDELLE PLATE

3шт.

37

2114-1898D4

WASHER

desc: RONDELLE

12шт.

40

2114-1898D13

WASHER;PLAIN

desc: RONDELLE PLATE

2шт.

41

S2203061

BOLT;SOCKET M5X0.8X14

desc: BOULON A 6 PANS CREUX

8шт.

42

2114-4129

WASHER

desc: RONDELLE PLATE

1шт.

43

2114-1059D31

SHIM

desc: CALE

3шт.

44

2530-1782

HARNESS;MICRO SWITCH

desc: FAISCEAU

1шт.

48

2114-1898D2

WASHER

desc: RONDELLE

6шт.

49

2197-1823C

BRACKET

desc: SUPPORT

1шт.

49-12

2110-1184D37

BUSH;DU

desc: . MANCHON

2шт.

50

2120-2166D8

BOLT M5X0.8X14

desc: BOULON A 6 PANS

4шт.

51

S4012103

NUT M4X0.7

SERIAL: 1057

2шт.

Выбрано товаров: 0