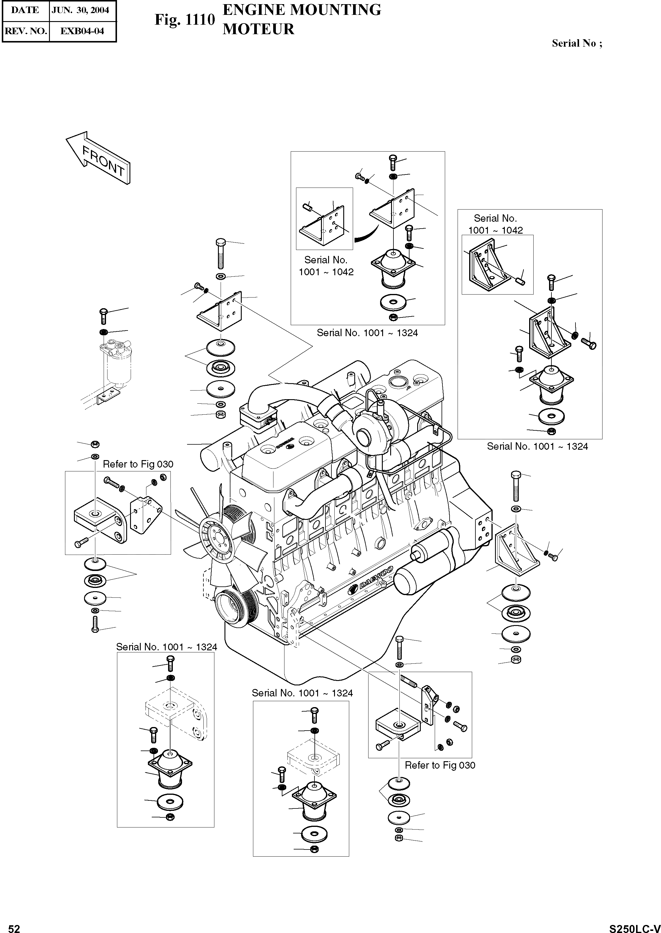
Запчасти Doosan Daewoo ENGINE MOUNTING BODY PARTS

52
37
31
32
5
29
30
29
35
29
50
42
30
33
52
37
5
36
29
31
39
32
32
38
31
29
28
35
33
42
53
33
36
51
38
38
1
5
50
52
32
31
29
34
36
33
5
37
53
37
52
5
51
37
5
37
35
5
42
35
34
42
34
36
34
36
38
5
36
38
38
FIT
1:1
100%

Артикул

Название

Примечание

Количество

-

201-00009A

ENGINE ASS'Y

SC: D

-2шт.

1

201-00010

ENGINE-D1146T

SERIAL: 1001-1283

1шт.

1

201-00010A

ENGINE-D1146T

SERIAL: 1284

1шт.

5

2114-1816A

WASHER;HARD

SERIAL: 1321

4шт.

28

S5010713

WASHER

desc: RONDELLE

2шт.

29

2197-1433B

BRACKET

SERIAL: 1001-1042

2шт.

29

2197-1433C

BRACKET

SERIAL: 1043-1324

2шт.

29

195-01415A

BRACKET

SERIAL: 1325

2шт.

30

2123-1066

PIN;KNOCK

SERIAL: 1001-1042

2шт.

31

S0515253

BOLT M12X1.75X30

desc: BOULON A 6 PANS

8шт.

32

S5102703

WASHER;SPRING

desc: RONDELLE ELASTIQUE

8шт.

33

2161-9062

RUBBER;E/G MOUNTING

SERIAL: 1001-1324

2шт.

33

161-00299

RUBBER;E/G MOUNTING

SERIAL: 1325

2шт.

34

2161-9404

RUBBER;E/G MOUNTING

SERIAL: 1001-1324

2шт.

34

161-00298

RUBBER;E/G MOUNTING

SERIAL: 1325

2шт.

35

S0512053

BOLT M10X1.5X25

SERIAL: 1001-1324

16шт.

36

2114-4024A

WASHER;BUMP

SERIAL: 1001-1324

4шт.

36

114-00417

WASHER;BUMP

SERIAL: 1325

4шт.

37

S0766661

BOLT M16X1.5X120

SERIAL: 1001-1313

4шт.

37

S0766666

BOLT M16X1.5X120

SERIAL: 1314-1320

4шт.

37

S0766866

BOLT M16X1.5X130

SERIAL: 1321-1324

4шт.

37

S0766266

BOLT M16X1.5X100

SERIAL: 1325

2шт.

38

121-00035

NUT;LOCK M16X1.5

SERIAL: 1001-1324

4шт.

38

121-00035

NUT;LOCK M16X1.5

SERIAL: 1325

2шт.

39

S0515353

BOLT M12X1.75X35

desc: BOULON A 6 PANS

2шт.

42

S5010613

WASHER

SERIAL: 1001-1324

16шт.

50

S0771466

BOLT M20X1.5X130

SERIAL: 1325

2шт.

51

121-00066

NUT;LOCK

SERIAL: 1325

2шт.

52

2114-9012A

WASHER;HARD

SERIAL: 1325

4шт.

53

2114-1929

WASHER;BUMP

SERIAL: 1325

2шт.

Выбрано товаров: 30