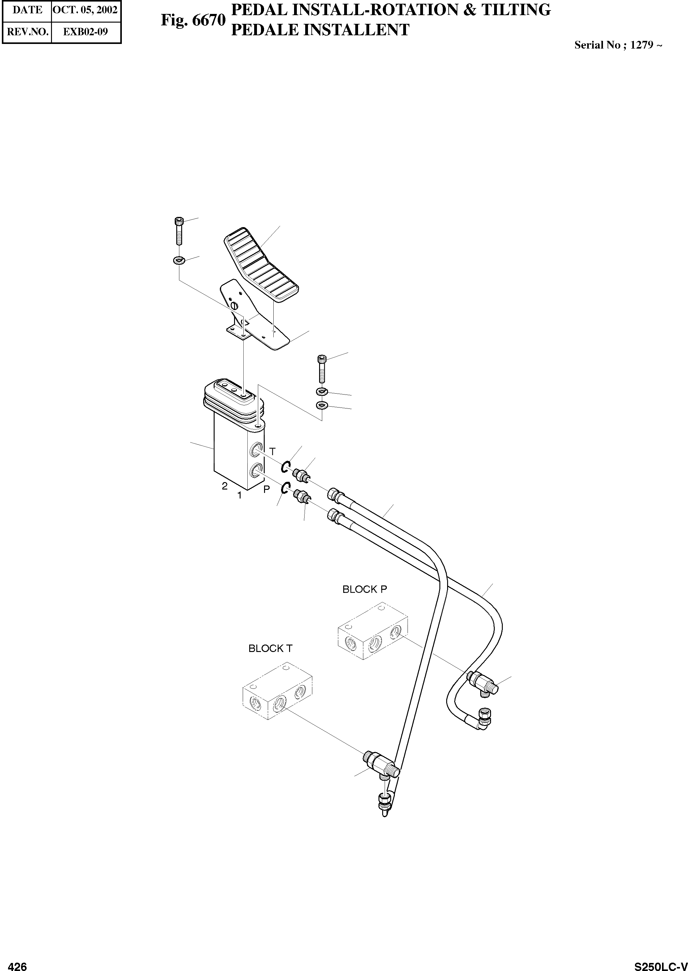
Запчасти Doosan Daewoo PEDAL INSTALL-ROTATION & TILTING OPTION PARTS

8
10
6
9
5
6
7
12
1
11
2
12
11
3
4
4
FIT
1:1
100%

Артикул

Название

Примечание

Количество

-

134-00024

PEDAL INSTALL PIPING

SC: D

-2шт.

1

420-00160

VALVE;PEDAL

SERIAL: 1279-1316

1шт.

1

420-00347

VALVE;PEDAL

SERIAL: 1317

1шт.

2

2184-1046D144

HOSE PF1/4-630L

desc: TUYAU FLEXIBLE

1шт.

3

2184-1046D198

HOSE PF1/4-400L

desc: TUYAU FLEXIBLE

1шт.

4

2181-1951D6

TEE PFO3/8-PF1/4-PF3/8

desc: TE

2шт.

5

S2212261

BOLT;SOCKET M10X1.5X30

desc: BOULON A 6PANS

2шт.

6

S5110601

WASHER;SPRING M10

desc: RONDELLE ELASTIQUE

4шт.

7

S5010613

WASHER;PLAIN M10

desc: RONDELLE PLATE

2шт.

8

S2211861

BOLT;SOCKET M10X1.5X20

desc: BOULON A 6PANS

2шт.

9

2197-1817

BRACKET;PEDAL(R.H)

desc: SUPPORT

1шт.

10

2161-2257

RUBBER;PEDAL

desc: CAOUTCHOUC

1шт.

11

2181-1126D14

ADAPTER PFO1/4-PF1/4

desc: ADAPTEUR

2шт.

12

S8000111

O-RING

desc: JONT TORIQUE

2шт.

Выбрано товаров: 14