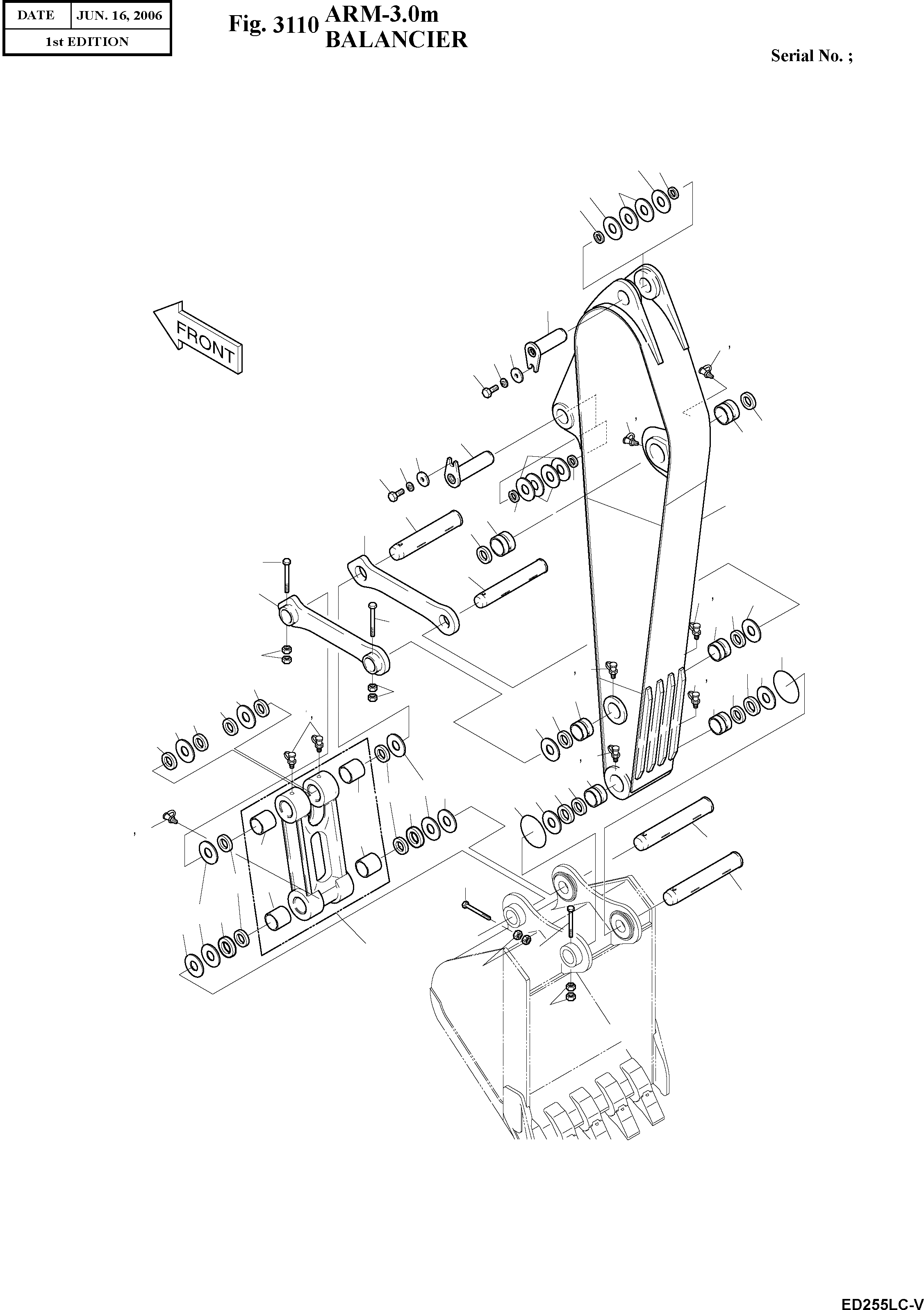
Запчасти Doosan Daewoo ARM-3.0M FRONT ATTACHMENTS

16
13
18
16
13
7
27
31
21
23
22
27
31
14
8
16
21
23
22
13
1
18
11
13
3
14
25
9
4
27
31
20
12
26
28
24
29
27
31
19
27
31
13
13
24
18
13
12
27
31
13
20
18
13
27
31
13
29
18
16
13
19
28
30
27
31
10
25
13
10
18
30
16
2
25
24
24
1B
1B
1D
2C
2C
2B
2B
1D
1C
1C
FIT
1:1
100%

Артикул

Название

Примечание

Количество

-

701-00011

ARM ASS'Y-3.0m

SC: D

-2шт.

1

701-00012H

ARM SUB ASS'Y-3.0m

desc: BALANCIER

1шт.

1B

110-00177

BUSHING

desc: . MANCHON

2шт.

1C

110-00064

BUSHING

desc: . MANCHON

2шт.

1D

110-00179

BUSHING

desc: . MANCHON

2шт.

2

2155-1335G

LINK ASS'Y;PUSH

desc: ARTICULATION

1шт.

2B

2110-1228B

BUSHING

desc: . MANCHON

2шт.

2C

2110-1360A

BUSHING

desc: . MANCHON

2шт.

3

2155-1299B

LINK;GUIDE(RH)

desc: ARTICULATION

1шт.

4

2155-1300B

LINK;GUIDE(LH)

desc: ARTICULATION

1шт.

7

2123-2187C

PIN

desc: GOUJON

1шт.

8

2123-2182C

PIN

desc: GOUJON

1шт.

9

2123-2191B

PIN

desc: GOUJON

1шт.

10

2123-2192C

PIN

desc: GOUJON

2шт.

11

2123-2193B

PIN

desc: GOUJON

1шт.

12

2180-1106BD4

SEAL;DUST

desc: PARE-POUSSIERES

2шт.

13

2180-1106BD24

SEAL;DUST

desc: PARE-POUSSIERES

14шт.

14

2180-1106BD6

SEAL;DUST

desc: PARE-POUSSIERES

2шт.

16

2114-1059D118

SHIM

desc: CALE

6шт.

18

2114-1059D63

SHIM

desc: CALE

10шт.

19

2114-1059D175

SHIM

desc: CALE

2шт.

20

2114-1059D122

SHIM

desc: CALE

2шт.

21

2116-1060D6

STOPPER

desc: TAQUET D'ARRET

2шт.

22

S0521366

BOLT M16X2.0X35

desc: BOULON A 6 PANS

2шт.

23

S5102903

WASHER;SPRING

desc: RONDELLE ELASTIQUE

2шт.

24

S4012933

NUT M16X2.0

desc: ECROU

8шт.

25

S0566966

BOLT M16X2.0X140

desc: BOULON A 6 PANS

3шт.

26

S0566866

BOLT M16X2.0X130

desc: BOULON A 6 PANS

1шт.

27

S6710041

FITTING

desc: GRAISSEUR

9шт.

28

180-00077D5

O-RING

desc: JOINT TORIQUE

2шт.

29

2114-1997B

SPACER

desc: BAGUE D'ECARTEMENT

2шт.

30

2114-1998B

SPACER

desc: BAGUE D'ECARTEMENT

2шт.

31

160-00020

CAP;GREASE NIPPLE

desc: CHAPEAU

9шт.

Выбрано товаров: 33