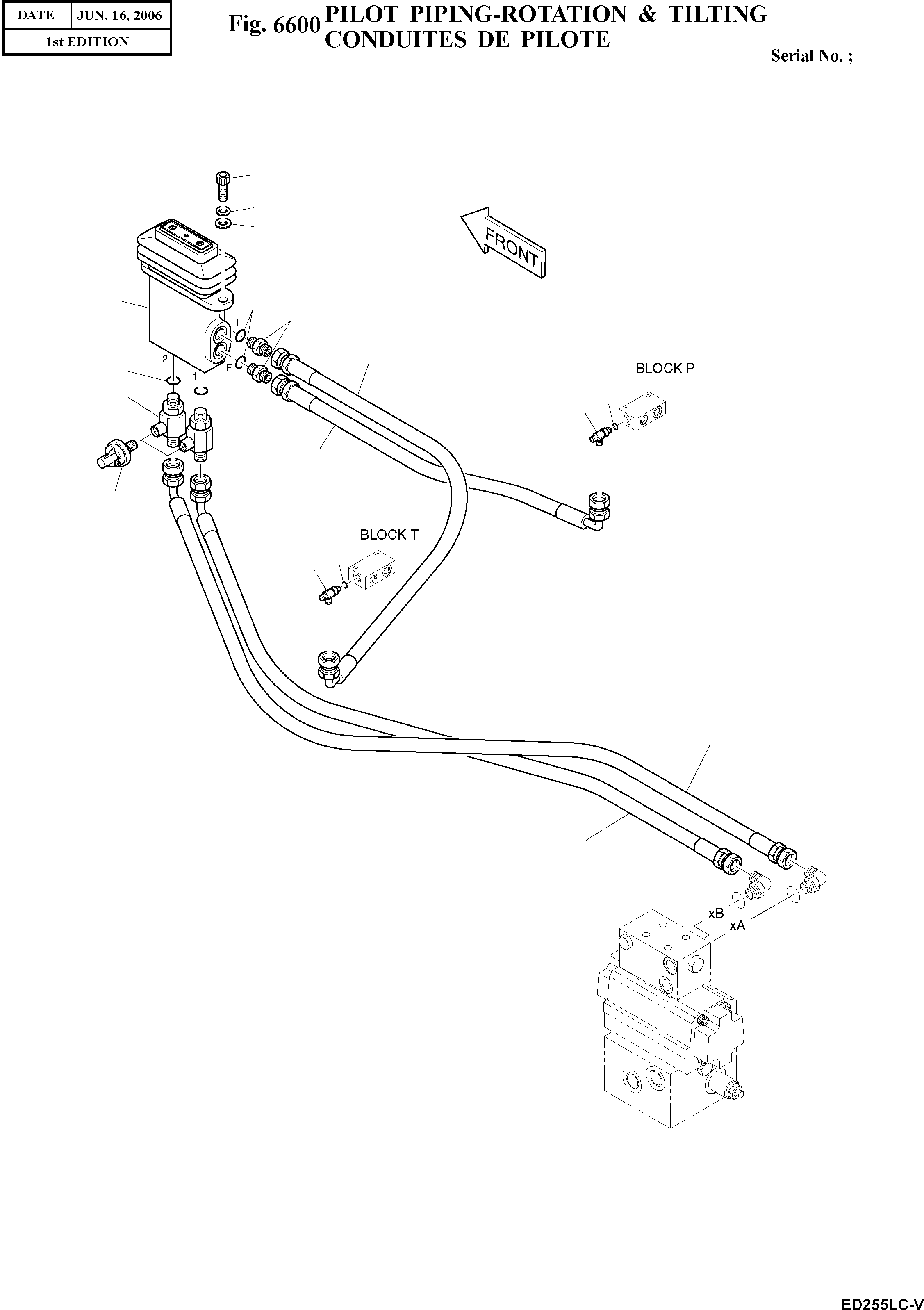
Запчасти Doosan Daewoo PILOT PIPING-ROTATION & TILTING OPTIONAL PARTS

2
3
4
1
6
5
11
6
8
9
7
12
10
8
7
14
13
FIT
1:1
100%

Артикул

Название

Примечание

Количество

-

400-01123

PILOTPIPING;TILTING & ROTATING

SC: D

-2шт.

1

420-00347

VALVE;PEDAL

desc: VANNE

1шт.

2

S2212266

BOLT;SOCKET M10X1.5X30

desc: BOULON A 6PANS

2шт.

3

S5110603

WASHER;SPRING M10

desc: RONDELLE ELASTIQUE

2шт.

4

S5010613

WASHER;PLAIN M10

desc: RONDELLE PLATE

2шт.

5

2181-1126D14

ADAPTER PFO1/4-PF1/4

desc: ADAPTEUR

2шт.

6

S8000111

O-RING

desc: JONT TORIQUE

4шт.

7

2181-1951D6

TEE PFO3/8-PF3/8-PF1/4

desc: TE

2шт.

8

S8000141

O-RING

desc: JONT TORIQUE

2шт.

9

181-00760

TEE

desc: TE

2шт.

10

549-00010

SWITCH;PRESSURE

desc: INTERRUPTEUR

2шт.

11

2184-1046D153

HOSE PF1/4-350L

desc: TUYAU FLEXIBLE

1шт.

12

2184-1046D33

HOSE PF1/4-620L

desc: TUYAU FLEXIBLE

1шт.

13

2184-1046D226

HOSE PF3/8-2900L

desc: TUYAU FLEXIBLE

1шт.

14

2184-1046D226

HOSE PF3/8-2900L

desc: TUYAU FLEXIBLE

1шт.

Выбрано товаров: 15