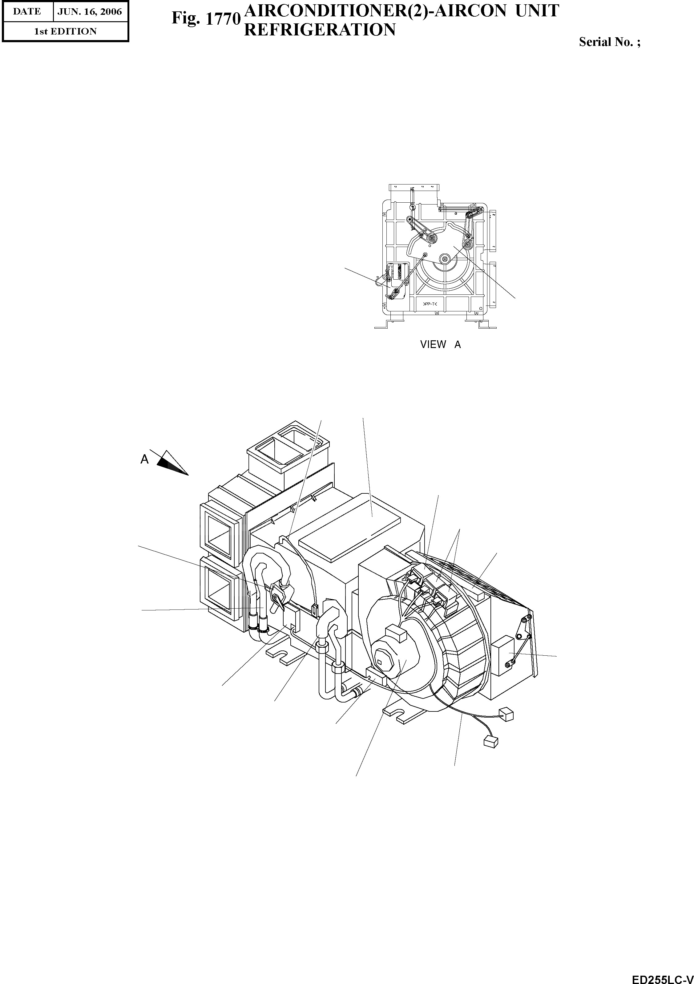
Запчасти Doosan Daewoo AIRCONDITIONER(2)-AIRCON UNIT UPPER STRUCTURE

27H
27L
27F
27K
27B
27A
27J
27E
27G
27C
27D
27
27I
27E
27M
FIT
1:1
100%

Артикул

Название

Примечание

Количество

-

920-00082

COOLER ASS'Y

SC: D

-2шт.

27

920-00020B

UNIT;AIRCON

desc: CLE A MOLETTE

1шт.

27A

2538-6015

MOTOR;BLOWER 24V

desc: . MOTEUR

1шт.

27B

545-00003

RESISTOR;BLOWER

desc: . RESISTOR

1шт.

27C

2544-6023

RELAY 10A

desc: . RELAIS DEMARREUR

2шт.

27D

2544-6024

RELAY 20A

desc: . RELAIS DEMARREUR

1шт.

27E

2538-6016

MOTOR;INTAKE 24V

desc: . MOTEUR

2шт.

27F

2538-6017

MOTOR;MIX 12V

desc: . MOTEUR

1шт.

27G

2471-6050A

FILTER;AIRCON

desc: . FILTRE

1шт.

27H

2426-6048

VALVE;STEM

desc: . VANNE

1шт.

27I

2547-6033

SENSOR;TEMPERATURE

desc: . CAPTEUR REGIME

1шт.

27J

2530-6005A

HARNESS;AIRCON UNIT

desc: . FAISCEAU

1шт.

27K

2920-6111

EVAPORATOR

desc: . CHAUFFAGE

1шт.

27L

2920-6112

HEATER CORE

desc: . CHAUFFAGE

1шт.

27M

133-00161

MAIN LEVER

desc: . LEVIER

1шт.

Выбрано товаров: 15