Запчасти Doosan Daewoo ELECTRIC WIRING(3)-RELATED PARTS UPPER STRUCTURE

25
26
27
1
24
29
29
29
29
31
32
33
28
18
20
21
19
29
17
29
29
4
17
20
2
FIT
1:1
100%

Артикул

Название

Примечание

Количество

-

500-00139

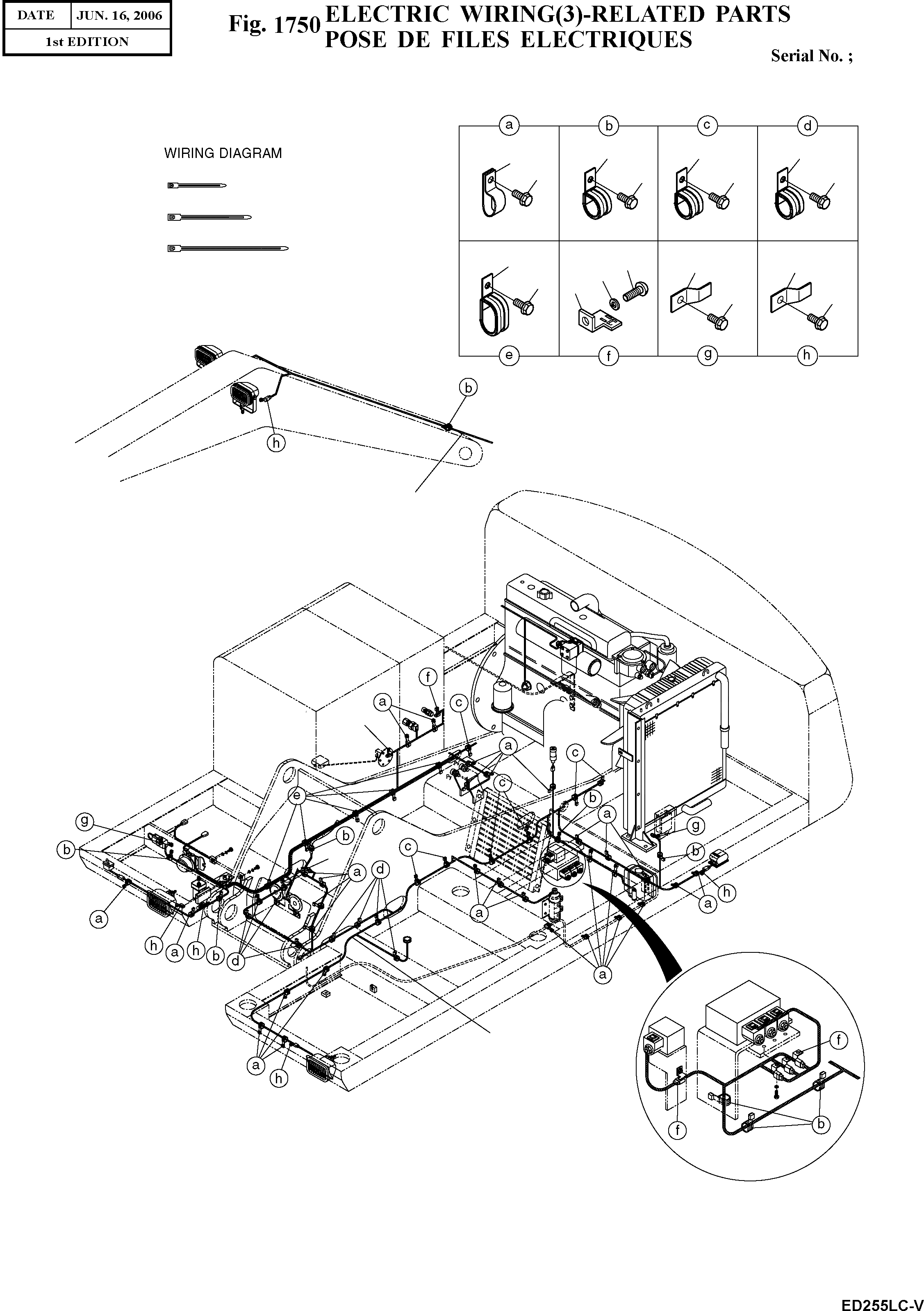
ELECTRIC WIRING(3)

SC: D

-2шт.

1

599-00043A

WIRING DIAGRAM

SC: D

1шт.

2

530-00114A

HARNESS;MAIN

desc: FAISCEAU

1шт.

2A

2548-1027

DIODE ASS'Y 3A

desc: . DIODE

7шт.

2B

548-00003A

DIODE ASS'Y 3A

desc: . DIODE

1шт.

4

530-00311D3

HARNESS;WORKING LAMP

desc: FAISCEAU

1шт.

17

2195-3500

BRACKET;HOUSING

desc: SUPPORT

7шт.

18

S3450953

SCREW M6X1.0X12

desc: VIS

6шт.

19

S5102303

WASHER;SPRING M6

desc: RONDELLE ELASTIQUE

1шт.

20

S5102303

WASHER'SPRING M6

desc: RONDELLE ELASTIQUE

3шт.

21

2197-1660

BRACKET;HOUSING W15

desc: SUPPORT

6шт.

24

2124-1509D1

CLIP D12/M8

desc: ATTACHE

30шт.

25

124-00208D2

CLIP D14/M8

desc: ATTACHE

8шт.

26

124-00208D3

CLIP D20/M8

desc: ATTACHE

7шт.

27

124-00208D4

CLIP D26/M8

desc: ATTACHE

8шт.

28

124-00208D5

CLIP D32/M8

desc: ATTACHE

5шт.

29

120-00276

BOLT M8X1.25X12

desc: BOULON A 6 PANS

70шт.

31

2124-1622D1

CLIP;BAND 150L

desc: ATTACHE

10шт.

32

2124-1622D2

CLIP;BAND 200L

desc: ATTACHE

15шт.

33

2124-1622D3

CLIP;BAND 280L

desc: ATTACHE

10шт.

Выбрано товаров: 20