Запчасти Doosan Daewoo ENGINE MOUNTING UPPER STRUCTURE

15
14
21
19
22
20
13
1
14
17
16
18
16
14
11
15
50
14
18
22
12
21
13
44
14
15
20
13
15
14
16
14
18
17
45
12
13
14
16
FIT
1:1
100%

Артикул

Название

Примечание

Количество

-

201-00106A

ENGINE ASS'Y

SERIAL: 50001-50120

-2шт.

-

201-00106B

ENGINE ASS'Y

SERIAL: 50121-50160

-2шт.

-

201-00106E

ENGINE ASS'Y

SERIAL: 50161

-2шт.

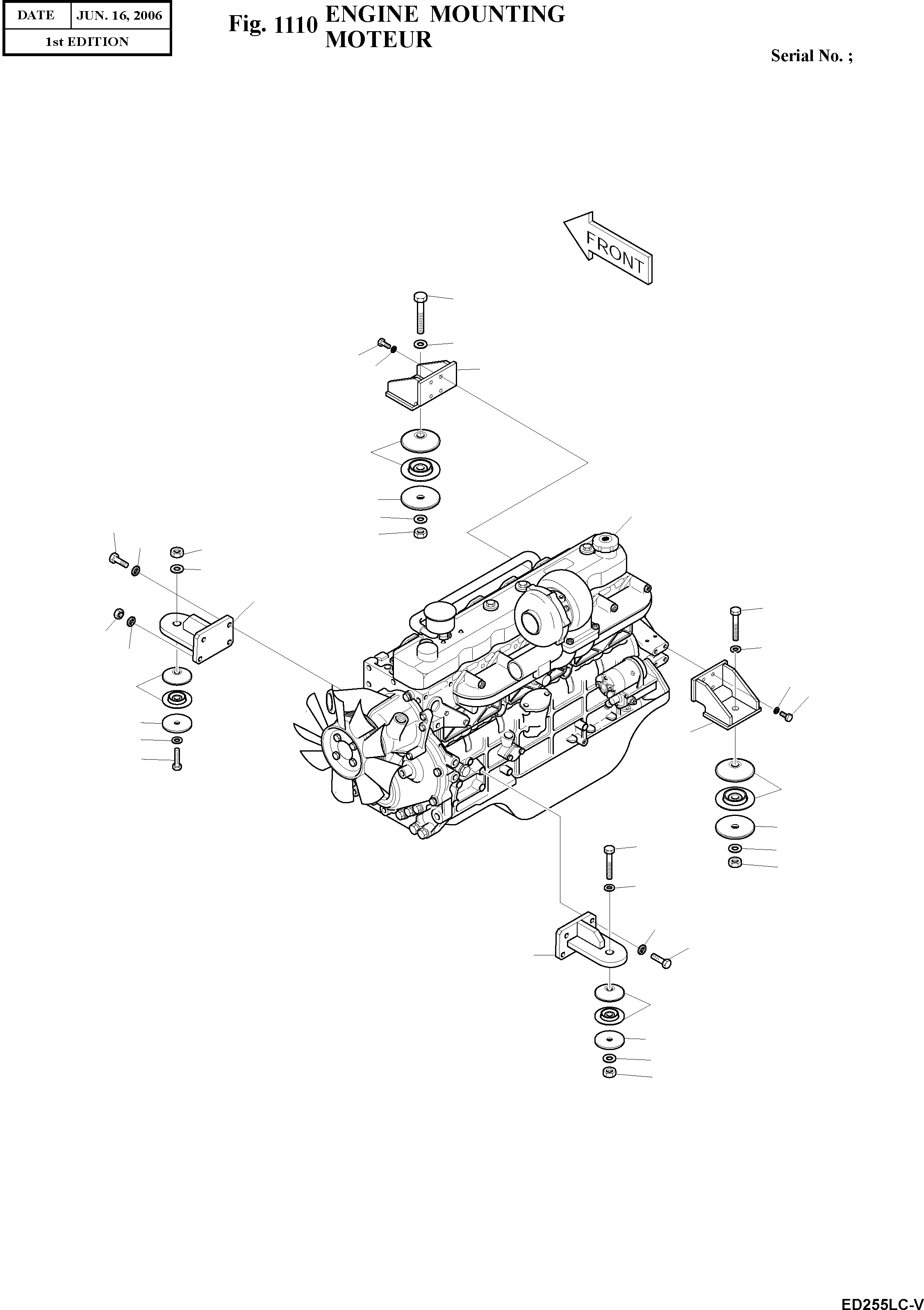
1

201-00107

ENGINE ASS'Y(DB58TIS)

desc: MOTEUR

1шт.

11

195-01927

BRACKET

desc: SUPPORT

1шт.

12

4161-9067

RUBBER;E/G MOUNTING

SERIAL: 50001-50050

4шт.

12

161-00550

RUBBER;E/G MOUNTING

SERIAL: 50051

4шт.

13

2114-1929

WASHER

desc: RONDELLE

4шт.

14

2114-9012A

WASHER

desc: RONDELLE

8шт.

15

S0771466

BOLT M20X1.5X130

SERIAL: 50001-50070

4шт.

15

S0771266

BOLT M20X1.5X120

SERIAL: 50071-50120

4шт.

15

S0771466

BOLT M20X1.5X130

SERIAL: 50121

4шт.

16

121-00066

NUT;LOCK

desc: ECROU

4шт.

17

S0712253

BOLT M10X1.25X30

desc: BOULON A 6 PANS

7шт.

18

S5102603

WASHER;SPRING

desc: RONDELLE ELASTIQUE

8шт.

19

195-01925

BRACKET

desc: SUPPORT

1шт.

20

2161-9065

RUBBER;E/G MOUNTING

SERIAL: 50001-50050

4шт.

20

161-00551

RUBBER;E/G MOUNTING

SERIAL: 50051

4шт.

21

S0786253

BOLT M12X1.5X30

desc: BOULON A 6 PANS

8шт.

22

S5102703

WASHER;SPRING

desc: RONDELLE ELASTIQUE

8шт.

44

195-01924

BRACKET

desc: SUPPORT

1шт.

45

195-01926

BRACKET

desc: SUPPORT

1шт.

50

S4032633

NUT M10X1.25

desc: ECROU

1шт.

Выбрано товаров: 23