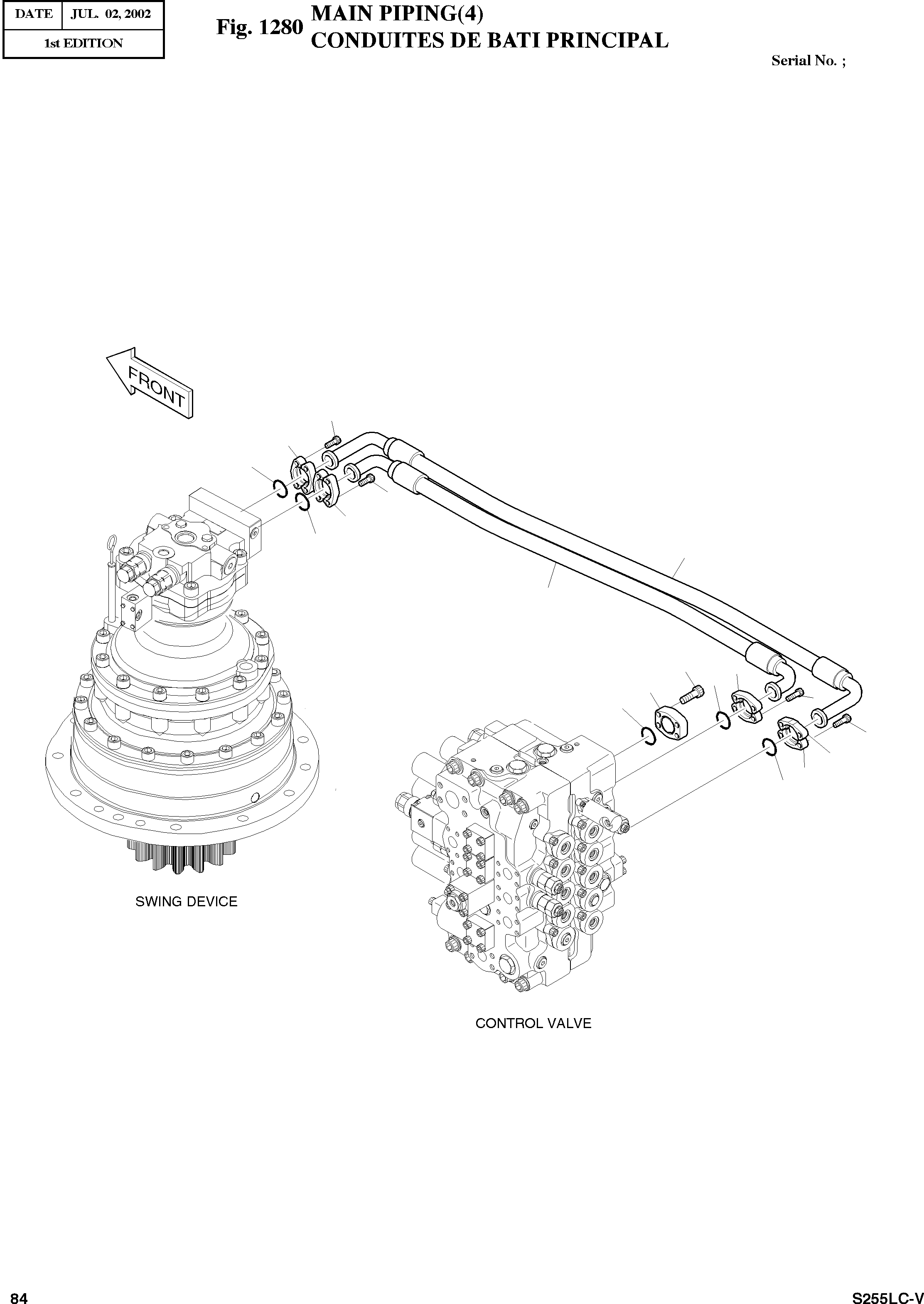
Запчасти Doosan Daewoo MAIN PIPING(4) BODY PARTS

25
15
12
12
15
25
31
30
17
13
26
20
14
22
22
18
17
13
FIT
1:1
100%

Артикул

Название

Примечание

Количество

-

400-00939A

MAIN PIPING

SC: D

-2шт.

12

2180-1026D2

O-RING

desc: JOINT TORIQUE

2шт.

13

2180-1026D19

O-RING

desc: JOINT TORIQUE

2шт.

14

2180-1026D24

O-RING

desc: JOINT TORIQUE

1шт.

15

2181-9079

FLANGE;SPLIT

desc: BRIDE

4шт.

17

2181-9078

FLANGE

desc: BRIDE

3шт.

18

2181-9083

FLANGE;SPLIT

desc: BRIDE

1шт.

20

2181-2157D6

FLANGE:COVER

desc: BRIDE

1шт.

22

S2212266

BOLT;SOCKET M10X1.5X30

desc: BOULON A 6 PANS CREUX

8шт.

25

S2213066

BOLT;SOCKET M10X1.5X70

desc: BOULON A 6 PANS CREUX

8шт.

26

S2215466

BOLT;SOCKET M10X1.75X40

desc: BOULON A 6 PANS CREUX

4шт.

30

DS2045297

HOSE

desc: TUYAU FLEXIBLE

1шт.

31

DS2045298

HOSE

desc: TUYAU FLEXIBLE

1шт.

Выбрано товаров: 13