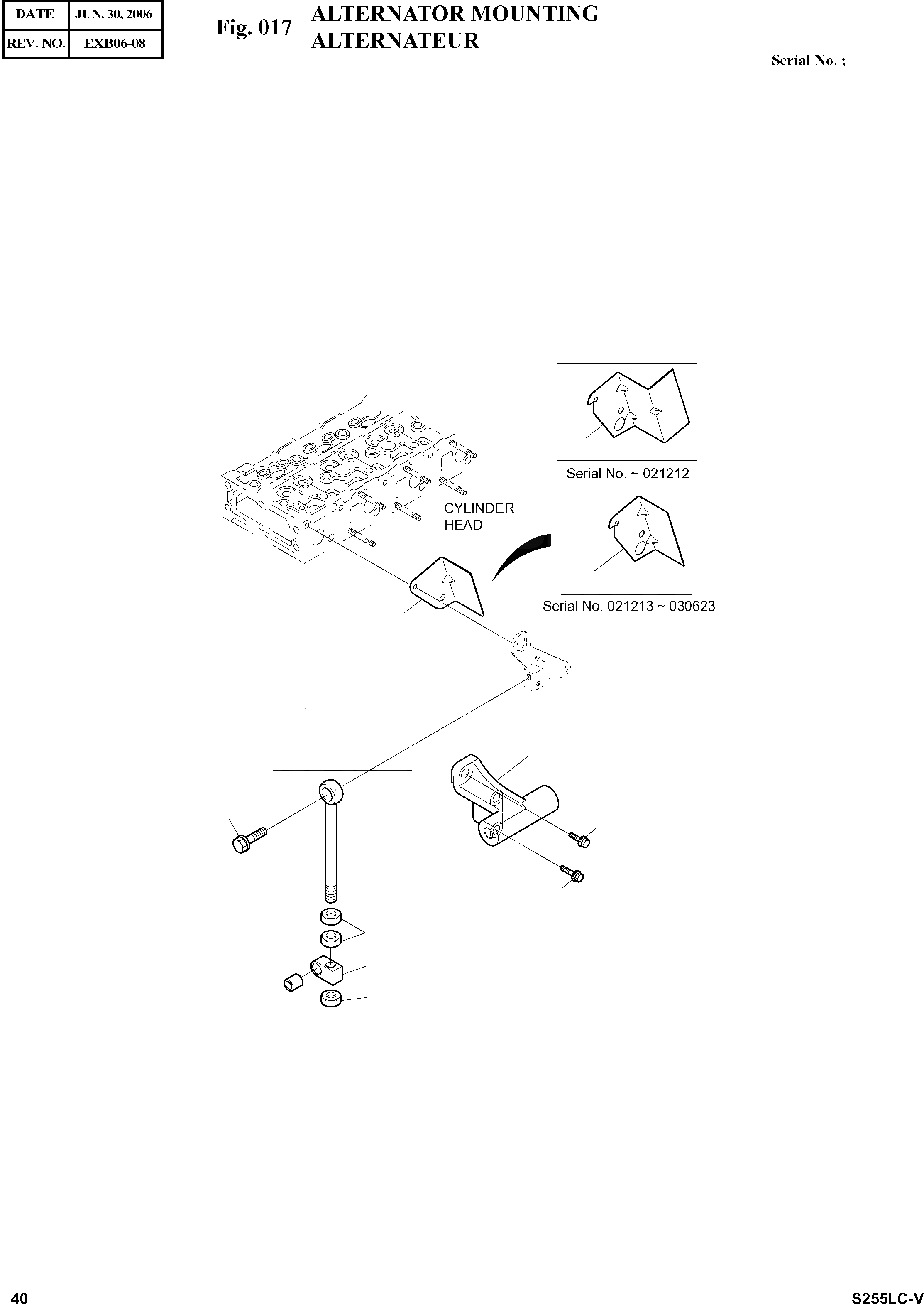
Запчасти Doosan Daewoo ALTERNATOR MOUNTING ENGINE PARTS

15
15
15
1
14
2
10
3
13
12
11
13
5
FIT
1:1
100%

Артикул

Название

Примечание

Количество

1

65.19102-0013B

BRACKET

desc: SUPPORT

1шт.

2

06.01944-3215

BOLT ASS'Y M10X1.25X25

desc: BOULON A 6 PANS

1шт.

3

06.01943-3218

BOLT ASS'Y M10X1.25X35

desc: BOULON A 6 PANS

2шт.

5

65.19103-6010

EYE BOLT ASS'Y

SERIAL: 060526

1шт.

5

65.19103-6010A

EYE BOLT ASS'Y

SERIAL: 060527

1шт.

10

65.90441-0009A

BOLT;EYE

SC: D

1шт.

11

65.19107-0001

PIPECE;GUIDE

SERIAL: 060526

1шт.

11

65.19107-0001A

PIPECE;GUIDE

SERIAL: 060527

1шт.

12

65.93020-0055

BUSH

SC: D

1шт.

13

06.11063-9217

NUT;HEX

SC: D

3шт.

14

06.01943-3319

BOLT ASS'Y M12X1.5X40

desc: BOULON 6 A PANS

1шт.

15

65.08120-0042A

SCREEN;HEAT

SERIAL: 021212

1шт.

15

65.08120-0025

SCREEN;HEAT

SERIAL: 030623

1шт.

15

65.08120-0027

SCREEN;HEAT

SERIAL: 030624

1шт.

Выбрано товаров: 14