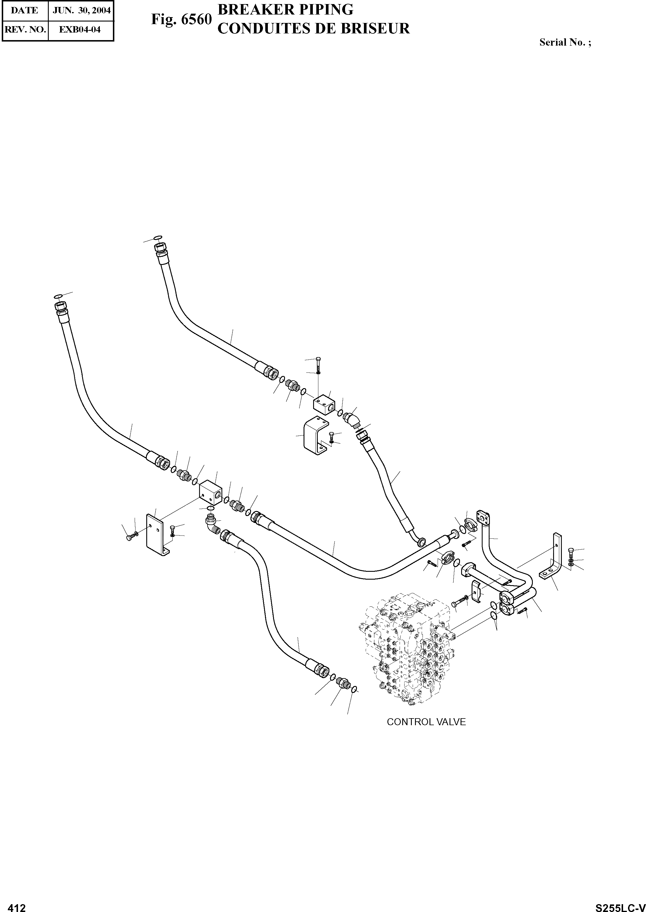
Запчасти Doosan Daewoo BREAKER PIPING OPTION PARTS

23
23
6
27
22
3
23
24
30
14
23
8
24
21
19
22
24
14
23
5
4
23
14
24
20
12
23
10
17
29
28
21
7
22
2
25
13
17
26
11
13
12
10
16
15
17
1
18
11
9
10
24
14
23
FIT
1:1
100%

Артикул

Название

Примечание

Количество

-

400-01015A

BREAKER PIPING

SC: D

-2шт.

1

140-01231A

PIPE

desc: TUYAU

1шт.

2

140-01252A

PIPE

desc: TUYAU

1шт.

3

423-00044

VALVE;BLOCK

desc: VANNE

1шт.

4

2420-9633A

VALVE;SWITCH(1')

desc: VANNE

1шт.

5

DS2017035

HOSE

desc: TUYAU FLEXIBLE

1шт.

6

DS2011328

HOSE

desc: TUYAU FLEXIBLE

1шт.

7

DS2016015

HOSE

desc: TUYAU FLEXIBLE

1шт.

8

DS2011329

HOSE

desc: TUYAU FLEXIBLE

1шт.

9

DS2011334

HOSE

desc: TUYAU FLEXIBLE

1шт.

10

2180-1026D19

O-RING

desc: JONT TORIQUE

4шт.

11

S2212466

BOLT;SOCKET M10X1.5X40

desc: BOULON A 6PANS

8шт.

12

2181-9078

FLANGE;SPLIT

desc: BRIDE

4шт.

13

S2212266

BOLT;SOCKET M10X1.5X30

desc: BOULON A 6PANS

8шт.

14

2181-4133D6

ADAPTER

desc: RACCORD ADAPTATEUR

4шт.

15

195-02060

BRACKET

desc: SUPPORT

1шт.

16

2124-1025D5

CLAMP;PIPE

desc: ATTACHE DE TUBE

1шт.

17

S5102703

WASHER;SPRING M12

desc: RONDELLE ELASTIQUE

5шт.

18

S0561053

BOLT M12X1.75X65

desc: BOULON A 6PANS

1шт.

19

195-02058A

BRACKET

desc: SUPPORT

1шт.

20

195-02059A

BRACKET

SERIAL: 1001-1213

1шт.

20

195-02059B

BRACKET

SERIAL: 1214

1шт.

21

S0512253

BOLT M10X1.5X30

desc: BOULON A 6PANS

4шт.

22

S5102603

WASHER;SPRING M10

desc: RONDELLE ELASTIQUE

6шт.

23

S8030161

O-RING

desc: JONT TORIQUE

8шт.

24

S8000291

O-RING

desc: JONT TORIQUE

6шт.

25

S0515453

BOLT M12X1.75X40

desc: BOULON A 6PANS

2шт.

26

S5010713

WASHER;PLAIN M12

desc: RONDELLE

2шт.

27

S0558853

BOLT M10X1.5X65

desc: BOULON A 6PANS

2шт.

28

2181-2815D1

ELBOW

desc: ECROU

1шт.

29

S0515253

BOLT M12X1.75X30

desc: BOULON A 6PANS

2шт.

30

2181-2816D2

ELBOW

desc: COUDE

1шт.

Выбрано товаров: 32