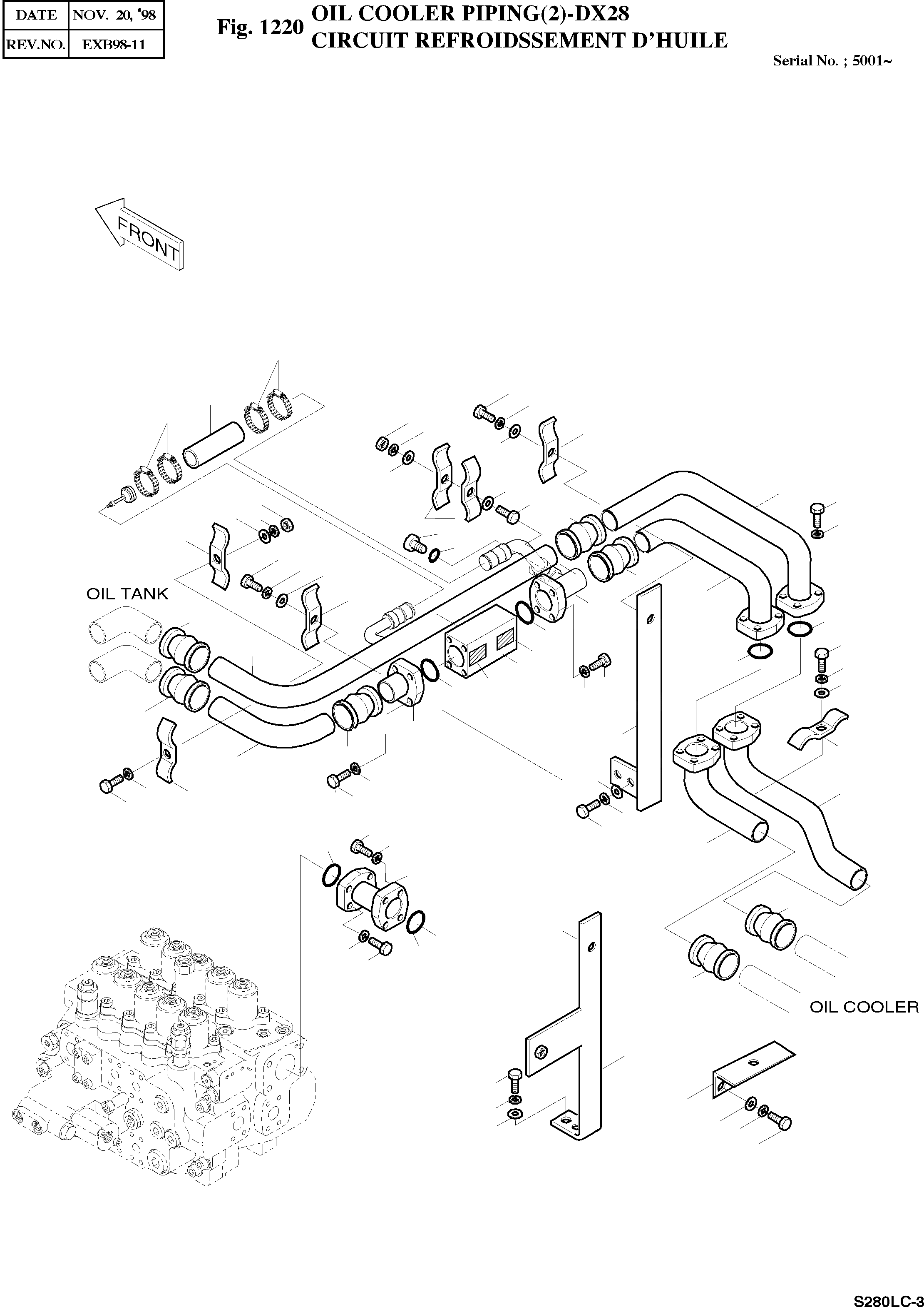
Запчасти Doosan Daewoo OIL COOLER PIPING(2)-DX28 BODY PARTS

10
53
37
55
35
53
49
10
35
39
34
54
34
34
7
49
32
37
35
34
39
45
39
23
37
35
34
8
39
46
30
30
37
3
50
51
30
35
9
34
32
30
47
33
39
2
34
6
34
39
32
37
35
32
36
30
5
4
31
31
30
10
44
10
10
10
31
40
36
48
35
34
34
35
36
10
31
31
FIT
1:1
100%

Артикул

Название

Примечание

Количество

-

2400-1540

OIL COOLER PIPING

SC: D

-2шт.

2

2183-3861A

PIPE

desc: CONDUITE

1шт.

3

2183-3862

PIPE

SERIAL: 5001-5204

1шт.

3

2140-1115A

PIPE

SERIAL: 5205

1шт.

4

2183-3780

PIPE

desc: CONDUITE

1шт.

5

2183-3514C

PIPE

desc: CONDUITE

1шт.

6

2183-3515C

PIPE

desc: CONDUITE

1шт.

7

2183-3863

PIPE

desc: CONDUITE

1шт.

8

2183-3864

PIPE

desc: CONDUITE

1шт.

9

2420-9354

VALVE;BY-PASS

SERIAL: 5001-6389

1шт.

9

2420-9354A

VALVE;BY-PASS

SERIAL: 6390-6805

1шт.

9

2420-9591

VALVE;BY-PASS

SERIAL: 6806

1шт.

10

2414-9001A

COUPLING

desc: FIXATION DE POMPE

7шт.

23

S8000291

O-RING P29

REP_PNO: 8202-023

1шт.

30

2180-1026D27

O-RING SAE2"

desc: JOINT TORIQUE

6шт.

31

S5110701

WASHER;SPRING M12

REP_PNO: 8131-009

24шт.

32

S2215461

BOLT;SOCKET M12X1.75X40

desc: BOULON A 6 PANS CREUX

20шт.

33

2195-3853

BRACKET

desc: SUPPORT

1шт.

34

S5010713

WASHER;PLAIN M12

desc: RONDELLE PLATE

13шт.

35

S5102703

WASHER;SPRING M12

desc: RONDELLE ELASTIQUE

11шт.

36

S0515453

BOLT M12X1.75X40

desc: BOULON A 6 PANS

6шт.

37

S0561353

BOLT M12X1.75X80

desc: BOULON A 6 PANS

5шт.

39

2124-1340D15

CLAMP;PIPE

desc: ATTACHE DE TUBE

7шт.

40

2195-3591

BRACKET

SERIAL: 5001-5119

1шт.

40

2195-3591A

BRACKET

SERIAL: 5120

1шт.

44

S2215361

BOLT;SOCKET M12X1.75X35

desc: BOULON A 6 PANS CREUX

4шт.

45

2181-1950D9

PLUG PF1"

desc: BOUCHON

1шт.

46

2183-3981A

PIPE

SERIAL: 5001-5204

1шт.

46

2140-1117

PIPE

SERIAL: 5205

1шт.

47

2183-3982

PIPE

desc: CONDUITE

1шт.

48

2192-1048A

ANGLE

desc: SUPPORT;ANGLE

1шт.

49

S4012733

NUT M12X1.75

desc: ECROU

2шт.

50

2190-2598

PLATE;NAME

SERIAL: 5065

1шт.

51

2190-2621

PLATE;NAME

SERIAL: 5065

1шт.

53

S8450053

CLAMP;HOSE

SERIAL: 5205

4шт.

54

2426-9006

VALVE;BY-PASS

SERIAL: 5205

1шт.

55

2185-1003D19

HOSE Ґх44.5-180L

SERIAL: 5205-5274

1шт.

55

2185-1003D29

HOSE Ґх46-Ґх60-180L

SERIAL: 5275

1шт.

Выбрано товаров: 38