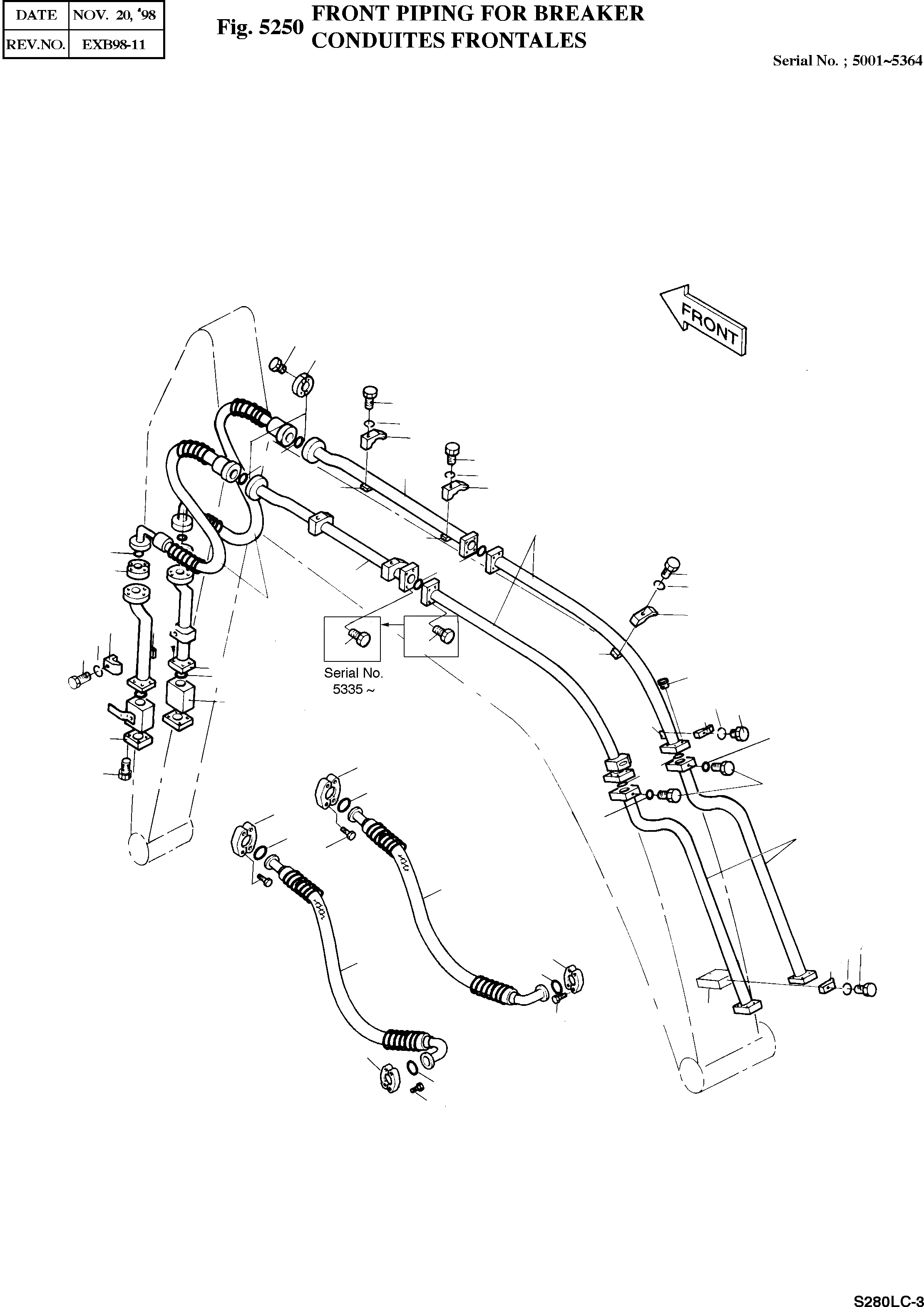
Запчасти Doosan Daewoo FRONT PIPING FOR BREAKER OPTION PARTS

15
13
17
18
16
11
17
4
18
19
16
2
19
11
11
13
17
3
18
6
16
20
16
18
15
49
17
20
5
15
11
18
7
17
16
20
10
8
13
11
12
11
9
13
10
11
1
15
31
15
17
18
31
13
16
11
14
13
11
14
21
FIT
1:1
100%

Артикул

Название

Примечание

Количество

-

2400-7067

FRONT PIPING FOR BREAKER

SERIAL: 5001-5364

-2шт.

1

2183-3812

PIPE

desc: CONDUITE

2шт.

2

2183-3533A

PIPE

desc: CONDUITE

2шт.

3

2183-3601

PIPE

SERIAL: 5001-5364

1шт.

3

2183-3601A

PIPE

SERIAL: 5365

1шт.

4

2183-3600

PIPE

SERIAL: 5001-5364

1шт.

4

2183-3600A

PIPE

SERIAL: 5365

1шт.

5

2183-3644

PIPE

desc: CONDUITE

2шт.

6

2184-1100D26

HOSE 2-1"-5000PSI-2000L

SERIAL: 5001-5364

2шт.

6

2184-1094D50

HOSE 2-1"-5000PSI-2050L

SERIAL: 5365

2шт.

7

2426-9011

VALVE;STOP

SERIAL: 5001-5364

2шт.

7

2426-9011A

VALVE;STOP

SERIAL: 5365

2шт.

8

2181-2078

FLANGE

desc: BRIDE

2шт.

9

2181-1950D5

PLUG PF3/4

desc: BOUCHON

2шт.

10

S8000241

O-RING P24

desc: JOINT TORIQUE

2шт.

11

2180-1026D19

O-RING SAE1"

desc: JOINT TORIQUE

16шт.

12

S2215361

BOLT;SOCKET M12X1.75X35

desc: BOULON A 6 PANS CRUEX

16шт.

13

2181-9078

FLANGE;SPLIT

desc: FLASQUE EN DEUX PARTIES

16шт.

14

S2212061

BOLT;SOCKET M10X1.5X25

desc: BOULON A 6 PANS CREUX

8шт.

15

S2212361

BOLT;SOCKET M10X1.5X35

SERIAL: 5001-5334

40шт.

15

S2212361

BOLT;SOCKET M10X1.5X35

SERIAL: 5335

36шт.

16

2124-1506

CLAMP;PIPE

desc: ATTACHE DE TUBE

14шт.

17

S0565661

BOLT M16X2.0X70

desc: BOULON A 6 PANS

14шт.

18

S5102901

WASHER;SPRING M16

desc: RONDELLE ELASTIQUE M16

14шт.

19

2191-1219D97

SEAT;SCREW

desc: VIS

4шт.

20

2191-1219D96

SEAT;SCREW

desc: VIS

8шт.

21

2191-3114

SEAT;SCREW

desc: VIS

2шт.

31

2184-1100D21

HOSE 2-1"-5000PSI-1550L

desc: TUYAU FLEXIBLE

2шт.

49

S2212461

BOLT;SOCKET M10X1.5X40

SERIAL: 5335

8шт.

Выбрано товаров: 29