Запчасти Doosan Daewoo ENGINE MOUNTING BODY PARTS

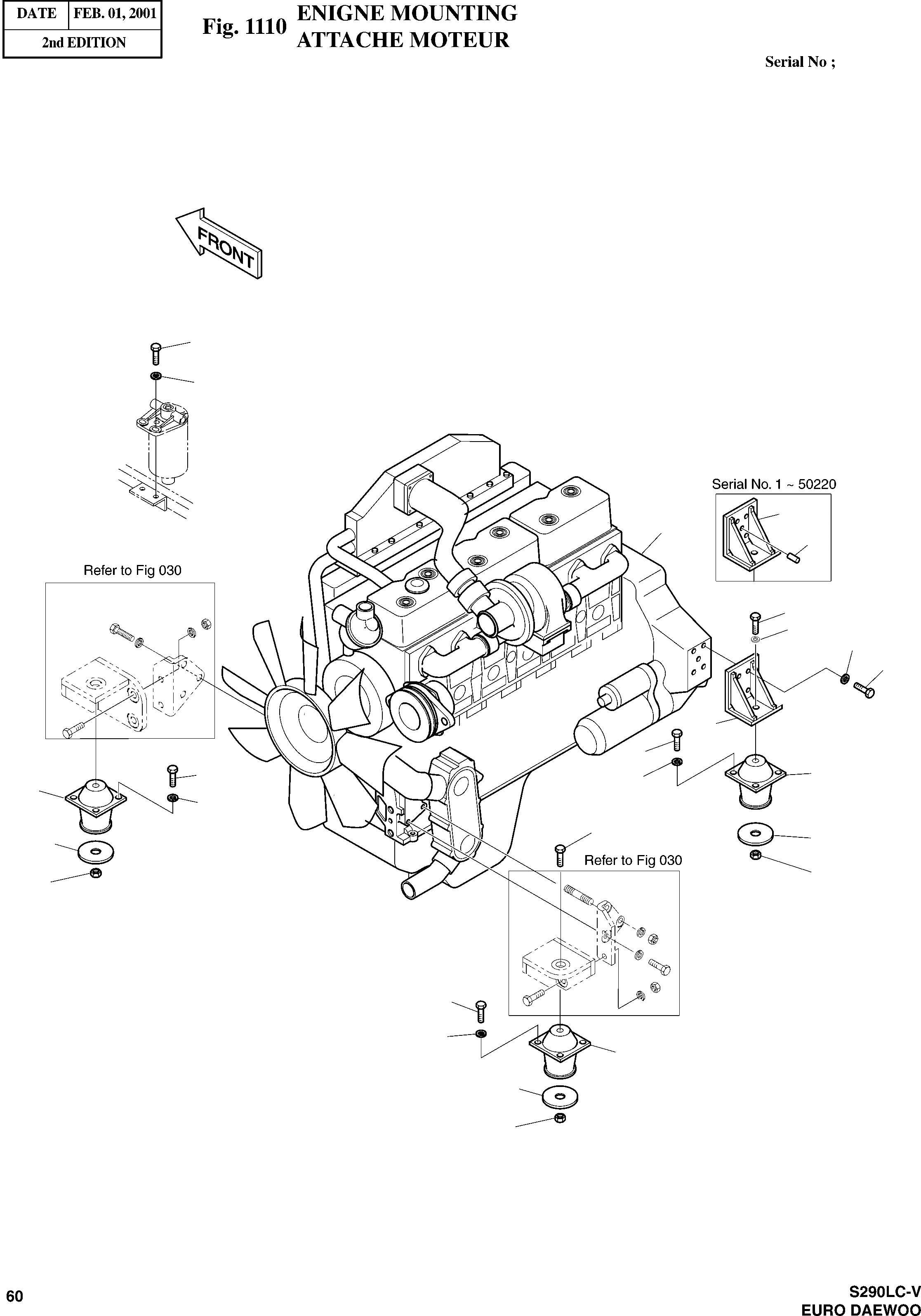
39
28
29
1
30
37
47
32
31
29
35
33
35
42
34
42
37
36
36
38
38
35
42
34
36
38
FIT
1:1
100%

Артикул

Название

Примечание

Количество

-

2201-1073A

ENGINE ASS'Y

SC: D

-2шт.

1

2201-9059

ENGINE-D1146TI

desc: MOTEUR

1шт.

28

S5010713

WASHER;PLAIN

desc: RONDELLE PLATE

2шт.

29

2197-1433B

BRACKET

SERIAL: 1-50220

2шт.

29

2197-1433C

BRACKET

SERIAL: 50221

2шт.

30

2123-1066

PIN;KNOCK

SERIAL: 1-50220

2шт.

31

S0515253

BOLT M12X1.75X30

desc: BOULON A 6 PANS

8шт.

32

S5102703

WASHER;SPRING M12

desc: RONDELLE GROWER

8шт.

33

2161-9062

RUBBER;E/G MOUNTING

desc: SILENT BLOC

2шт.

34

2161-9404

RUBBER;E/G MOUNTING

desc: SILENT BLOC

2шт.

35

S0512053

BOLT M10X1.5X25

desc: BOULON A 6 PANS

16шт.

36

2114-4024

WASHER;BUMP

ICA: I

4шт.

36

2114-4024A

WASHER;BUMP

desc: RONDELLE

4шт.

37

S0766661

BOLT M16X1.5X120

desc: BOULON A 6 PANS

4шт.

38

S4032933

NUT M16X1.5

SERIAL: 1-50180

4шт.

38

121-00035

NUT M16X1.5

SERIAL: 50181

4шт.

39

S0515353

BOLT M12X1.75X35

desc: BOULON A 6 PANS

2шт.

42

S5010613

WASHER;PLAIN M10

desc: RONDELLE PLATE

16шт.

47

2114-1816

WASHER;HARDEN

SERIAL: 1-50180

2шт.

Выбрано товаров: 19