Качественные детали и логистика
Оригинальные и аналоговые запчасти с доставкой по России, Казахстану и Беларуси
©2022 PartSell ООО "Система" ИНН 2463123282 ОГРН 1212400004838
Центральный офис: г. Красноярск, Академика Киренского, д.87, пом.4
Телефон: 8 (800) 777-65-74 Email: zakaz@partsell.ru
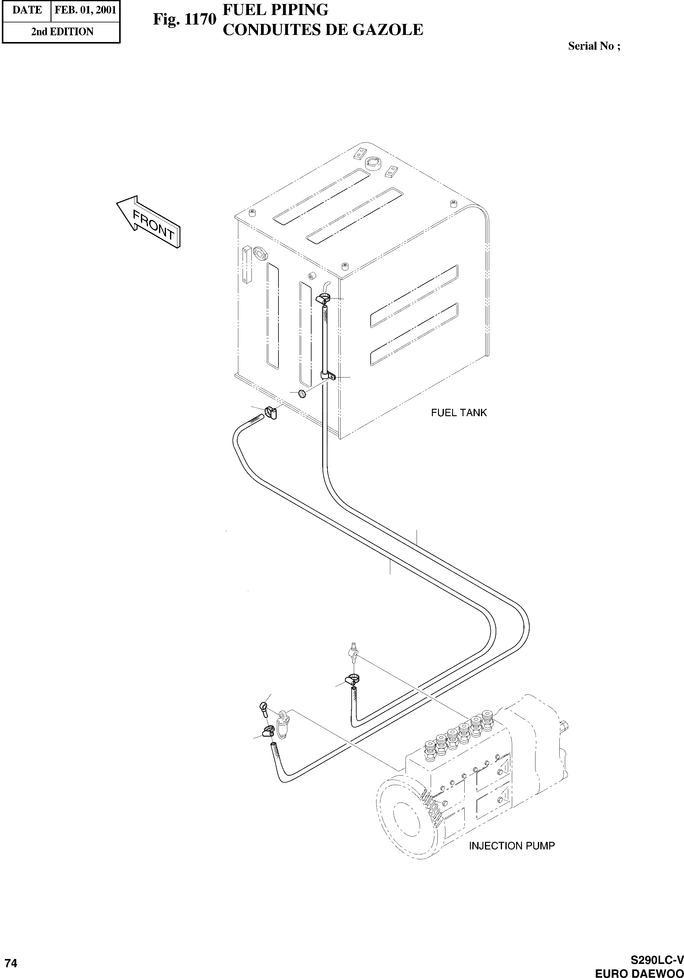
FUEL PIPING
№
Артикул
Название
Примечание
Количество
-
2470-2075A
FUEL TANK ASS'Y
SC: D
-2шт.
15
S8450012
CLAMP;HOSE
desc: COLLIER
4шт.
16
2181-9015
PIPE;FUEL
desc: CANALISATION DE GAZOLE
1шт.
17
2185-1247D122
HOSE;FUEL
desc: TUYAU FLEXIBLE
2шт.
21
2124-1509D2
CLIP
desc: ATTACHE
22
S4012533
NUT M4X1.25
desc: ECROU
Выбрано товаров: 0