Качественные детали и логистика
Оригинальные и аналоговые запчасти с доставкой по России, Казахстану и Беларуси
©2022 PartSell ООО "Система" ИНН 2463123282 ОГРН 1212400004838
Центральный офис: г. Красноярск, Академика Киренского, д.87, пом.4
Телефон: 8 (800) 777-65-74 Email: zakaz@partsell.ru
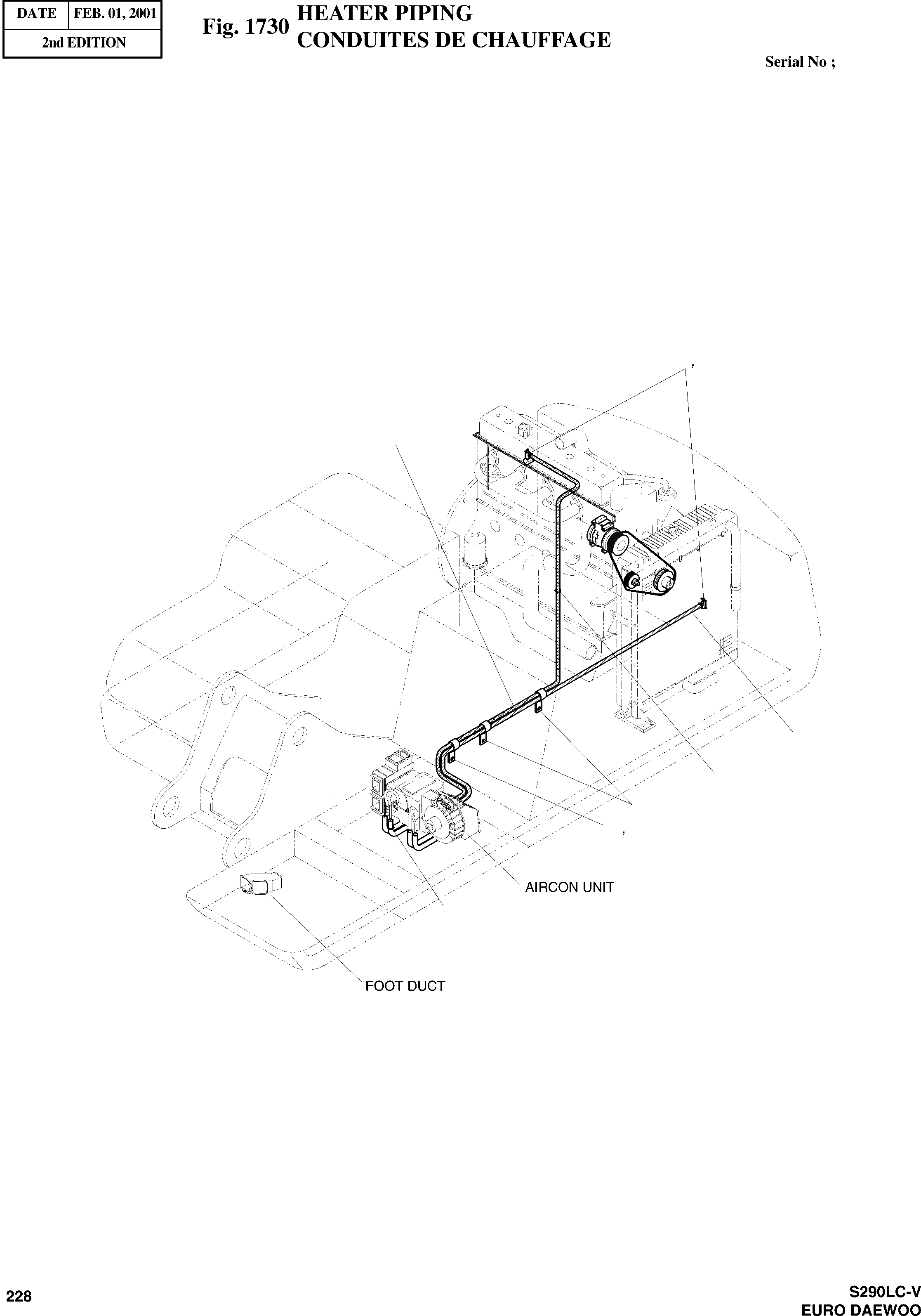
HEATER PIPING
№
Артикул
Название
Примечание
Количество
-
2920-1077
COOLER & HEATER ASS'Y
SC: D
-2шт.
29
2185-1308D4
HOSE;RUBBER D13-2800L
desc: FLEXIBLE CAOUTCHOUC
1шт.
30
S8450016
CLAMP;HOSE
desc: COLLIER
4шт.
31
2186-9005
COCK
desc: ROBINET
2шт.
32
2124-1509D5
CLIP D36/M8
desc: ATTACHE DE TUYAU
3шт.
35
2124-1622D3
CLIP;BAND 280L
desc: ATTACHE
5шт.
36
2124-1509D2
CLIP
37
2185-1308D6
HOSE;RUBBER
desc: TUYAU
Выбрано товаров: 0