Запчасти Doosan Daewoo MAIN PIPING(2) BODY PARTS

6
33
26
24
30
31
15
5
10
3
6
4
9
7
6
45
9
3
10
2
11
3
12
FIT
1:1
100%

Артикул

Название

Примечание

Количество

-

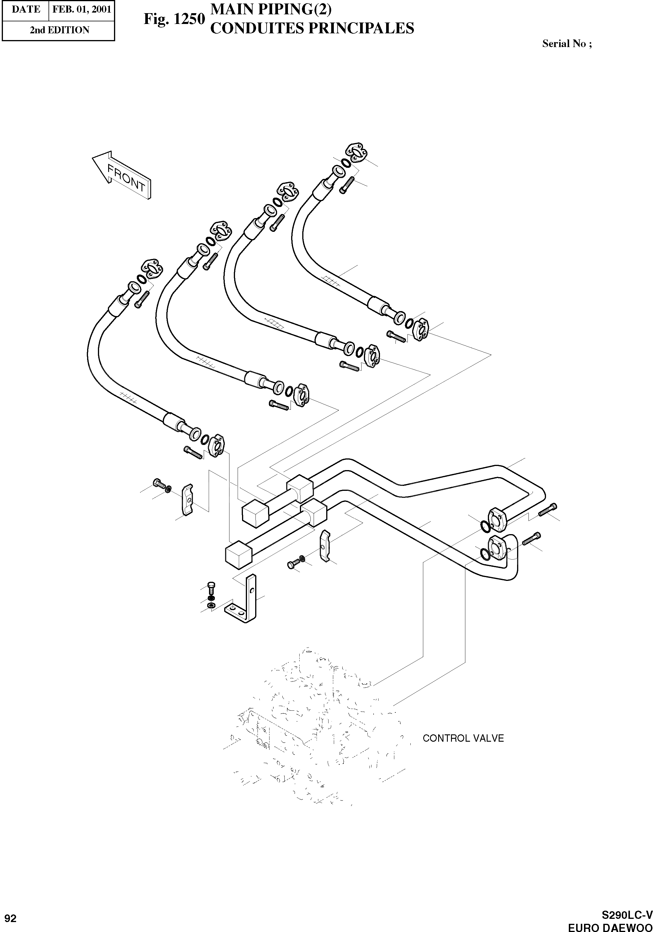
2400-1774A

MAIN PIPING

SERIAL: 1-50220

-2шт.

-

9400-1089

MAIN PIPING

SERIAL: 50221

-2шт.

2

S0515353

BOLT M12X1.75X35

desc: BOULON A 6 PANS

2шт.

3

S5102703

WASHER;SPRING M12

desc: RONDELLE GROWER

4шт.

4

2140-1369

PIPE

desc: TUYAU

1шт.

5

2140-1370

PIPE

SERIAL: 00001-50140

1шт.

5

2140-1370A

PIPE

SERIAL: 50141

1шт.

6

2180-1026D19

O-RING

desc: JOINT TORIQUE

6шт.

7

S2212361

BOLT;SOCKET M10X1.5X35

desc: BOULON A 6 PANS CREUX M10X1.5X35

4шт.

9

2124-1025D5

CLAMP;PIPE

desc: ATTACHE DE TUBE

2шт.

10

S0561053

BOLT M12X1.75X65

desc: BOULON A 6 PANS

2шт.

11

2891-1385A

PLATE

desc: PLAQUE

1шт.

12

2114-1058D30

WASHER;PLAIN

desc: RONDELLE PLATE

2шт.

15

S2212061

BOLT;SOCKET M10X1.5X25

desc: BOULON A 6 PANS CREUX

16шт.

24

2184-1081D115

HOSE PF1-PF3/4-985L

desc: TUYAU FLEXIBLE

4шт.

26

S2212261

BOLT;SOCKET M10X1.5X30

desc: BOULON A 6 PANS CREUX

16шт.

30

2180-1026D2

O-RING

desc: JOINT TORIQUE

4шт.

31

2181-9079

FLANGE;SPLIT

desc: FLASQUE EN DEUX PARTIES

8шт.

33

2181-9078

FLANGE;SPLIT

desc: FLASQUE EN DEUX PARTIES

8шт.

45

S2212761

BOLT;SOCKET M10X1.5X55

desc: BOULON A 6 PANS

4шт.

Выбрано товаров: 20