Качественные детали и логистика
Оригинальные и аналоговые запчасти с доставкой по России, Казахстану и Беларуси
©2022 PartSell ООО "Система" ИНН 2463123282 ОГРН 1212400004838
Центральный офис: г. Красноярск, Академика Киренского, д.87, пом.4
Телефон: 8 (800) 777-65-74 Email: zakaz@partsell.ru
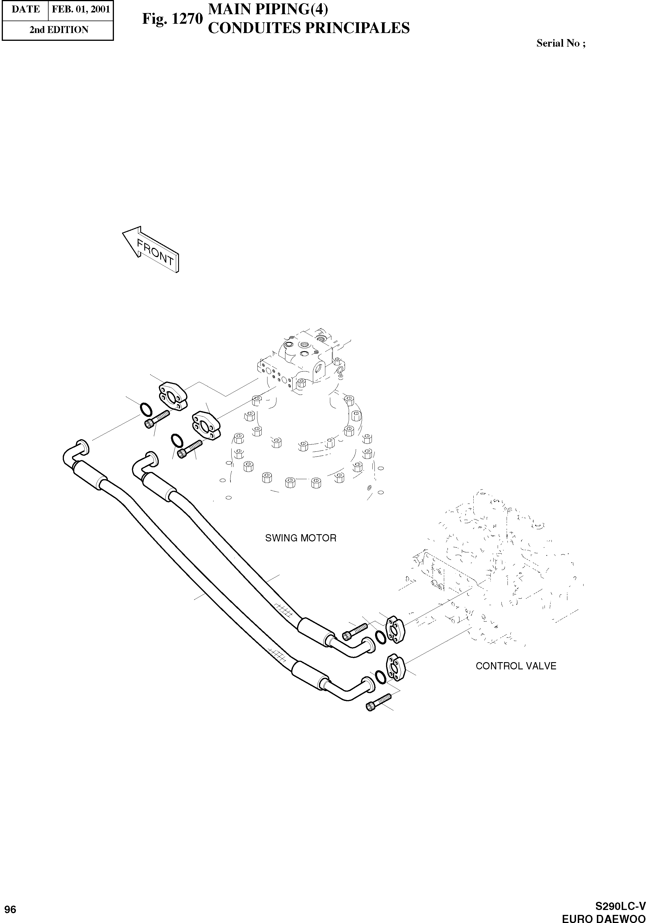
MAIN PIPING(4)
№
Артикул
Название
Примечание
Количество
-
2400-1774A
MAIN PIPING
SERIAL: 1-50220
-2шт.
9400-1089
SERIAL: 50221
21
2184-1100D114
HOSE PF3/4-590L
1шт.
2184-1100D250
HOSE PF3/4-600L
22
2184-1100D115
HOSE PF3/4-630L
desc: TUYAU FLEXIBLE
26
S2212261
BOLT;SOCKET M10X1.5X30
desc: BOULON A 6 PANS CREUX
16шт.
30
2180-1026D2
O-RING
desc: JOINT TORIQUE
4шт.
31
2181-9079
FLANGE;SPLIT
desc: FLASQUE EN DEUX PARTIES
8шт.
Выбрано товаров: 0