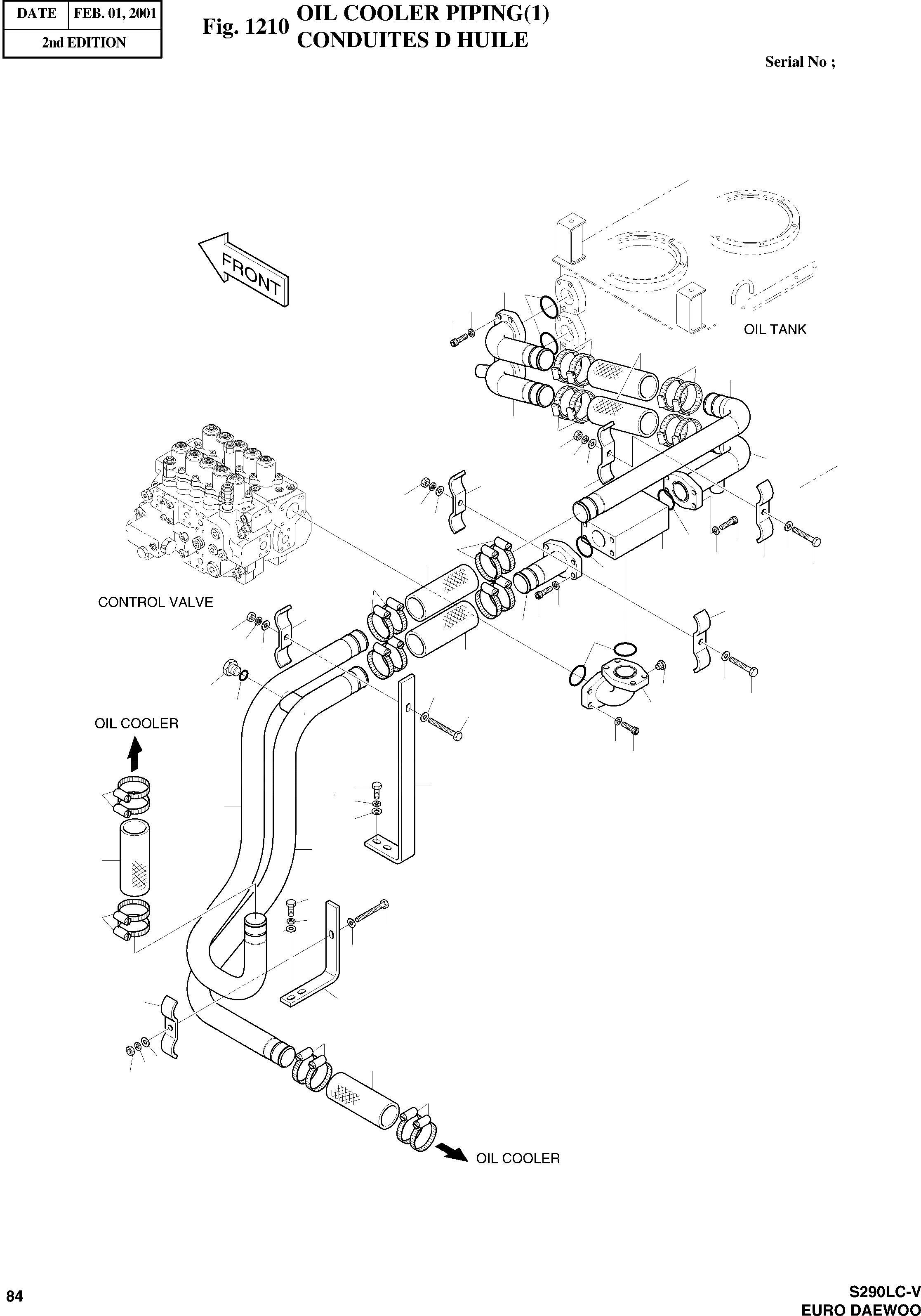
Запчасти Doosan Daewoo OIL COOLER PIPING(1) BODY PARTS

2
23
24
25
26
16
26
4
3
26
42
5
41
40
38
38
42
41
40
23
25
26
40
17
24
16
38
39
23
26
38
24
38
25
9
23
42
41
40
16
40
40
46
37
39
8
31
43
24
25
44
19
26
41
6
40
7
16
44
26
41
43
40
40
18
38
26
40
16
41
42
26
FIT
1:1
100%

Артикул

Название

Примечание

Количество

-

2400-1771A

OIL COOLER PIPING

SC: D

-2шт.

2

2140-1235A

PIPE

desc: TUYAU

1шт.

3

2140-1270A

PIPE

desc: TUYAU

1шт.

4

2140-1236

PIPE

desc: TUYAU

1шт.

5

2140-1238A

PIPE

desc: TUYAU

1шт.

6

2140-1243

PIPE

desc: TUYAU

1шт.

7

2140-1244

PIPE

desc: TUYAU

1шт.

8

2140-1240A

PIPE

desc: TUYAU

1шт.

9

2140-1239

PIPE

desc: TUYAU

1шт.

16

2185-1002D97

HOSE ID60.5-200L

SERIAL: 00001-50120

6шт.

16

2185-1776D1

HOSE ID60.5-200L

SERIAL: 50121

6шт.

17

2420-9591

VALVE;BY-PASS

SERIAL: 00001-50170

1шт.

17

420-00019

VALVE;BY-PASS

SERIAL: 50171

1шт.

18

2891-1089A

PLATE

desc: PLAQUE

1шт.

19

2891-1130

PLATE

desc: PLAQUE

1шт.

23

2180-1026D27

O-RING

desc: JOINT TORIQUE

6шт.

24

S5110701

WASHER;SPRING M12

desc: RONDELLE GROWER

24шт.

25

S2215461

BOLT;SOCKET M12X1.75X40

desc: BOULON A 6 PANS CREUX

24шт.

26

S8450066

CLAMP;HOSE

desc: COLLIER

24шт.

31

S8000291

O-RING

desc: JOINT TORIQUE

1шт.

37

2181-1950D9

PLUG PF1

desc: BOUCHON

1шт.

38

2124-1340D15

CLAMP;PIPE

desc: ATTACHE DE TUBE

6шт.

39

S0561353

BOLT M12X1.75X80

desc: BOULON A 6 PANS

2шт.

40

S5010713

WASHER;PLAIN

desc: RONDELLE PLATE

12шт.

41

S5102703

WASHER;SPRING M12

desc: RONDELLE GROWER

8шт.

42

S4012733

NUT M12X1.75

desc: ECROU

4шт.

43

S0561753

BOLT M12X1.75X100

desc: BOULON

2шт.

44

S0515453

BOLT M12X1.75X40

desc: BOULON

4шт.

46

2181-2047A

PLUG M10X1.0

desc: BOUCHON

1шт.

Выбрано товаров: 29