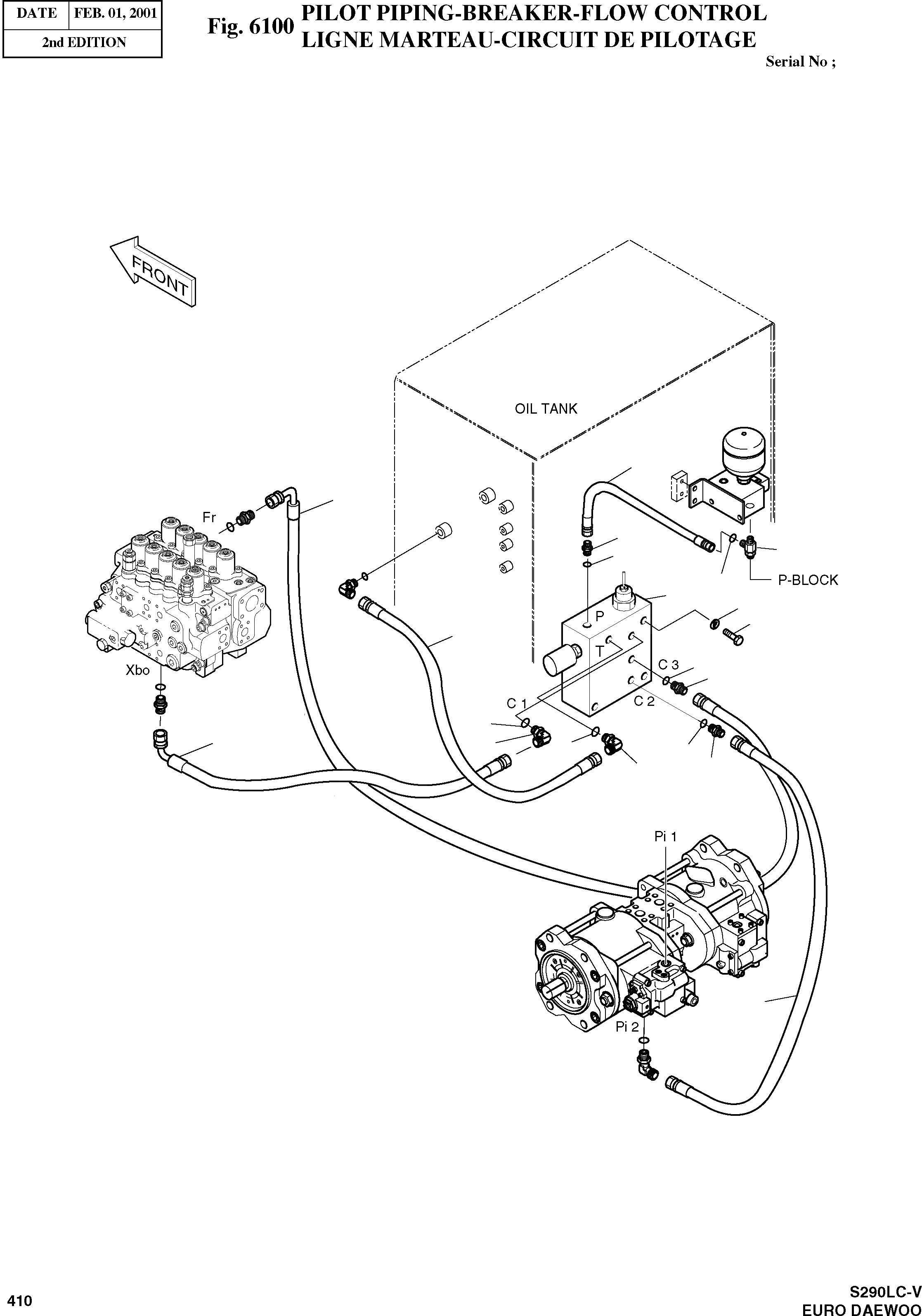
Запчасти Doosan Daewoo PILOT PIPING-BREAKER-FLOW CONTROL OPTION PARTS

12
10
4
7
5
8
1
3
2
13
5
4
5
11
6
5
5
4
6
9
FIT
1:1
100%

Артикул

Название

Примечание

Количество

-

2400-1890

PILOT PIPING-BREAKER

SC: D

-2шт.

1

2420-9227A

VALVE;BREAKER

desc: SOUPAPE A SOLENOIDE

1шт.

2

S0558953

BOLT M10X1.5X70

desc: BOULON A 6 PANS

3шт.

3

S5102603

WASHER;SPRING

desc: RONDELLE GROWERM10

3шт.

4

2181-1126D14

ADAPTER PFO1/4-PF1/4

desc: RACCORD ADAPTATEUR

3шт.

5

S8000111

O-RING P11

desc: JOINT TORIQUE

5шт.

6

2181-1702D4

ELBOW PFO1/4-PF1/4

desc: COUDE

2шт.

7

2181-1951D19

TEE PFO1/2-PF1/2-PF1/4

desc: TE

1шт.

8

S8000181

O-RING

desc: JOINT TORIQUE

1шт.

9

2184-1045D188

HOSE PF1/4-1050L

desc: TUYAU FLEXIBLE

1шт.

10

2184-1046D188

HOSE PF1/4-2400L

desc: TUYAU FLEXIBLE

1шт.

11

2184-1046D147

HOSE PF1/4-1000L

desc: TUYAU FLEXIBLE

1шт.

12

2184-1045D150

HOSE PF1/4-540L

desc: TUYAU FLEXIBLE

1шт.

13

2184-1045D90

HOSE PF1/4-800L

desc: TUYAU FLEXIBLE

1шт.

Выбрано товаров: 14