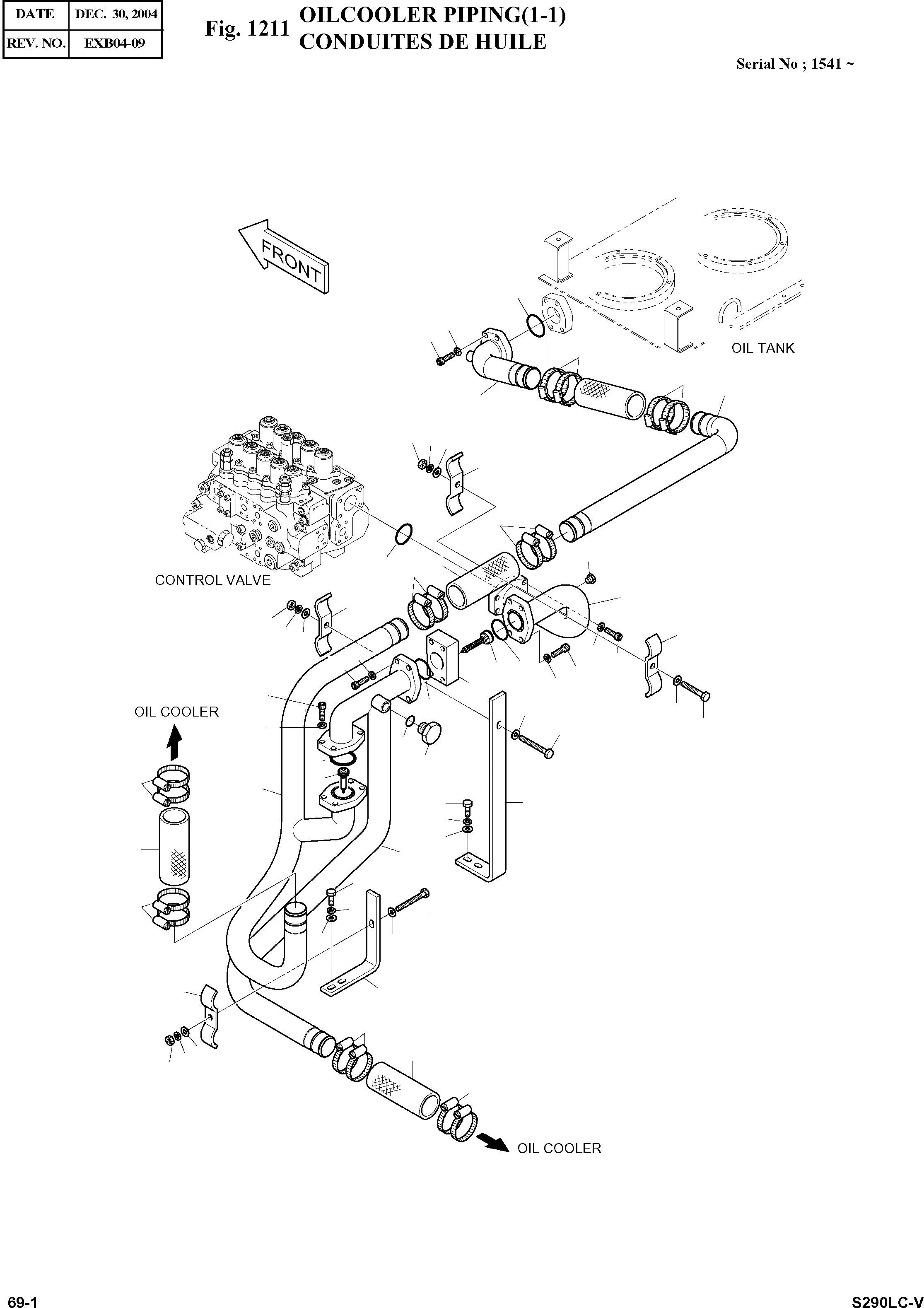
Запчасти Doosan Daewoo OIL COOLER PIPING(1-1) BODY PARTS

23
24
25
26
16
26
5
4
42
41
40
38
26
46
16
23
26
8
38
42
41
38
40
24
21
25
22
51
9
25
24
39
25
40
20
40
43
24
3
31
23
37
17
26
7
44
19
41
40
16
6
44
41
26
43
40
40
38
18
26
40
16
41
42
26
FIT
1:1
100%

Артикул

Название

Примечание

Количество

-

400-00690

OIL COOLER PIPING

SERIAL: 1541

-2шт.

3

S0561353

BOLT M12X1.75X80

desc: BOULON A 6 PANS

1шт.

4

2140-1270A

PIPE

desc: TUYAU

1шт.

5

140-00989

PIPE

desc: TUYAU

1шт.

6

140-00944A

PIPE

SERIAL: 1541-2236

1шт.

6

140-00944B

PIPE

SERIAL: 2237

1шт.

7

140-00947

PIPE

SERIAL: 1541-2236

1шт.

7

140-00947A

PIPE

SERIAL: 2237

1шт.

8

140-00948

PIPE

desc: TUYAU

1шт.

9

422-00041

VALVE;BY-PASS

SERIAL: 1541-2114

1шт.

9

420-00261B

VALVE;BY-PASS

SERIAL: 2115

1шт.

16

2185-1776D1

HOSE 200L

desc: TUYAU FLEXIBLE

4шт.

17

420-00304

VALVE;BY-PASS

desc: VANNE BYPASS

1шт.

18

2891-1089A

PLATE

desc: PLAQUE

1шт.

19

191-02332

PLATE

desc: PLAQUE

1шт.

20

2180-1026D32

O-RING

desc: JOINT TORIQUE

1шт.

21

S5110903

WASHER;SPRING

desc: RONDELLE ELASTIQUE

4шт.

22

S2221466

BOLT;SOCKET M16X2.0X40

desc: BOULON A 6 PANS CREUX

4шт.

23

2180-1026D27

O-RING

desc: JOINT TORIQUE

3шт.

24

S5110703

WASHER;SPRING

desc: RONDELLE ELASTIQUE

16шт.

25

S2215466

BOLT;SOCKET M12X1.75X40

desc: BOULON A 6 PANS CREUX

16шт.

26

S8450066

CLAMP;PIPE

desc: ATTACHE DE TUBE

16шт.

31

S8000291

O-RING

desc: JOINT TORIQUE

1шт.

37

2181-1950D9

PLUG

desc: BOUCHON

1шт.

38

2124-1340D15

CLAMP;PIPE

desc: ATTACHE DE TUBE

4шт.

39

423-00137

BLOCK

desc: BLOC

1шт.

40

S5010713

WASHER;PLAIN

desc: RONDELLE

10шт.

41

S5102703

WASHER;SPRING

desc: RONDELLE ELASTIQUE

7шт.

42

S4012733

NUT M12X1.75

desc: ECROU

3шт.

43

S0561753

BOLT M12X1.75X100

desc: BOULON A 6 PANS

2шт.

44

S0515453

BOLT M12X1.25X40

desc: BOULON A 6 PANS

4шт.

46

2181-2047A

PLUG

desc: BOUCHON

1шт.

51

2180-1026D31

O-RING

desc: JOINT TORIQUE

1шт.

Выбрано товаров: 33