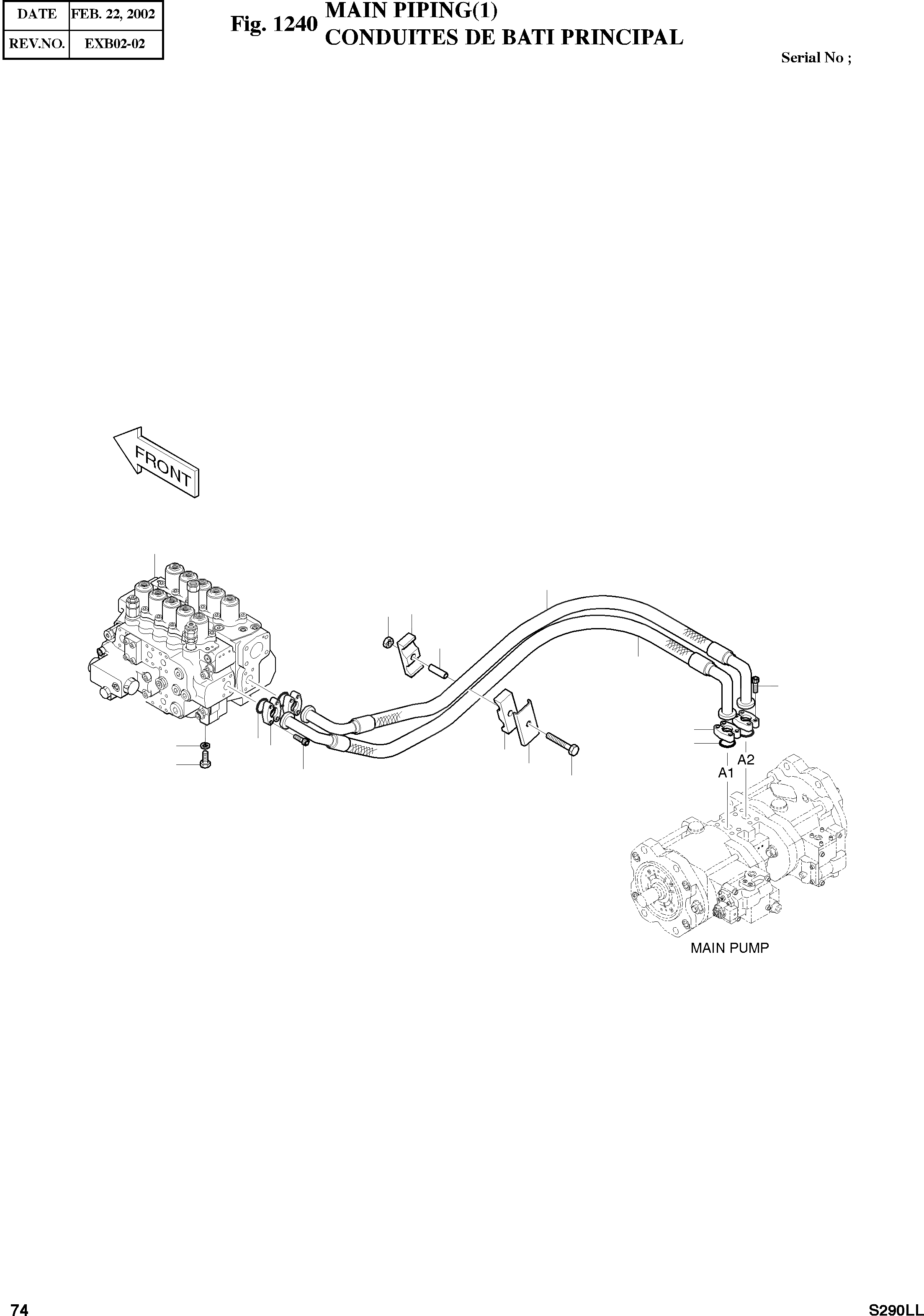
Запчасти Doosan Daewoo MAIN PIPING(1) BODY PARTS

23
36
44
41
23
28
27
6
3
6
33
2
42
26
29
1
41
FIT
1:1
100%

Артикул

Название

Примечание

Количество

-

2400-1774A

MAIN PIPING

SERIAL: 1001-1035

-2шт.

-

400-00243

MAIN PIPING

SERIAL: 1036

-2шт.

1

2426-1218B

CONTROL VALVE

SERIAL: 1001-1035

1шт.

1

426-00058

CONTROL VALVE

SERIAL: 1036-1040

1шт.

1

426-00058A

CONTROL VALVE

SERIAL: 1041

1шт.

2

S0515353

BOLT M12X1.75X35

desc: BOULON A 6 PANS

4шт.

3

S5102703

WASHER;SPRING

desc: RONDELLE ELASTIQUE

4шт.

6

2180-1026D19

O-RING

desc: JOINT TORIQUE

4шт.

23

2184-1124D67

HOSE PF1-1450L

desc: TUYAU FLEXIBLE

2шт.

26

S2212261

BOLT;SOCKET M10X1.5X30

SERIAL: 1001-1059

8шт.

26

S2212266

BOLT;SOCKET M10X1.5X30

SERIAL: 1060

8шт.

27

2181-9081

FLANGE;SPLIT

desc: BRIDE

4шт.

28

S2215461

BOLT;SOCKET M12X1.75X40

SERIAL: 1001-1059

8шт.

28

S2215466

BOLT;SOCKET M12X1.75X40

SERIAL: 1060

8шт.

29

S0566453

BOLT M16X2.0X110

desc: BOULON A 6 PANS

1шт.

33

2181-9078

FLANGE;SPLIT

desc: FLASQUE EN DEUX PARTIES

4шт.

36

S4012933

NUT M16

desc: ECROU

1шт.

41

2124-1548

CLAMP;HOSE

desc: COLLIER

2шт.

42

2191-3705B

PLATE;CLAMP

SERIAL: 1001-1043

1шт.

42

2191-3705C

PLATE;CLAMP

SERIAL: 1044

1шт.

44

2114-1737

SPACER

desc: BAGUE D'ECARTEMENT

1шт.

Выбрано товаров: 21