Запчасти Doosan Daewoo OIL COOLER PIPING(2) BODY PARTS

15
10
1
21
11
27
11
28
28
30
29
49
49
47
48
45
20
22
45
48
FIT
1:1
100%

Артикул

Название

Примечание

Количество

-

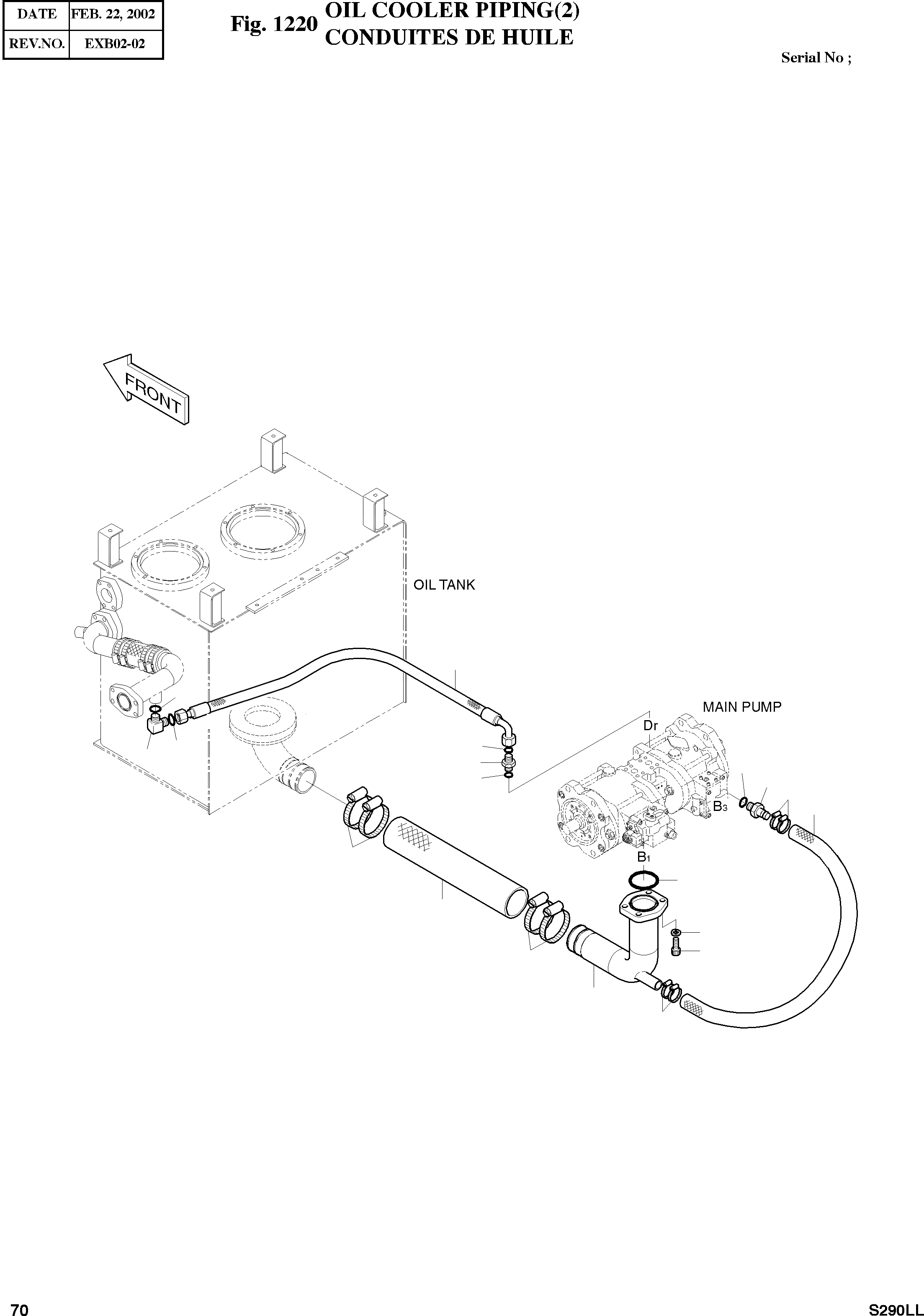
2400-1771A

OIL COOLER PIPING

SC: D

-2шт.

1

2140-1230E

PIPE;SUCTION

SERIAL: 1001-1033

1шт.

1

2140-1230G

PIPE;SUCTION

SERIAL: 1034

1шт.

10

2185-1737D1

HOSE

desc: TUYAU FLEXIBLE

1шт.

11

2185-1002D106

HOSE ID31.8-1000L

desc: TUYAU FLEXIBLE

1шт.

15

2184-1197D62

HOSE UNF1 3/16-1300L

desc: TUYAU FLEXIBLE

1шт.

20

2180-1026D32

O-RING

desc: JOINT TORIQUE

1шт.

21

S5110901

WASHER;SPRING M16X2.0

SERIAL: 1001-1059

4шт.

21

S5110903

WASHER;SPRING M16X2.0

SERIAL: 1060

4шт.

22

S2221461

BOLT;SOCKET M16X2.0X40

SERIAL: 1001-1059

4шт.

22

S2221466

BOLT;SOCKET M16X2.0X40

SERIAL: 1060

4шт.

27

S8000231

O-RING

desc: JOINT TORIQUE

1шт.

28

S8030121

O-RING

desc: JOINT TORIQUE

2шт.

29

2181-4133D5

ADAPTER PF3/4-UNF1 3/16-12

desc: RACCORD ADAPTATEUR

1шт.

30

2181-2628D1

ELBOW

desc: COUDE

1шт.

45

S8450095

CLAMP;HOSE

desc: COLLIER

4шт.

47

2181-2693A

ADAPTER PF3/4

desc: ADAPTEUR

1шт.

48

S8450035

CLAMP;HOSE

desc: COLLIER

4шт.

49

S8000241

O-RING

desc: JOINT TORIQUE

2шт.

Выбрано товаров: 19