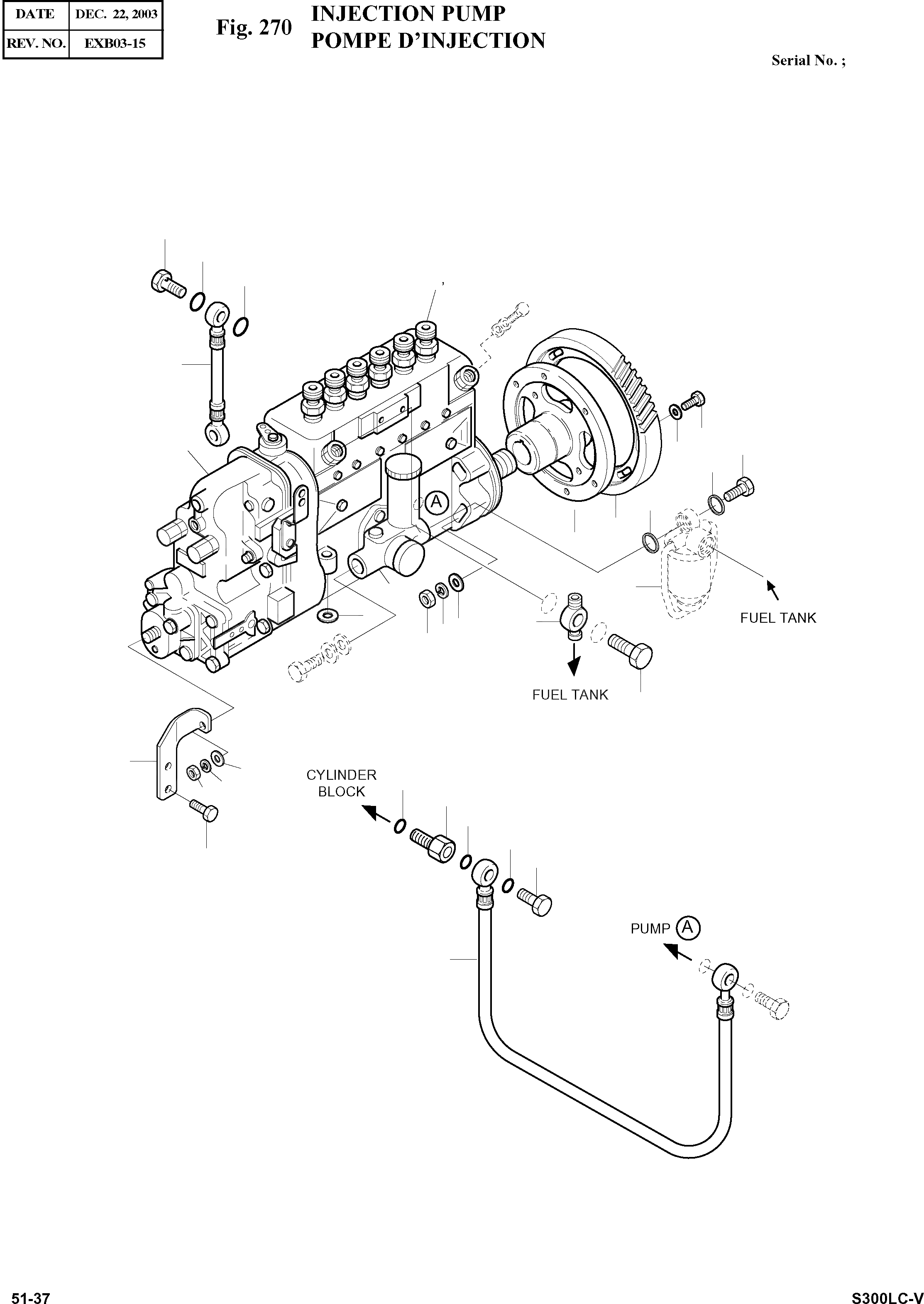
Запчасти Doosan Daewoo INJECTION PUMP ENGINE PARTS

1B
1C
1A
1D
28
29
29
27
12
1
3
13
4
4
14
15
2
13
5
6
8
17
10
6
21
8
9
19
21
21
7
20
18
FIT
1:1
100%

Артикул

Название

Примечание

Количество

1

65.11101-7387

PUMP;INJECTION

desc: POMPE

1шт.

1A

105210-5280

PUMP;FEED

desc: . POMPE

1шт.

1B

131150-2420

PLUNGER

desc: . PLUNGEUR

1шт.

1C

131110-5120

VALVE; DELIVERY

desc: . VANNE

1шт.

1D

131424-4420

VALVE; OVERFLOW

desc: . VANNE

1шт.

2

65.12501-7019

FUEL STRAINER ASS'Y

desc: ENSEMBLE FILTRE A GAZOLE

1шт.

3

06.78140-2404

SCREW;HOLLOW M14X1.5

desc: VIS

1шт.

4

06.56190-0706

RING;SEAL

desc: BAGUE D'ETANCHEITE

2шт.

5

65.98101-0008

DOUBLE BANJO UNION

desc: ENSEMBLE RACCORD BANJO DOUBLE

1шт.

6

06.15010-2312

WASHER

desc: RONDELLE

5шт.

7

06.01913-3212

BOLT;HEX. M10X18

desc: BOULON A 6 PANS

2шт.

8

06.16731-2108

WASHER;SPRING

desc: RONDELLE ELASTIQUE

5шт.

9

06.11063-9215

NUT;HEX. M10X1.25

desc: ECROU 6 PANS

1шт.

10

65.11401-0041

BRACKET

desc: SUPPORT

1шт.

12

06.01913-3116

BOLT;HEX. M8X28

desc: BOULON A 6 PANS

6шт.

13

65.90710-0015

WASHER;PLAIN

desc: RONDELLE PLATE

6шт.

14

65.11301-0063

GEAR;DRIVE

desc: ENGRENAGE

1шт.

15

65.11106-0008

COUPLING;INJECTION PUMP

desc: COUPLMENT

1шт.

17

06.11063-8215

NUT;HEX. M10

desc: ECROU 6 PANS

4шт.

18

65.05701-5329

HOSE;OIL

desc: TUYAU FLEXIBLE

1шт.

19

65.98130-0029

ADAPTER

desc: RACCORD ADAPTATEUR

1шт.

20

65.98150-0028

SCREW;HOLLOW

desc: VIS

1шт.

21

06.56180-0714

RING;SEAL

desc: BAGUE D'ETANCHEITE

3шт.

27

65.08301-6012

HOSE;AIR

desc: TUYAU FLEXIBLE

1шт.

28

65.98150-0053B

SCREW;HOLLOW

desc: VIS

1шт.

29

06.56180-0716

RING;SEAL

desc: BAGUE D'ETANCHEITE

2шт.

Выбрано товаров: 26