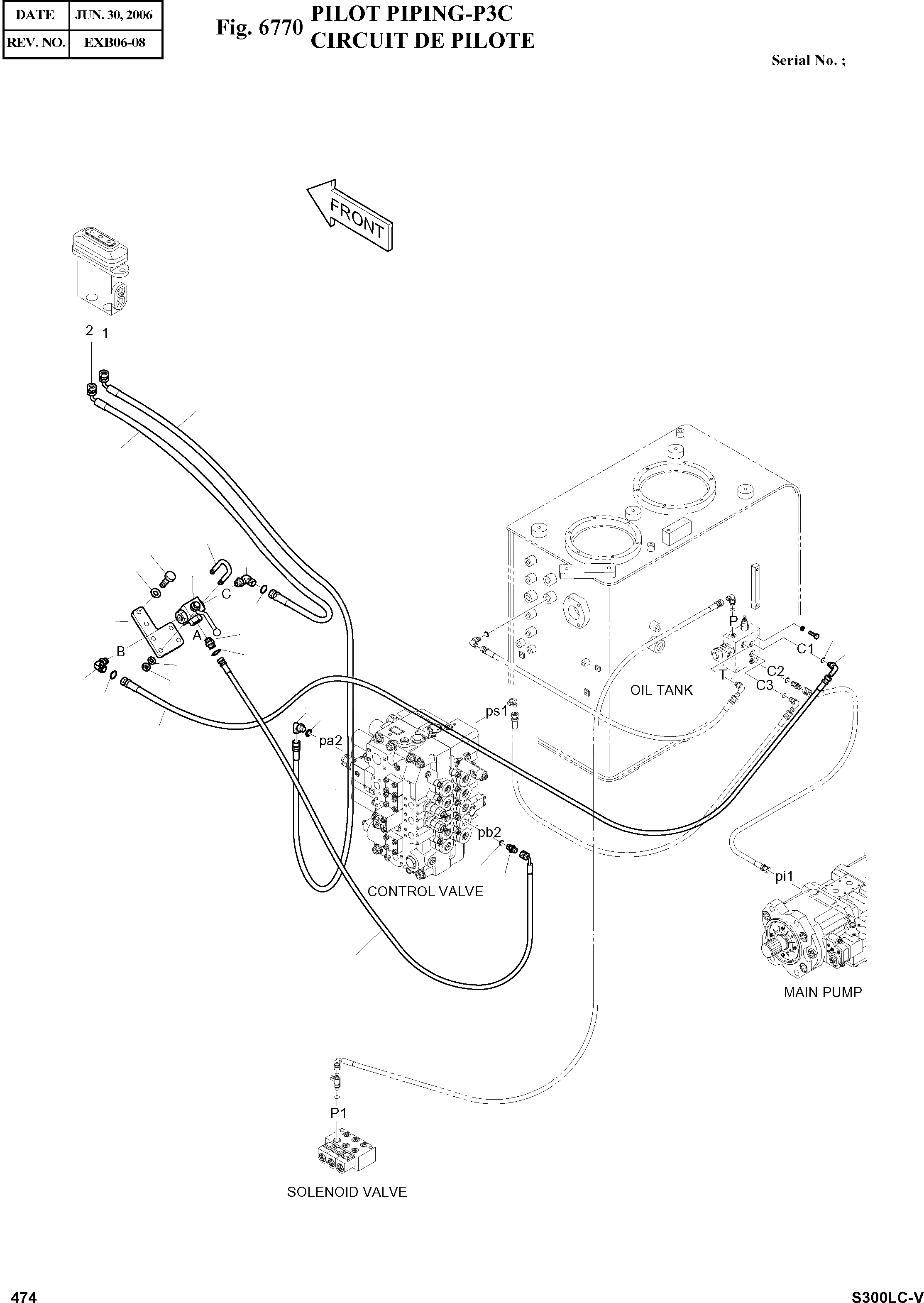
Запчасти Doosan Daewoo PILOT PIPING-P3C OPTION PARTS

2
1
7
10
12
9
5
13
6
15
11
14
13
9
8
12
13
12
11
4
13
11
3
FIT
1:1
100%

Артикул

Название

Примечание

Количество

-

H300-9055

PILOT PIPING-P3C

desc: CIRCUIT DE PILOTE

-2шт.

1

H001-0017D185

HOSE 3100L

desc: TUYAU FLEXIBLE

1шт.

2

H001-0017D185

HOSE 3100L

desc: TUYAU FLEXIBLE

1шт.

3

H001-0017D187

HOSE 1600L

desc: TUYAU FLEXIBLE

1шт.

4

H001-0016D171

HOSE 2900L

desc: TUYAU FLEXIBLE

1шт.

5

A006-0002

VALVE;SWITCH

desc: VANNE

1шт.

6

A042-0047A

BRACKET

desc: SUPPORT

1шт.

7

H007-0006D010

BOLT;U M10X1.5

desc: BOULON A 6 PANS

2шт.

8

S4012603

NUT M10

desc: ECROU

2шт.

9

S5102603

WASHER M10

desc: RONDELLE

4шт.

10

S0558366

BOLT;HEX M10X1.5X40

desc: BOULON A 6 PANS

2шт.

11

2181-1126D7

ADAPTER

desc: ADAPTATEUR

2шт.

12

2181-1702D5

ELBOW

desc: ECROU

3шт.

13

S8000141

O-RING

desc: JOINT TORIQUE

5шт.

14

2181-1702D4

ELBOW

desc: ECROU

1шт.

15

S8000111

O-RING

desc: JOINT TORIQUE

1шт.

Выбрано товаров: 16