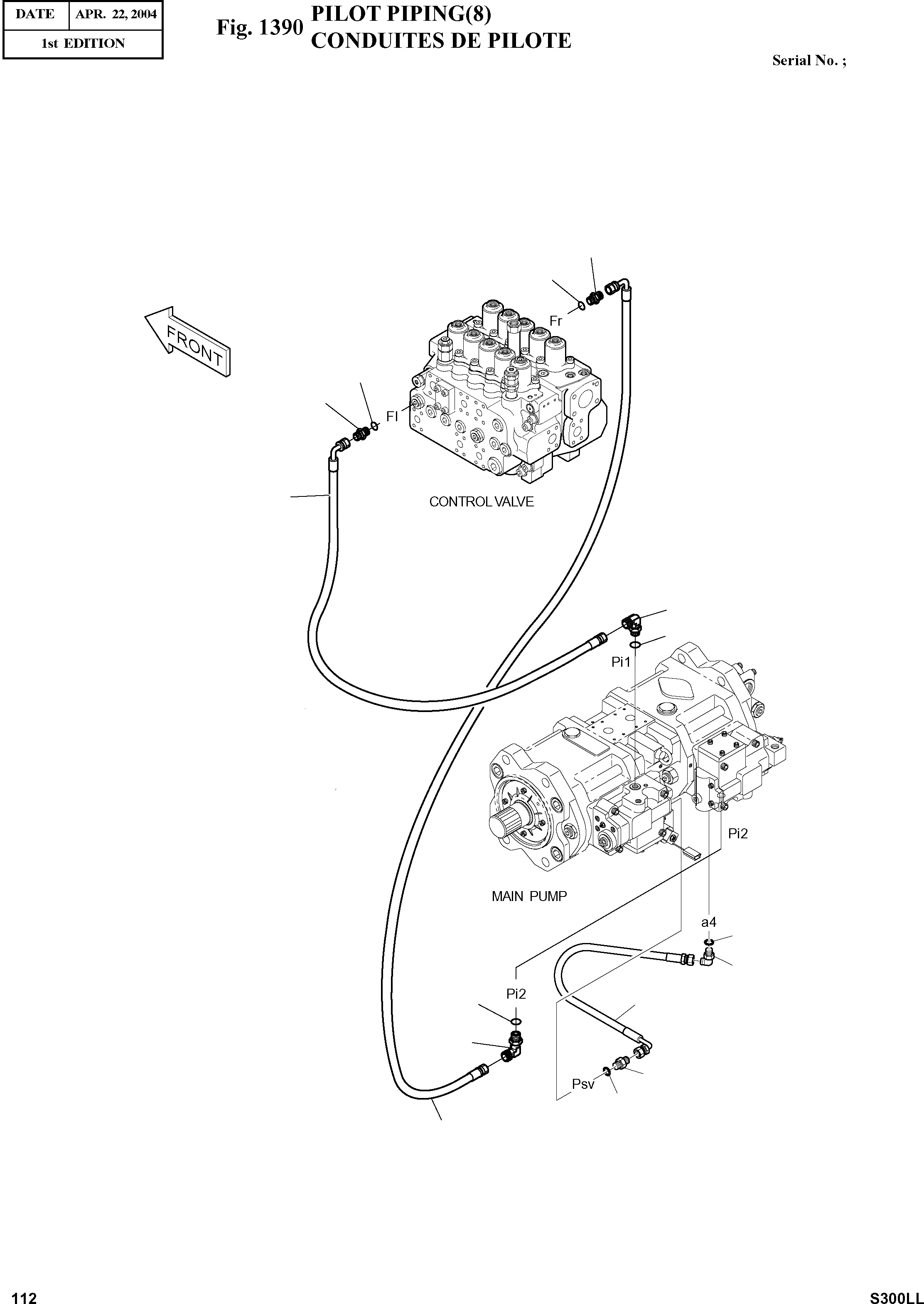
Запчасти Doosan Daewoo PILOT PIPING(8) BODY PARTS

27
26
26
27
53
32
26
26
32
26
65
32
27
26
58
FIT
1:1
100%

Артикул

Название

Примечание

Количество

-

400-01459

PILOT PIPING

SC: D

-2шт.

26

S8000111

O-RING P11

desc: JOINT TORIQUE

6шт.

27

2181-1126D14

ADAPTER PF(O)1/4XPF1/4

desc: RACCORD ADAPTATEUR

3шт.

32

2181-1702D4

ELBOW PF(O)1/4XPF1/4

desc: COUDE

3шт.

53

2184-1046D188

HOSE PF1/4-2400L

desc: TUYAU FLEXIBLE

1шт.

58

2184-1046D188

HOSE PF1/4-2400L

desc: TUYAU FLEXIBLE

1шт.

65

2184-1046D126

HOSE PF1/4-450L

desc: TUYAU FLEXIBLE

1шт.

Выбрано товаров: 7