Запчасти Doosan Daewoo MAIN PIPING(2) BODY PARTS

6
33
26
45
24
45
24
6
33
45
26
45
5
10
3
6
4
9
7
3
9
10
7
2
6
11
3
12
5
4
7
6
53
6
5
4
7
6
53
6
FIT
1:1
100%

Артикул

Название

Примечание

Количество

-

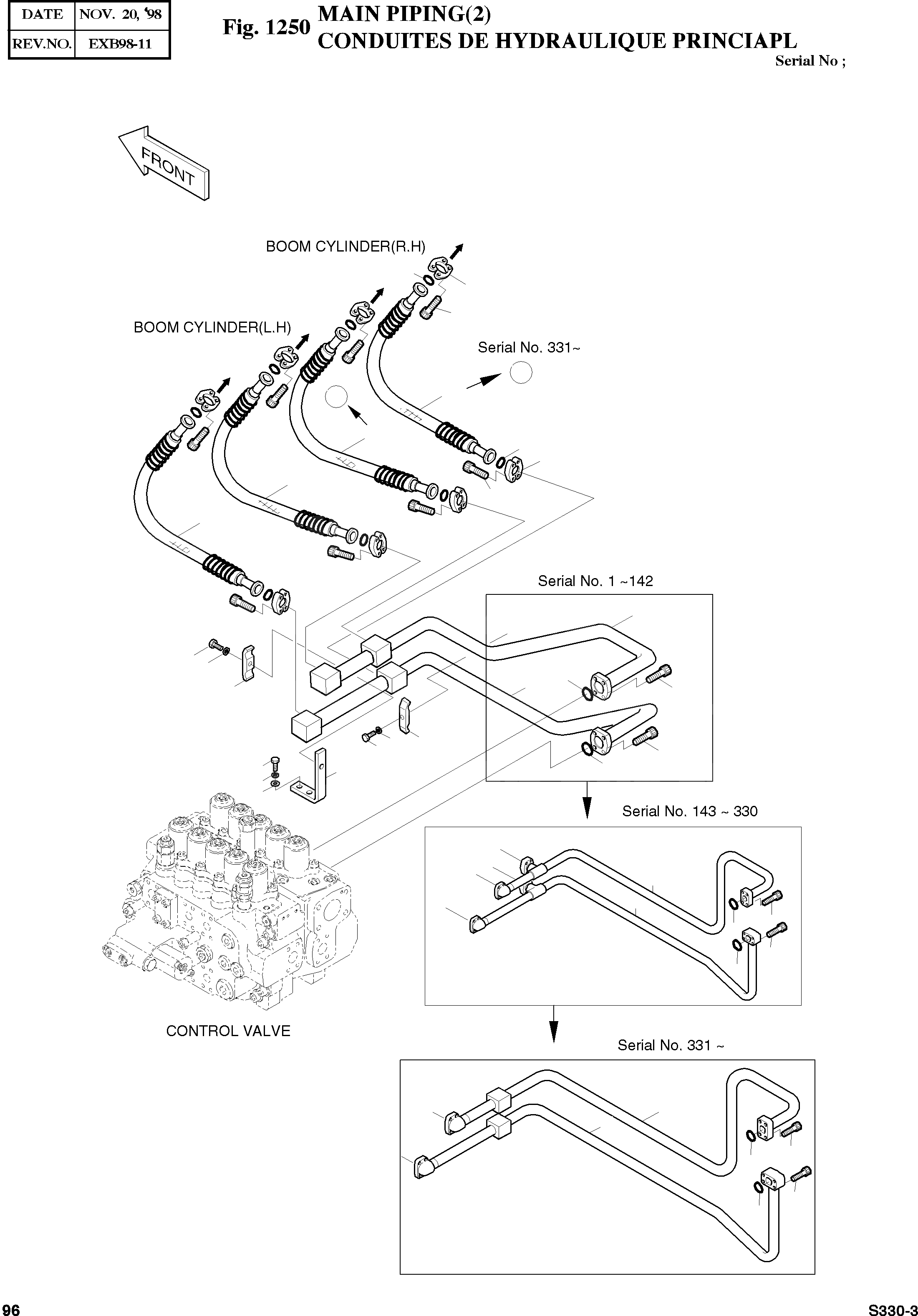
2400-1690

PIPING;MAIN

SERIAL: 1-142

-2шт.

-

2400-1832

PIPING;MAIN

SERIAL: 143

-2шт.

2

S0515353

BOLT M12X1.75X35

desc: BOULON A 6 PANS

2шт.

3

S5102703

WASHER;SPRING M12

desc: RONDELLE ELASTIQUE

4шт.

4

2140-1097

PIPE

SERIAL: 1-142

1шт.

4

2140-1331

PIPE

SERIAL: 143-330

1шт.

4

REP_PNO: 2184-1081D96

-1шт.

4

2140-1331A

PIPE

SERIAL: 331

1шт.

5

2140-1098

PIPE

SERIAL: 1-142

1шт.

5

2140-1332

PIPE

SERIAL: 143-330

1шт.

5

REP_PNO: 2184-1081D96

-1шт.

5

2140-1332A

PIPE

SERIAL: 331

1шт.

6

2180-1026D19

O-RING SAE 1"

SERIAL: 1-142

10шт.

6

2180-1026D19

O-RING SAE 1"

SERIAL: 143

11шт.

7

S2212361

BOLT;SOCKET M10X1.5X35

SERIAL: 1-142

8шт.

7

S2212361

BOLT;SOCKET M10X1.5X35

SERIAL: 143

4шт.

9

2124-1025D5

CLAMP;PIPE

desc: ATTACHE DE TUYAU

2шт.

10

S0560953

BOLT M12X1.75X60

desc: BOULON A 6 PANS

2шт.

11

2191-2976

PLATE

ICA: I

1шт.

11

2191-2976A

PLATE

desc: PLAQUE

1шт.

12

2114-1058D30

WASHER

desc: RONDELLE PLATE

2шт.

24

2184-1081D89

HOSE 1"-1150L

SERIAL: 1-330

2шт.

26

S2212261

BOLT;SOCKET M10X1.5X30

desc: BOULON A 6 PANS CREUX

32шт.

33

2181-9078

FLANGE;SPLIT 1" 5000PSI

desc: COLLIER A BRIDE(1")

16шт.

45

2184-1081D96

HOSE 1"-L1200

SERIAL: 1-330

2шт.

45

2184-1081D96

HOSE 1"-L1200

SERIAL: 331

4шт.

53

S2212661

BOLT;SOCKET M10X1.5X50

SERIAL: 143

4шт.

Выбрано товаров: 27