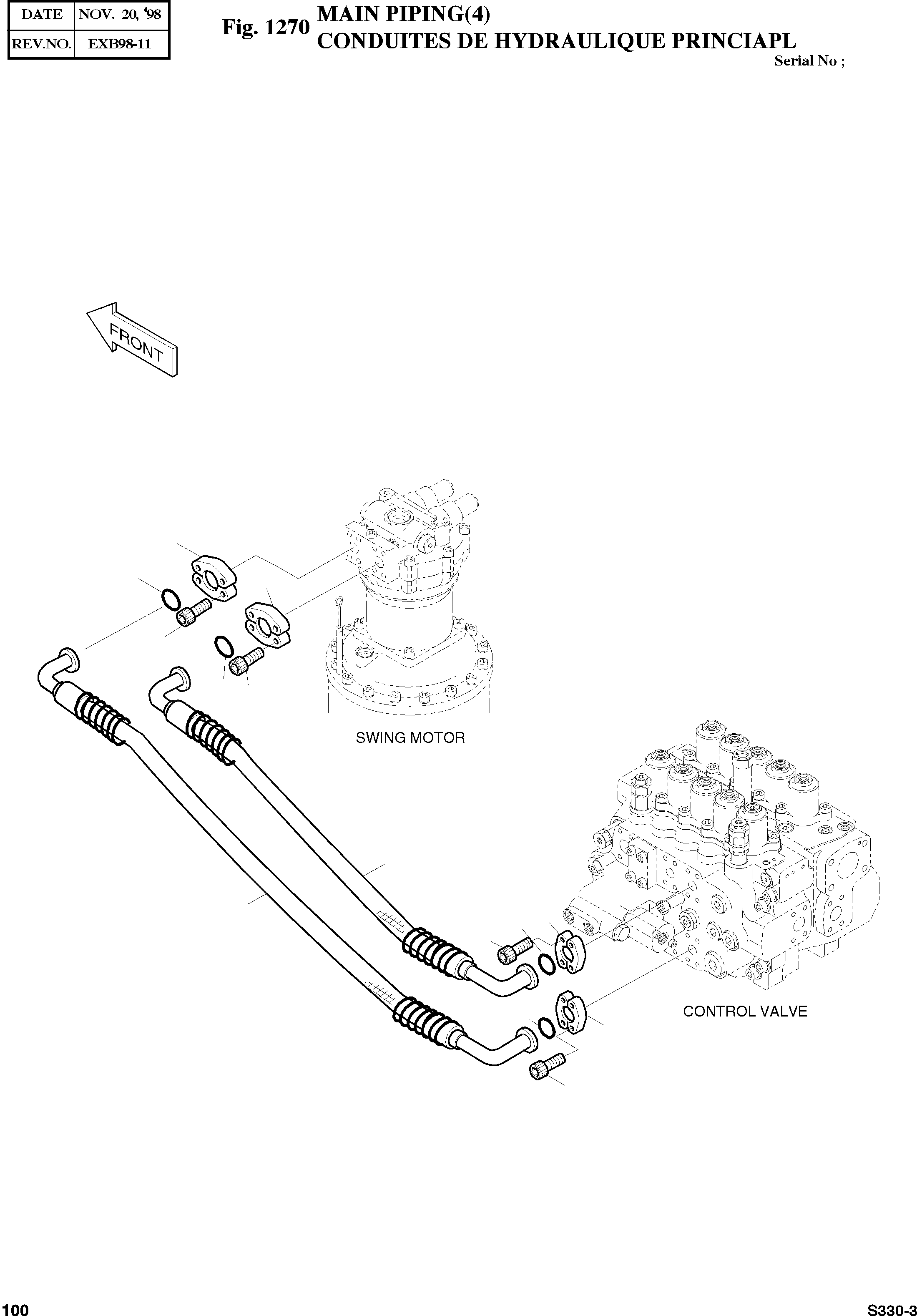
Запчасти Doosan Daewoo MAIN PIPING(4) BODY PARTS

34
6
34
28
6
28
21
22
31
30
26
30
31
26
FIT
1:1
100%

Артикул

Название

Примечание

Количество

-

2400-1690

PIPING;MAIN

SERIAL: 1-142

-2шт.

-

2400-1832

PIPING;MAIN

SERIAL: 143

-2шт.

6

2180-1026D19

O-RING SAE 1"

desc: JOINT TORIQUE

2шт.

21

2184-1100D83

HOSE 3/4"-550

desc: TUYAU FLEXIBLE

1шт.

22

2184-1100D84

HOSE 3/4"-650

desc: TUYAU FLEXIBLE

1шт.

26

S2212261

BOLT;SOCKET M10X1.5X30

desc: BOULON A 6 PANS CREUX

6шт.

28

S2215461

BOLT;SOCKET M12X1.75X40

desc: BOULON A 6 PANS CREUX

8шт.

30

2180-1026D2

O-RING SAE 3/4ЎИ

desc: JOINT TORIQUE

2шт.

31

2181-9079

FLANGE;SPLIT 3/4" STANDARD

desc: FLASQUE EN DEUX PARTIES

4шт.

34

2181-9081

FLANGE;SPLIT 1" 6000PSI

desc: FLASQUE EN DEUX PARTIES

4шт.

Выбрано товаров: 0