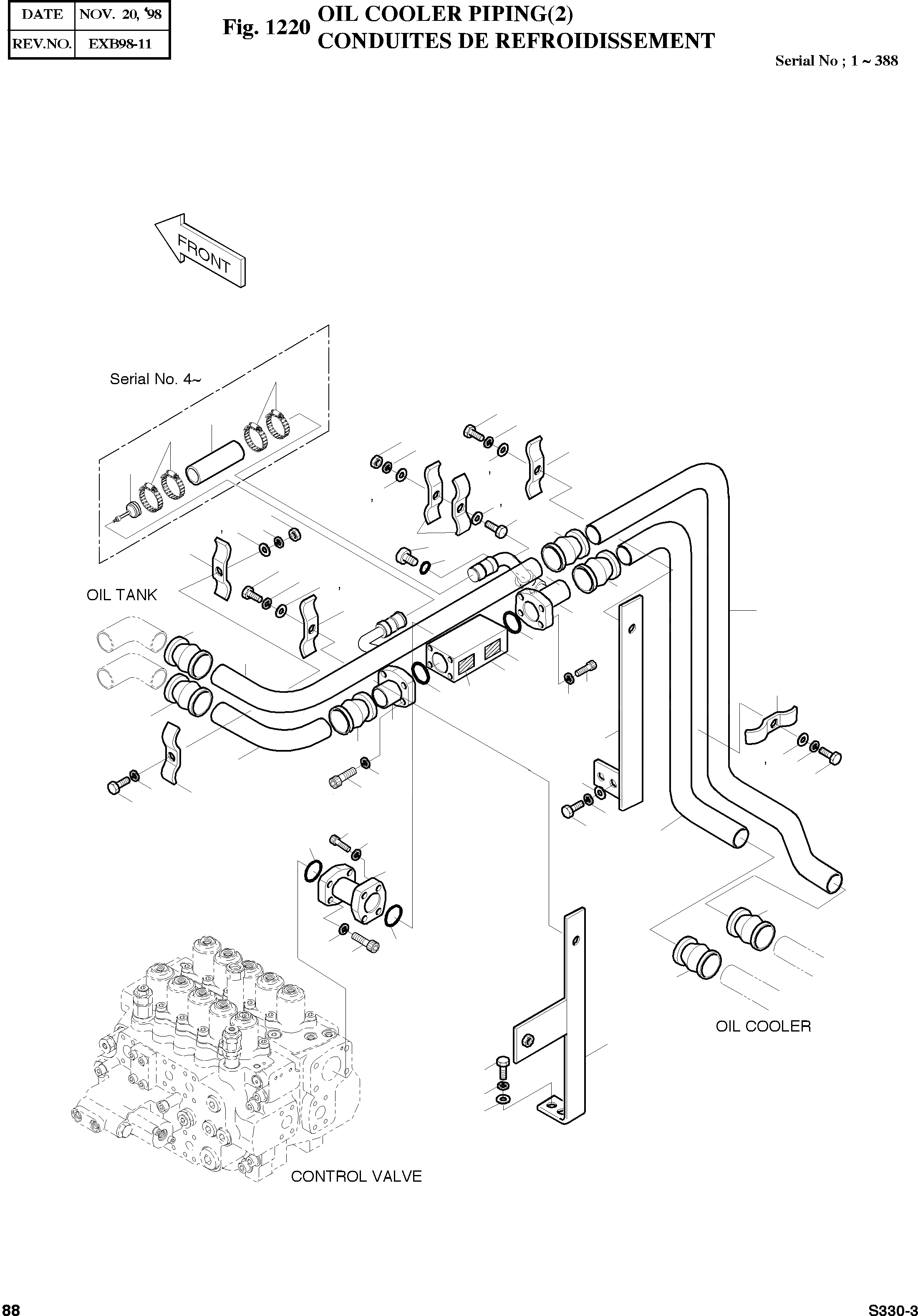
Запчасти Doosan Daewoo OIL COOLER PIPING(2) BODY PARTS

10
52
10
37
54
35
52
49
35
39
53
34
55
34
55
34
55
49
37
34
55
35
39
45
39
23
37
35
34
55
39
7
31
46
30
3
50
9
32
39
30
47
33
34
55
2
35
34
38
32
34
39
37
35
32
36
8
30
4
30
44
10
10
10
40
36
35
34
10
51
10
31
31
31
FIT
1:1
100%

Артикул

Название

Примечание

Количество

-

2400-1691

PIPING;OIL COOLER

SERIAL: 1-388

-2шт.

2

2183-3861A

PIPE

desc: TUYAU

1шт.

3

2183-3862

PIPE

SERIAL: 1-3

1шт.

3

2140-1115A

PIPE

SERIAL: 4

1шт.

4

2183-3780

PIPE

desc: TUYAU

1шт.

7

2140-1099

PIPE

SERIAL: 1-3

1шт.

7

2140-1099A

PIPE

SERIAL: 4

1шт.

8

2140-1100

PIPE

SERIAL: 1-3

1шт.

8

2140-1100A

PIPE

SERIAL: 4

1шт.

9

2420-9354

VALVE;BY-PASS

SERIAL: 1-280

1шт.

9

2420-9354A

VALVE;BY-PASS

SERIAL: 281-485

1шт.

9

2420-9591

VALVE;BY-PASS

SERIAL: 486

1шт.

10

2414-9001A

COUPLING

desc: ACCOUPLEMENT

7шт.

23

S8000291

O-RING P29

REP_PNO: 8202-023

1шт.

30

2180-1026D27

O-RING 2" SAE

desc: JOINT TORIQUE

4шт.

31

S5110701

WASHER;SPRING

REP_PNO: 8131-009

16шт.

32

S2215461

BOLT;SOCKET M12X1.75X40

desc: BOULON A 6 PANS CREUX

12шт.

33

2195-3853

BRACKET

desc: SUPPORT

1шт.

34

S5010713

WASHER;PLAIN M12

SERIAL: 1-138

11шт.

34

S5010713

WASHER;PLAIN M12

SERIAL: 139

5шт.

35

S5102703

WASHER;SPRING M12

desc: RONDELLE ELASTIQUE

9шт.

36

S0515453

BOLT M12X1.75X40

desc: BOULON A 6 PANS

4шт.

37

S0561353

BOLT M12X1.75X80

desc: BOULON A 6 PANS

4шт.

38

S0561153

BOLT M12X1.75X70

SERIAL: 1-138

1шт.

38

S0561253

BOLT M12X1.75X75

SERIAL: 139

1шт.

39

2124-1340D15

CLAMP;PIPE

desc: ATTACHE DE TUYAU

7шт.

40

2195-3591A

BRACKET

SERIAL: 1-3

1шт.

40

2195-1330

BRACKET

SERIAL: 4

1шт.

44

S2215361

BOLT;SOCKET M12X1.75X35

desc: BOULON A 6 PANS CREUX

4шт.

45

2181-1950D9

PLUG PF1

desc: BOUCHON

1шт.

46

2183-3981A

PIPE

SERIAL: 1-3

1шт.

46

2140-1117

PIPE

SERIAL: 4

1шт.

47

2183-3982

PIPE

desc: TUYAU

1шт.

49

S4012733

NUT M12X1.75

desc: ECROU

2шт.

50

2190-2598

PLATE;NAME

desc: PLAQUE SIGNALETIQUES

1шт.

51

2190-2599

PLATE;NAME

SERIAL: 1-3

1шт.

51

2190-2621

PLATE;NAME

SERIAL: 4

1шт.

52

S8450053

CLAMP;HOSE

SERIAL: 4

4шт.

53

2426-9006

VALVE;BY-PASS 1.5K

SERIAL: 4

1шт.

54

2185-1003D29

HOSE D46-180L

SERIAL: 4

1шт.

55

2114-1058D30

WASHER;PLAIN M12

SERIAL: 139

6шт.

Выбрано товаров: 41