Запчасти Doosan Daewoo TURBO CHARGER ENGINE PARTS

22
32
23
31
19
35
20
19
25
24
34
33
46
21
25
46
44
18
45
43
27
26
2
27
14
12
8
7
16
10
11
13
15
9
1
4
3
28
38
39
29
17
41
42
30
40
5
6
37
36
37
FIT
1:1
100%

Артикул

Название

Примечание

Количество

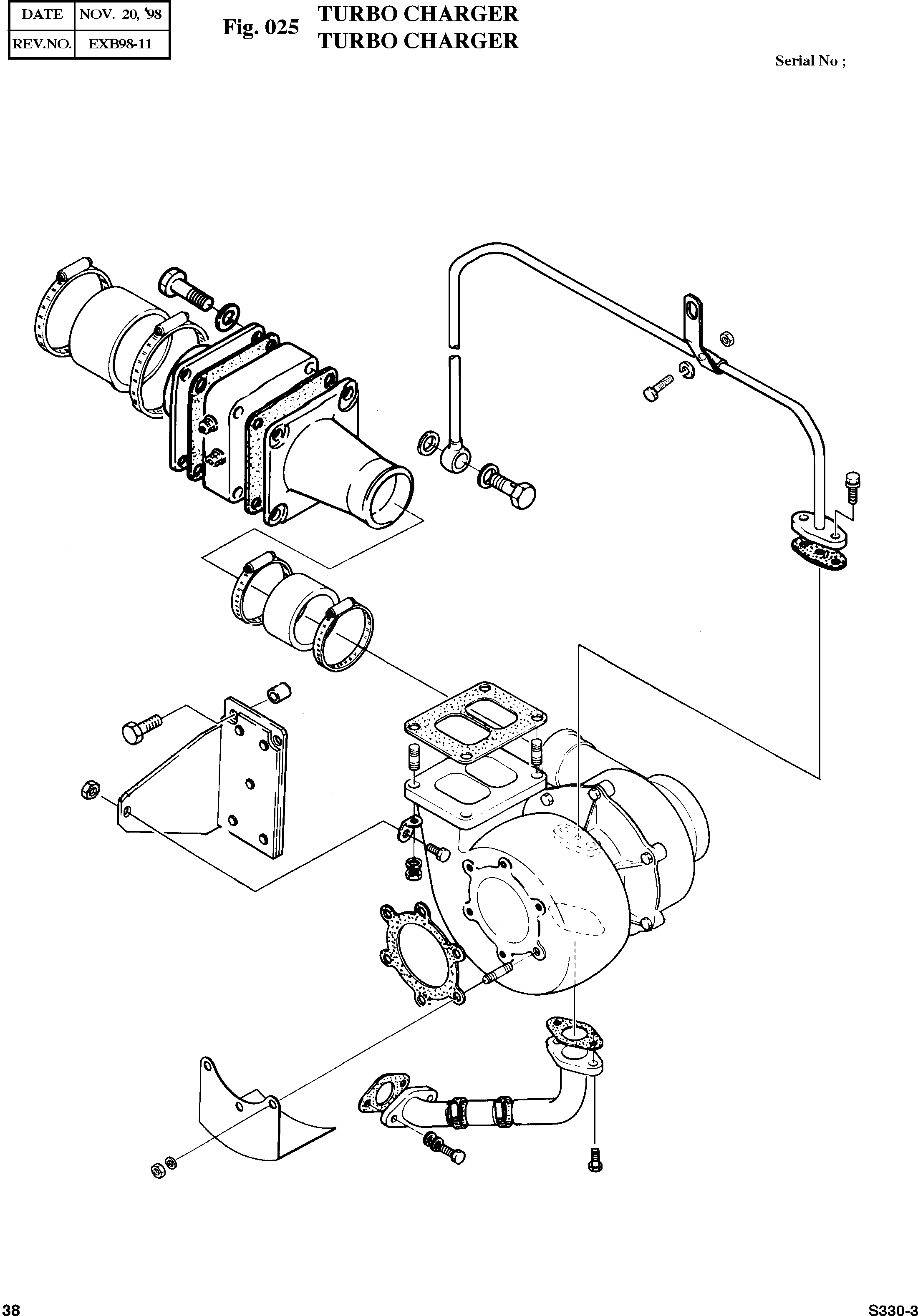
1

65.09100-7036

TURBO CHARGER

ICA: I

1шт.

1

65.09100-7172

TURBO CHARGER

SERIAL: 9700001

1шт.

2

65.09901-0016

GASKET;TURBO CHARGE

SERIAL: 9800265

1шт.

2

65.09901-0025

GASKET;TURBO CHARGE

SERIAL: 9800266

1шт.

3

06.06226-0806

BOLT;STUD

desc: GOUJON

6шт.

4

65.09901-0004

GASKET

ICA: I

1шт.

4

65.09901-0015

GASKET

SERIAL: 9600001

1шт.

4

65.08901-0063

GASKET

SERIAL: 9800083

1шт.

5

06.16731-2108

WASHER SPRING A10

desc: RONDELLE ELASTIQUE

6шт.

6

06.11063-8215

NUT;HEX. M10

desc: ECROU 6 PANS M10

6шт.

7

06.06226-0809

BOLT;STUD M10X35

desc: VIS

2шт.

8

06.06225-0808

BOLT;STUD M10X30

desc: VIS

2шт.

9

06.11063-8215

NUT;HEX. M10

desc: ECROU 6 PANS M10

4шт.

10

65.09141-0007

SCREEN;HEAT

desc: ECRAN THERMIQUE

1шт.

11

65.09140-0001

BRACKET

desc: SUPPORT

1шт.

12

65.91701-0031

SPACER

desc: BAGUE D'ECARTEMENT

2шт.

13

06.01913-3111

BOLT;HEX. ASS'Y M8X16

desc: BOULON A 6 PANS

1шт.

14

06.01914-3215

BOLT;HEX. ASS'Y M10X25

desc: BOULON A 6 PANS

2шт.

15

06.16731-2108

WASHER;SPRING A10

desc: RONDELLE ELASTIQUE

4шт.

16

06.11063-8214

NUT;HEX. M8

desc: ECROU 6 PANS

1шт.

17

65.09141-0017

HEAT SCREEN

desc: CHAUFFAGE

1шт.

18

65.09411-5013

PIPE;INTAKE

desc: CONDUITE

1шт.

19

65.08902A0010

GASKET

desc: JOINT

2шт.

20

65.26803-7021

HEATER;AIR

desc: CHAUFFAGE A AIR

1шт.

21

65.09411-0018

PIPE;INTAKE

SERIAL: 9700123

1шт.

21

65.09411-0039

PIPE;INTAKE

SERIAL: 9700124

1шт.

22

06.01913-3224

BOLT;HEX. M10X1.5X65

desc: BOULON A 6 PANS

4шт.

23

06.15010-2312

WASHER;PLAIN A10.5

desc: RONDELLE

4шт.

24

04.27415-0706

HOSE;RUBBER 90X102X70

desc: TUYAU FLEXIBLE

1шт.

25

06.67020-0116

CLAMP;HOSE

desc: COLLIER

2шт.

26

04.27415-0206

HOSE;RUBBER 65X77X70

desc: TUYAU FLEXIBLE

1шт.

27

06.67020-0112

CLAMP;HOSE

desc: COLLIER

2шт.

28

65.96601-0045

GASKET;T/C OIL RETURN

desc: JOINT

1шт.

29

65.05701-5807

PIPE;OIL RETURN(TURBO)

desc: CONDUITE

1шт.

30

06.01283-7114

BOLT;HEX. M8X22

desc: BOULON A 6 PANS

2шт.

31

65.05701-5805

OIL DELIVERY PIPE ASS'Y(TURBO)

desc: ENSEMBLE REFROIDISSEUR D'HUILE

1шт.

32

65.97401-2016

CLIP;PIPE

desc: . CLIP

1шт.

33

06.01283-6910

BOLT;HEX. M6X12

desc: . BOULON A 6 PANS

1шт.

34

06.16731-2105

WASHER;SPRING A6

desc: . RONDELLE ELASTIQUE

1шт.

35

06.11063-8212

NUT;HEX. M6

desc: . ECROU

1шт.

36

51.96330-0346

HOSE;RUBBER 28X37X60

desc: TUYAU FLEXIBLE

1шт.

37

06.67020-0106

CLAMP;HOSE NW S20

desc: COLLIER

2шт.

38

65.96601A0023

GASKET;OIL PIPE

desc: JOINT

1шт.

39

65.05701-5806

PIPE;OIL RETURN(TURBO)

desc: CONDUITE

1шт.

40

06.01733-4307

BOLT;HEX. M12

desc: BOULON A 6 PANS

2шт.

41

06.15010-2313

WASHER;PLAIN A12

desc: RONDELLE

1шт.

42

06.16731-2109

WASHER;SPRING A12

desc: RONDELLE ELASTIQUE

2шт.

43

65.96601-0180

GASKET

SERIAL: 9500057

1шт.

43

65.96601-0046

GASKET

SERIAL: 9500058

1шт.

44

06.01283-7114

BOLT;HEX. M8X20

desc: BOULON A 6 PANS

2шт.

45

65.98150-0041

SCREW;HOLLOW M12X1.5X30

desc: VIS

1шт.

46

06.56190-0704

RING;SEAL A12X18

desc: BAGUE D'ETANCHEITE

2шт.

Выбрано товаров: 52