Запчасти Doosan Daewoo TRAVEL MOTOR HYDRAULIC PARTS

491
568
435
567
542
402
543
361
541
22
710
567
714
712
362
401
568
713
702
364
485
366
711
365
464
350
567
568
451
506
464
485
511
568
303
507
505
103
567
131
510
461
572
705
531
472
333
547
461
545
509
802
546
801
512
461
508
708
503
702
502
201
707
709
114
501
741
461
742
111
509
101
304
507
472
106
116
272
452
121
107
202
122
540
506
102
113
510
123
FIT
1:1
100%

Артикул

Название

Примечание

Количество

-

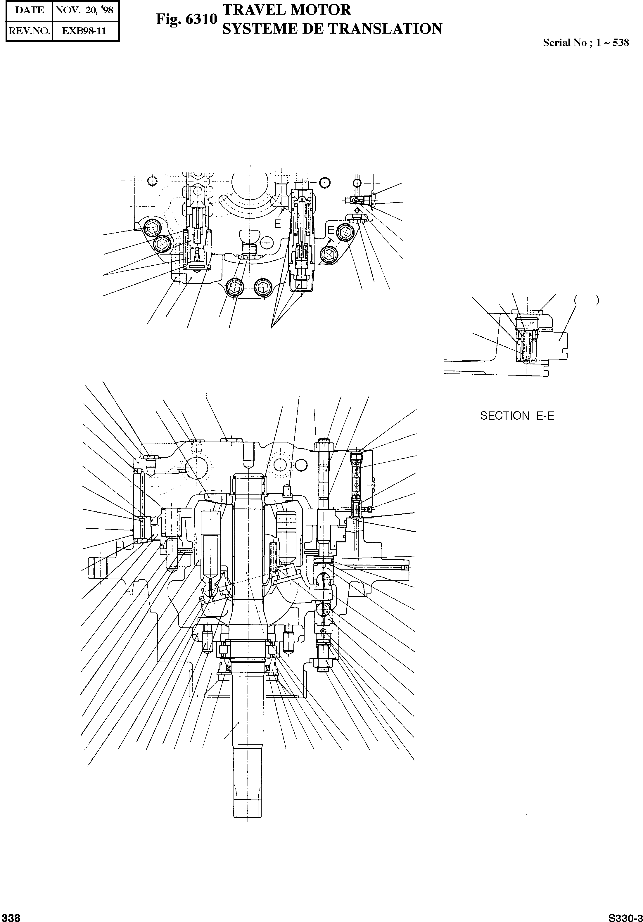
2401-9204

DEVICE;TRAVEL

SERIAL: 1-538

2шт.

-

33522-AJU335

TRAVEL MOTOR ASS'Y

desc: . MOTEUR DE TRANSLATION

1шт.

22

VZ40103067

SUB-ASS'Y;COUNTER BALANCE SPOOL

desc: .. SOUS-ENSEMBLE BOBINE C/B

1шт.

101

3330800106

SHAFT;DRIVE

desc: .. ARBRE

1шт.

102

PNUP2210

BEARING;ROLLER

desc: .. ROULEMENT A ROULEAUX

1шт.

103

PNK385227

BEARING;NEEDLE

desc: .. ROULEMENT A AIGUILLES

1шт.

106

371A00AA-106

SPACER;BEARING

desc: .. ENTRETOISE DU ROULEMENT

1шт.

107

OSR50

RING;SNAP

desc: .. ARRET D'ARTICULATION

1шт.

111

3330800108

BLOCK;CYLINDER

SC: D

1шт.

113

2953801840

BUSH;SPHERICAL

REP_PNO: 113693

1шт.

114

2953801842

SPRING;CYLINDER

REP_PNO: 113695

9шт.

116

2953801841

SPACER

REP_PNO: 113694

1шт.

121

371A00AA-121

PISTON

SC: D

9шт.

122

371A00AA-122

SHOE

SC: D

9шт.

123

2943800488

PLATE;SET

REP_PNO: 113692

1шт.

131

3330800114

PLATE;VALVE

SC: D

1шт.

201

3330800109

PLATE;SWASH

desc: .. PLATEAU OSCILLANT

1шт.

202

3330800110

SUPPORT;SWASH PLATE

desc: .. SUPPORT DE PLATEAU OSCILLANT

1шт.

272

3320800234

CASING A

SC: D

1шт.

303

3320800184

CASING;VALVE

SC: D

1шт.

304

3340800109

COVER;SEAL

desc: .. COUVRE-JOINT

1шт.

350

V8911248179

VALVE;RELIEF

desc: .. CLAPET DE DECHASGE

2шт.

361

5A250010-3310

WASHER

desc: .. RONDELLE PLATE

2шт.

362

3350800152

SPRING;COUNTER BALANCE

desc: .. RESSORT C/B

2шт.

364

3350800150

COVER;COUNTER BALANCE

desc: .. COUVERCLE

2шт.

365

OORBG45

O-RING G45

SC: K

2шт.

366

OSBM1245

BOLT;SOCKET M12X1.75X45

desc: .. BOULON A 6 PANS CREUX

8шт.

401

OSBM1650

BOLT;SOCKET M16X2.0X50

desc: .. BOULON A 6 PANS CREUX

8шт.

402

OSBM16120

BOLT;SOCKET M16X2.0X120

desc: .. BOULON A 6 PANS CREUX

4шт.

435

ORR85

RING;SNAP

desc: .. BAGUE DE BLOCAGE

1шт.

451

PJR1014

PIN 2

REP_PNO: 113375

1шт.

452

PJR1524

PIN 1

SC: D

2шт.

461

PBP116-2403

PLUG

desc: .. BOUCHON

10шт.

464

OVP12

PLUG

desc: .. BOUCHON VP

4шт.

471

OORBG75

O-RING G75

SC: K

1шт.

472

PCPP275

O-RING

SC: K

1шт.

485

OORBP18

O-RING P18

REP_PNO: 220015

4шт.

491

PTCV48V

SEAL;OIL

SC: K

1шт.

501

3340800118

PISTON;TILTING

desc: .. PISTON

1шт.

502

3350800266

PISTON;TILTING

desc: .. PISTON

1шт.

503

3350800311

STOPPER

desc: .. ARRET

1шт.

504

3350800160

STOPPER;S

desc: .. ARRET

1шт.

505

3350800148

ROD;TILTING

desc: .. TIGE D'INCLINAISON

1шт.

506

PSSSM1640

BOLT;SOCKET

desc: .. BOULON A 6 PANS CREUX

2шт.

507

ONM16C

NUT M16X2.0

desc: .. ECROU HEXAGONAL

2шт.

508

OORBP22A

O-RING P22A

SC: K

1шт.

509

OORBP16

O-RING P16

REP_PNO: 212029

2шт.

510

OT2BP16

RING;BACK-UP

REP_PNO: 208454

1шт.

511

OORBP10A

O-RING P10A

SC: K

1шт.

512

OT2BP22A

RING;BACK-UP

SC: K

1шт.

531

3350800149

SPOOL;TILTING

desc: .. BOBINE

1шт.

533

3350800154

SPRING;TILTING

desc: .. RESSORT

1шт.

541

2953801680

SEAT

desc: .. SIEGE

2шт.

542

3350800155

STOPPER

desc: .. ARRET

2шт.

543

ODW732

BALL;STEEL

REP_PNO: 200166

2шт.

545

OTRS116A15

ORIFICE

desc: .. VIS PERCEE

1шт.

546

OTRS116A10

ORIFICE

desc: .. ORIFICE

2шт.

547

OORBP10

O-RING P10

SC: K

3шт.

567

OVP14

PLUG PF1/4

REP_PNO: 108844

7шт.

568

OORBP11

O-RING P11

REP_PNO: 201689

7шт.

571

37DA00AA-668

PLUG

desc: .. BOUCHON

1шт.

572

OORBP14

O-RING P14

REP_PNO: 201700

1шт.

702

3330800107

PISTON;BRAKE

desc: .. PISTON DE FREIN

1шт.

705

3350800153

SPRING;BRAKE

desc: .. RESSORT DE FREIN

10шт.

707

3350800174

RING;PISTON 252

SC: K

1шт.

708

3350800151

RING;PISTON 278

SC: K

1шт.

709

PJR1540

PIN;CENTER

SC: D

4шт.

710

34750-00-367

GUIDE;SPRING

desc: .. CUVETTE DE RESSORT

1шт.

711

37KB00AD-368

SPOOL

desc: .. BOBINE

1шт.

712

34750-00-369

BUSH

desc: .. DOUILLE

1шт.

713

34750-00-370

SPRING

desc: .. RESSORT

1шт.

714

OR038

PLUG

desc: .. BOUCHON

1шт.

741

3350800147

PIN;SEPARATOR

desc: .. PLAQUE DE SEPARATION

1шт.

742

3340800110

PLATE;FRICTION

desc: .. GARNITURE DE FREIN

2шт.

801

PNPA-2550A

PLATE;NAME

desc: .. PLAQUE SIGNALETIQUES

1шт.

802

OSK2548

PIN

desc: .. GOUPILLE

2шт.

(161)

OORBG30

O-RING

REP_PNO: 220018

-2шт.

(162)

OT2BG30

RING;BACK-UP

REP_PNO: 200034

-2шт.

Выбрано товаров: 78