Запчасти Doosan Daewoo ELECTRIC BOX ASSY(2)-ELECTRIC PARTS BODY PARTS

28
29
23
24
25
26
27
2
7
3
8
11
12
4
9
5
6
13
17
10
38
18
21
39
19
22
34
20
33
32
38
39
35
39
14
15
36
38
16
37
30
31
FIT
1:1
100%

Артикул

Название

Примечание

Количество

-

2500-1188A

ELECTRIC BOX ASS'Y

SERIAL: 1001-1228

-2шт.

-

2500-1188B

ELECTRIC BOX ASS'Y

SERIAL: 1229-1440

-2шт.

-

2500-1188C

ELECTRIC BOX ASS'Y

SERIAL: 1441

-2шт.

2

2543-1041

CONTROLLER;EPOS-V

desc: COMMANDE EPOS

1шт.

3

S4012633

NUT M10X1.5

desc: ECROU

4шт.

4

S5102603

WASHER;SPRING M10

desc: RONDELLE ELASTIQUE

4шт.

5

S5010613

WASHER;PLAIN M10

desc: RONDELLE

4шт.

6

2543-1036

CONTROLLER;THROTTLE

SERIAL: 1001-1440

1шт.

6

543-00074

CONTROLLER;THROTTLE

SERIAL: 1441

1шт.

7

S4012333

NUT M6X1.0

desc: ECROU

4шт.

8

S5102303

WASHER;SPRING M6

desc: RONDELLE ELASTIQUE

4шт.

9

S5010313

WASHER;PLAIN M6

desc: RONDELLE

4шт.

10

2190-3231D8

PLATE;NAME

desc: PLAQUE SIGNALETIQUES

1шт.

11

2543-9015

CONTROLLER;STARTER

desc: COMMANDE DEMARREUR

1шт.

12

S3450943

SCREW M6X1.0X10

desc: VIS

2шт.

13

S5102303

WASHER;SPRING M6

desc: RONDELLE ELASTIQUE

2шт.

14

2537-9008

TIMER;WIPER

desc: INTERRUPTEUR

1шт.

15

S3450943

SCREW M6X1.0X10

desc: VIS

2шт.

16

S5102303

WASHER;SPRING M6

desc: RONDELLE ELASTIQUE

2шт.

17

2531-1003

CONVERTER;DC-DC

desc: CONVERTEUR

1шт.

18

S3450953

SCREW M6X1.0X12

desc: VIS

2шт.

19

S5102303

WASHER;SPRING M6

desc: RONDELLE ELASTIQUE

2шт.

20

2516-1116

BUZZER;PILOT

desc: VIBREUR ARRIERE

1шт.

21

S3450943

SCREW M6X1.0X10

desc: VIS

2шт.

22

S5102303

WASHER;SPRING M6

desc: RONDELLE ELASTIQUE

2шт.

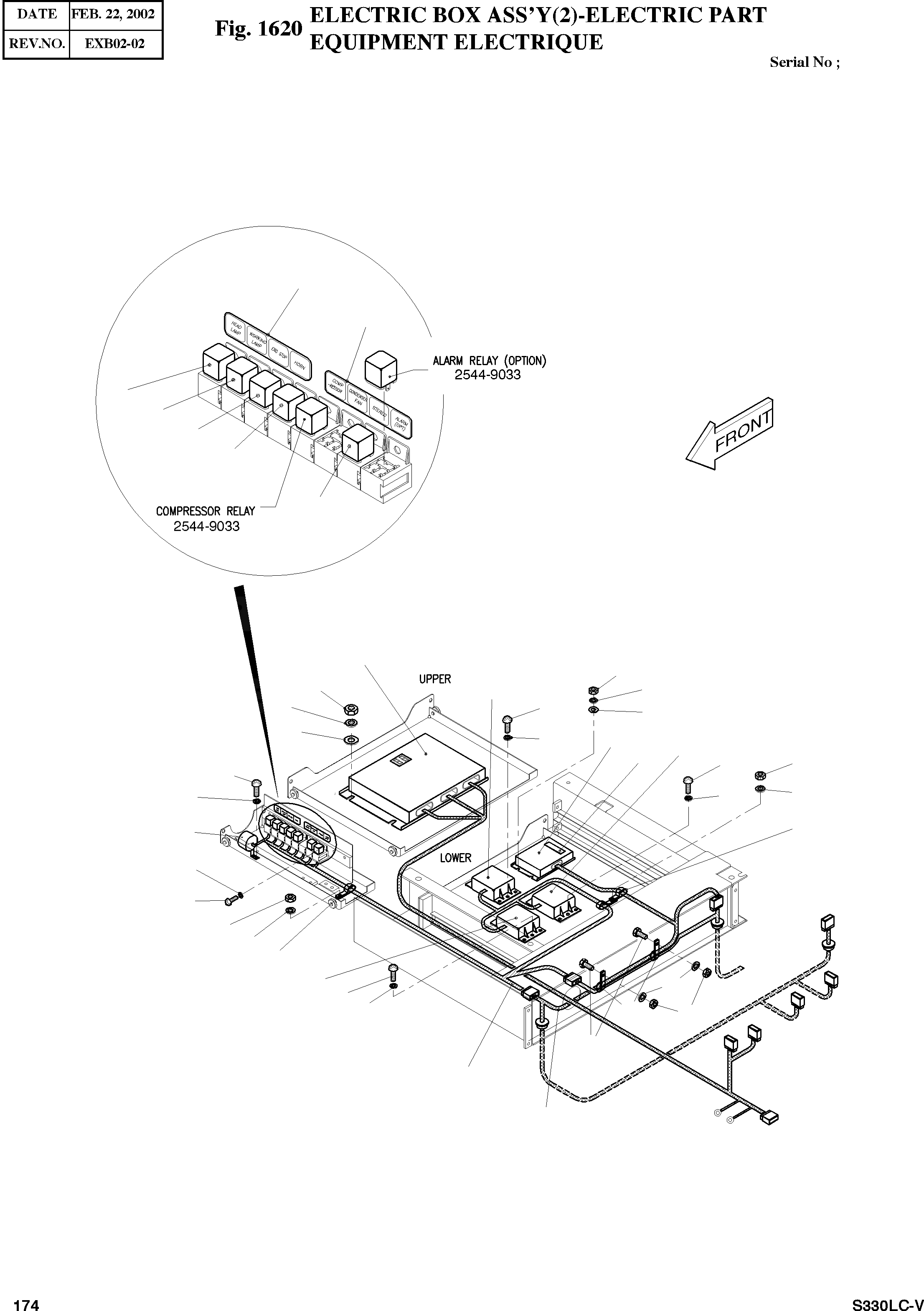
23

2544-9033

RELAY;HEAD LAMP

desc: RELAIS AVERTISSEUR

1шт.

24

2544-9033

RELAY;WORKING LAMP

desc: RELAIS AVERTISSEUR

1шт.

25

2544-9033

RELAY;ENGINE STOP

desc: RELAIS AVERTISSEUR

1шт.

26

2544-9033

RELAY;HORN

desc: RELAIS AVERTISSEUR

1шт.

27

2544-9033

RELAY;STEREO

desc: RELAIS AVERTISSEUR

1шт.

28

2190-2037D19

PLATE;NAME(RELAY)

desc: PLAQUE D'IDENTIFICATION

1шт.

29

2190-2037D20

PLATE;NAME(RELAY)

desc: PLAQUE D'IDENTIFICATION

1шт.

30

2530-1603A

HARNESS;ELECTRIC BOX

SERIAL: 1001-1228

1шт.

30

2530-1603B

HARNESS;ELECTRIC BOX

SERIAL: 1229

1шт.

31

2530-1604A

HARNESS;CABIN

SERIAL: 1001-1228

1шт.

31

2530-1604B

HARNESS;CABIN

SERIAL: 1229

1шт.

32

S3450823

SCREW M5X0.8X10

desc: VIS

8шт.

33

S5100203

WASHER;SPRING M5

desc: RONDELLE ELASTIQUE

8шт.

34

2124-1509D2

CLIP d18/M8

desc: ATTACHE

2шт.

35

2124-1509D4

CLIP d30/M8

desc: ATTACHE

1шт.

36

2124-1509D5

CLIP d36/M8

desc: ATTACHE DE TUYAU

2шт.

37

S0508853

BOLT M8X1.25X20

desc: BOULON A 6 PANS

2шт.

38

S4012533

NUT M8X1.25

desc: ECROU

4шт.

39

S5102503

WASHER;SPRING M8

desc: RONDELLE ELASTIQUE

4шт.

Выбрано товаров: 44