Запчасти Doosan Daewoo SWING MOTOR HYDRAULIC PARTS

29
30
6
7
8
9
10
12
13
14
15
16
5
4
17
31
18
3
19
2
20
1
32
33
20
21
28
27
26
25
24
23
22
38
37
36
34
35
11
FIT
1:1
100%

Артикул

Название

Примечание

Количество

-

2401-9291

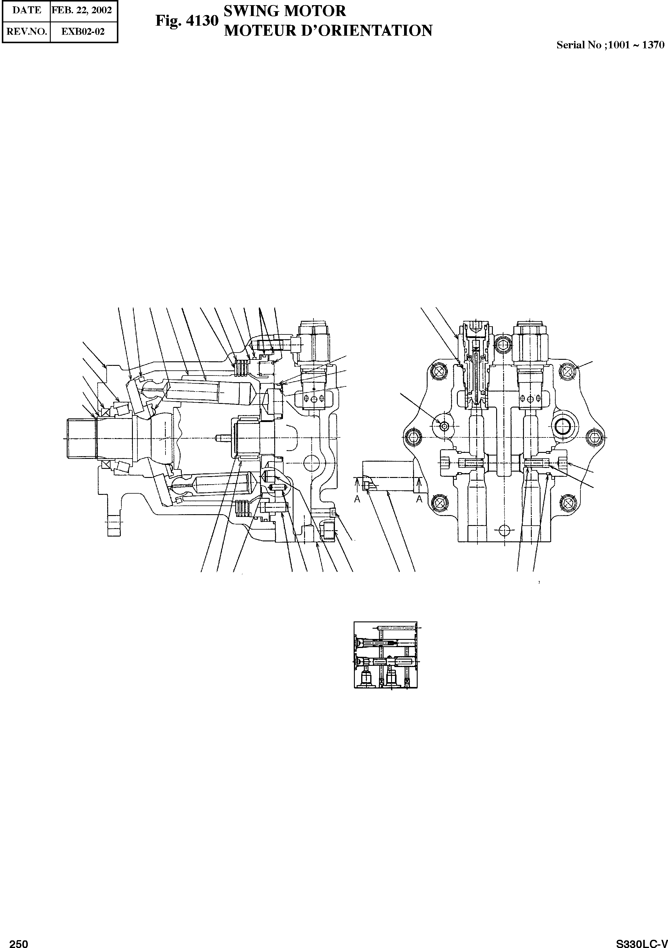
MOTOR;SWING

SERIAL: 1001-1370

1шт.

1

0809-198

RING;SNAP

desc: BAGUE

1шт.

2

1399-210

RING;INNER

desc: CHEMISE DE CYLINDRE

1шт.

3

0722-137

SEAL;OIL

desc: JOINT D'HUILE

1шт.

4

0671-135

BEARING;TAPER ROLLER

desc: ROULEMENT A BILLES

1шт.

5

1311-297

HOUSING

SC: D

1шт.

6

1398-153

PLATE;CAM

desc: PLAQUE DE SABOT

1шт.

7

1398-154

PLATE;RETURN

desc: PLAQUE

1шт.

8

1390-174

SPRING;BACKING

desc: RESSORT

1шт.

9

1318-182

CYLINDER

SC: D

1шт.

10

1321-128

PISTON ASS'Y

desc: ENSEMBLE PISTON

1шт.

11

7598-033

LINING;PLATE

desc: PLAQUE

4шт.

12

7598-034

PLATE

desc: PLAQUE

4шт.

13

1320-137

PISTON

desc: PISTON

1шт.

14

0200-158

O-RING

desc: JOINT TORIQUE

1шт.

15

0200-159

O-RING

desc: JOINT TORIQUE

2шт.

16

1390-166

SPRING

desc: RESSORT

19шт.

17

0719-072

RING;TEFLON

desc: BAGUE

4шт.

18

1390-175

SPRING;CONED DISC

desc: RESSORT

4шт.

19

1391-130

BUSH

desc: COUSSINET

4шт.

20

8320-001

PLUG

desc: BOUCHON

3шт.

21

0576-061

BOLT;SOCKET HEXAGON

desc: BOULON A 6 PANS CREUX

1шт.

22

1320-158

PISTON

desc: PISTON

2шт.

23

1303-293

COVER

SC: D

1шт.

24

0522-143

PIN;PARALLEL

desc: BROCHE

2шт.

25

0522-145

PIN;PARALLEL

desc: BROCHE

1шт.

26

1313-182

PLATE;BALANCE

desc: PLAQUE

1шт.

27

0682-136

NEEDLE;BEARING

desc: ROULEMENT A AIGUILLES

1шт.

28

0809-199

RING;SNAP

desc: BAGUE

1шт.

29

0207-002

O-RING

desc: JOINT TORIQUE

2шт.

30

3537-218

RELIEF ASS'Y

desc: ENSEMBLE DE CLAPET DE DECHARGE

2шт.

31

0576-034

BOLT;SOCKET HEXAGON

desc: BOULON A 6 PANS CREUX

7шт.

32

3526-327

CAP

desc: BOUCHON

2шт.

33

3590-288

SPRING

desc: RESSORT

2шт.

34

8202-021

O-RING

desc: JOINT TORIQUE

2шт.

35

0859-229

RING;BACK UP

desc: BAGUE ELASTIQUE

2шт.

36

3513-154

CHECK

desc: BUTEE

2шт.

37

1329-111

VALVE;TIME DELAY

desc: VANNE

1шт.

38

0576-054

BOLT;SOCKET HEXAGON

desc: BOULON A 6 PANS CREUX

3шт.

Выбрано товаров: 39