Качественные детали и логистика
Оригинальные и аналоговые запчасти с доставкой по России, Казахстану и Беларуси
©2022 PartSell ООО "Система" ИНН 2463123282 ОГРН 1212400004838
Центральный офис: г. Красноярск, Академика Киренского, д.87, пом.4
Телефон: 8 (800) 777-65-74 Email: zakaz@partsell.ru
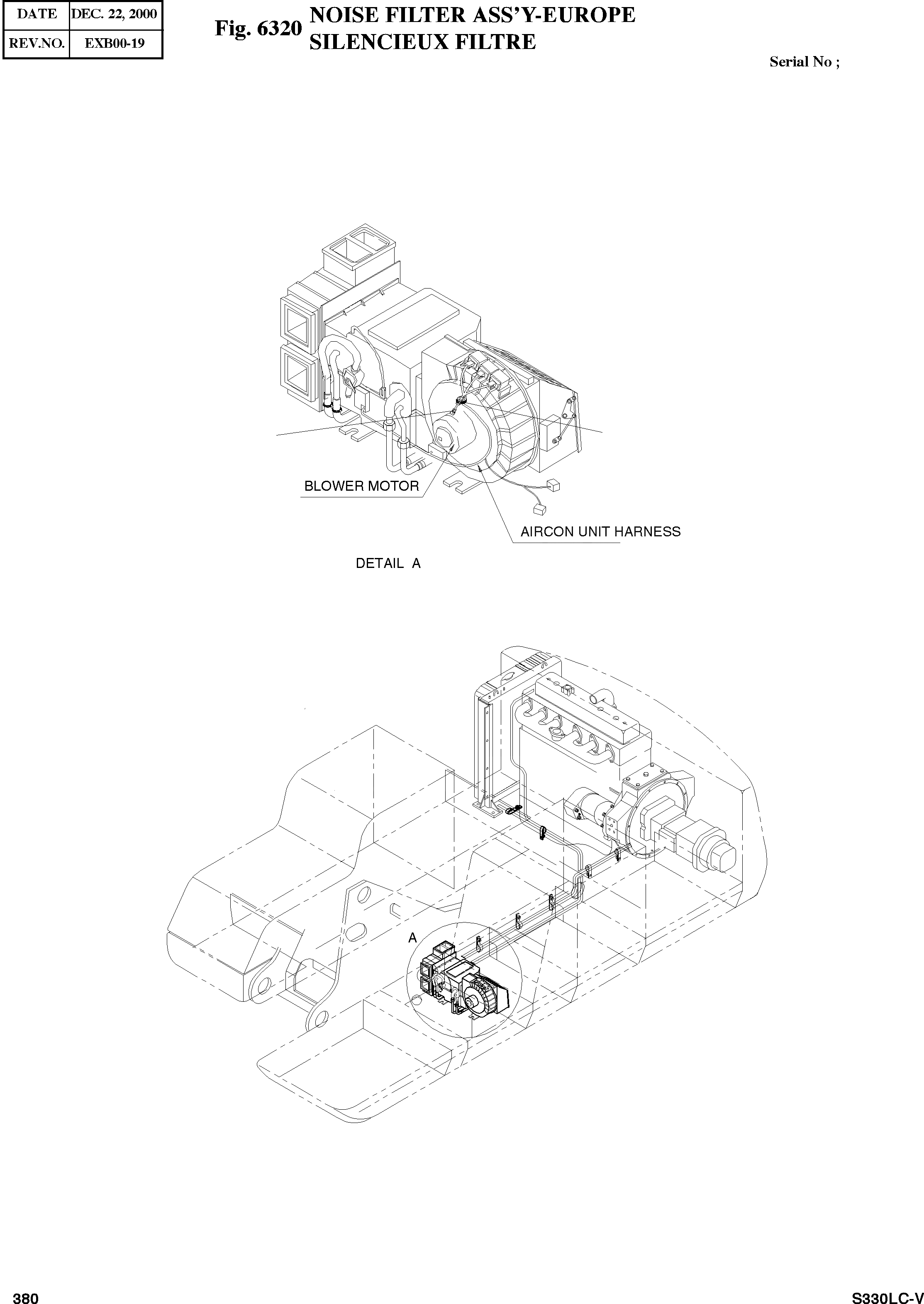
NOISE FILTER ASSY-EUROPE
№
Артикул
Название
Примечание
Количество
-
2471-1159
FILTER ASS'Y-EUROPE
SERIAL: 1024
1шт.
1
2471-6062
FILTER;NOISE(BLOWER)
desc: FILTRE
2
2124-1622D2
CLIP;BAND 200L
desc: ATTACHE
3шт.
Выбрано товаров: 0