Запчасти Doosan Daewoo MAIN PIPING(2) BODY PARTS

43
46
16
52
57
45
22
52
56
53
56
15
44
58
53
21
43
56
52
57
52
17
56
15
52
46
14
FIT
1:1
100%

Артикул

Название

Примечание

Количество

-

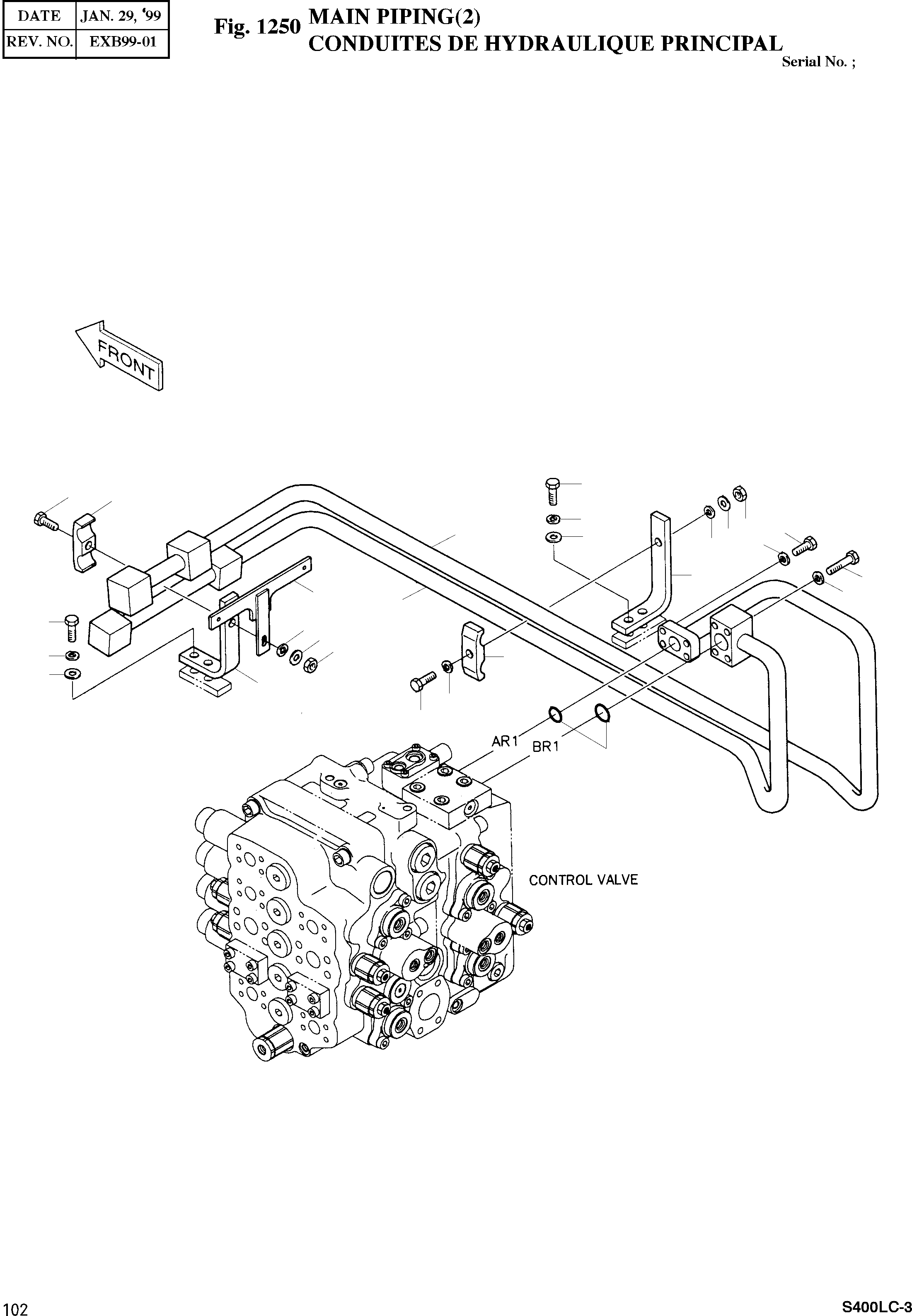
2400-1574A

MAIN PIPING

desc: CONDUITES PRINCIPALES

-2шт.

14

2180-1026D23

O-RING SAE 1 1/4"

desc: JOINT TORIQUE

2шт.

15

2191-2976

PLATE

SERIAL: 0001-0008

2шт.

15

2191-3644

PLATE

SERIAL: 0009

2шт.

15

2191-3644A

PLATE

SERIAL: 281

2шт.

16

2124-1025D5

CLAMP;PIPE

desc: ATTACHE DE TUBE

1шт.

17

2124-1525

CLAMP;PIPE

SERIAL: 0001-0008

1шт.

17

2124-1546

CLAMP;PIPE

SERIAL: 0009

1шт.

21

2183-4884

PIPE

desc: CONDUITE

1шт.

22

2183-4885

PIPE

desc: CONDUITE

1шт.

43

S0560553

BOLT M12X1.75X40

desc: BOULON A 6 PANS

4шт.

44

S2219261

BOLT;SOCKET M14X2.0X80

desc: BOULON A 6 PANS CREUX

4шт.

45

S2218661

BOLT;SOCKET M14X2.0X50

desc: BOULON A 6 PANS CREUX

4шт.

46

S0516453

BOLT M12X1.75X90

desc: BOULON A 6 PANS

2шт.

52

S5102703

WASHER;SPRING M12

desc: RONDELLE ELASTIQUE M12

6шт.

53

S5110801

WASHER;SPRING M14

desc: RONDELLE ELASTIQUE

8шт.

56

2114-1058D30

WASHER;PLAIN

desc: RONDELLE

6шт.

57

S4012733

NUT M12X1.75

desc: ECROU

2шт.

58

2195-3830

BRACKET;HORN

desc: SUPPORT

1шт.

Выбрано товаров: 19