Запчасти Doosan Daewoo OIL COOLER ENGINE PARTS

45
44
43
42
41
7
9
8
35
1
46
26
2
4
3
21
37
17
38
40
39
24
25
47
34
6
22
23
6
15
16
14
5
10
13
12
11
FIT
1:1
100%

Артикул

Название

Примечание

Количество

|$1

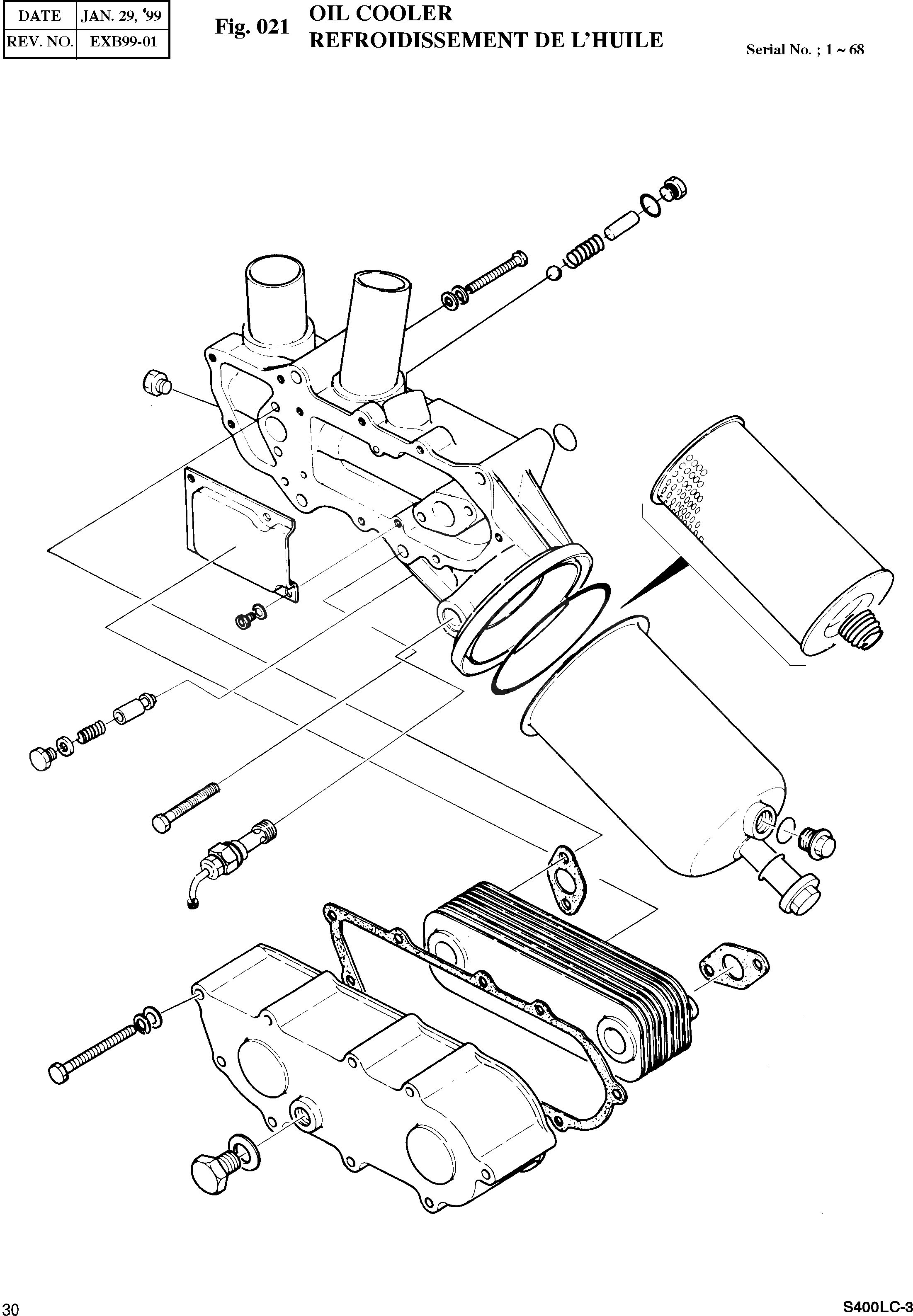
65.05500-6005

OIL COOLER/FILTER ASS'Y

SERIAL: 1-68

1шт.

1

65.05503-0028

BRACKET;COOLER/FILTER

desc: . SUPPORT

1шт.

2

65.05625-0001

BAFFLE

desc: . DEROUTTER

1шт.

3

06.02090-0307

BOLT;SOCKET HEAD M6X12

desc: . BOULON A 6 PANS

4шт.

4

06.16731-2105

WASHER;SPRING A6

desc: . RONDELLE ELASTIQUE

4шт.

5

65.05606-5021

INSERT;OIL COOLER

desc: . INSERTION

1шт.

6

65.96601-0018

GASKET

desc: . JOINT

2шт.

7

06.01013-9117

BOLT;HEX. M8X60

desc: . BOULON A 6 PANS

4шт.

8

06.15010-2311

WASHER;PLAIN A8.4

desc: . RONDELLE 8.4

4шт.

9

06.16731-2107

WASHER;SPRING A8

desc: . RONDELLE ELASTIQUE

4шт.

10

65.05902-0009

GASKET

desc: . JOINT

1шт.

11

65.05605-0023

COVER;OIL COOLER

desc: . COUVERCLE

1шт.

12

65.90310-0124

SCREW;PLUG M18X1.5

desc: . VIS

1шт.

13

06.56190-0713

RING;SEAL A18X24

desc: . BAGUE D'ETANCHEITE

1шт.

14

06.01013-9124

BOLT;HEX. M8X95

desc: . BOULON A 6 PANS

9шт.

15

06.15010-2311

WASHER;PLAIN A8.4

desc: . RONDELLE 8.4

9шт.

16

06.16731-2107

WASHER;SPRING A8

desc: . RONDELLE ELASTIQUE

9шт.

17

06.56010-0724

O-RING

desc: . JOINT TORIQUE

1шт.

21

65.05502-5003

HOUSING;FILTER

desc: . BOITIER DE FILTRE A GAZOLE

1шт.

22

06.56010-0503

O-RING P24

desc: . JOINT TORIQUE

1шт.

23

65.05507-0007

BOLT;CENTER

desc: . BOULON A 6 PANS

1шт.

24

06.56190-0718

RING;SEAL

desc: . BAGUE D'ETANCHEITE

1шт.

25

65.90310-5008

SCREW;PLUG

desc: . VIS

1шт.

26

65.05504-5021

ELEMENT;FILTER

desc: . ELEMENT

1шт.

34

65.05560-6005

VALVE;OVER FLOW

desc: . CLAPET DE TROP-PLEIN

1шт.

35

06.08020-7206

SCREW;PLUG PT3/4

desc: . VIS

1шт.

37

65.05518-0003

VALVE;PLUNGER

desc: . CLAPET

1шт.

38

65.97601-0065

SPRING

desc: . RESSORT

1шт.

39

65.90310-0057

SCREW;PLUG

desc: . VIS

1шт.

40

06.56190-0715

RING;SEAL A20X26

desc: . BAGUE D'ETANCHEITE

1шт.

41

06.31641-0429

BALL

desc: . BILLE

1шт.

42

65.97601-0004

SPRING

desc: . RESSORT

1шт.

43

06.22230-1214

PIN

desc: . GOUPILLE

2шт.

44

06.56190-0728

RING;SEAL

desc: . BAGUE D'ETANCHEITE

1шт.

45

65.90310-0034

SCREW;PLUG

desc: . VIS

1шт.

46

06.56010-0503

O-RING P24

desc: JOINT TORIQUE

1шт.

46

65.96501-0060

O-RING P24

desc: JOINT TORIQUE

1шт.

46

06.56010-0508

O-RING P29

desc: JOINT TORIQUE

2шт.

46

65.96501-0061

O-RING P29

desc: JOINT TORIQUE

2шт.

47

06.01913-3331

BOLT;HEX. M12X1.5X100

desc: BOULON A 6 PANS

4шт.

Выбрано товаров: 40