Запчасти Doosan Daewoo INTAKE MANIFOLD ENGINE PARTS

14
16
15
17
11
13
5
7
12
8
10
13
18
19
4
20
7
9
21
21
20
19
3
1
6
2
7
8
FIT
1:1
100%

Артикул

Название

Примечание

Количество

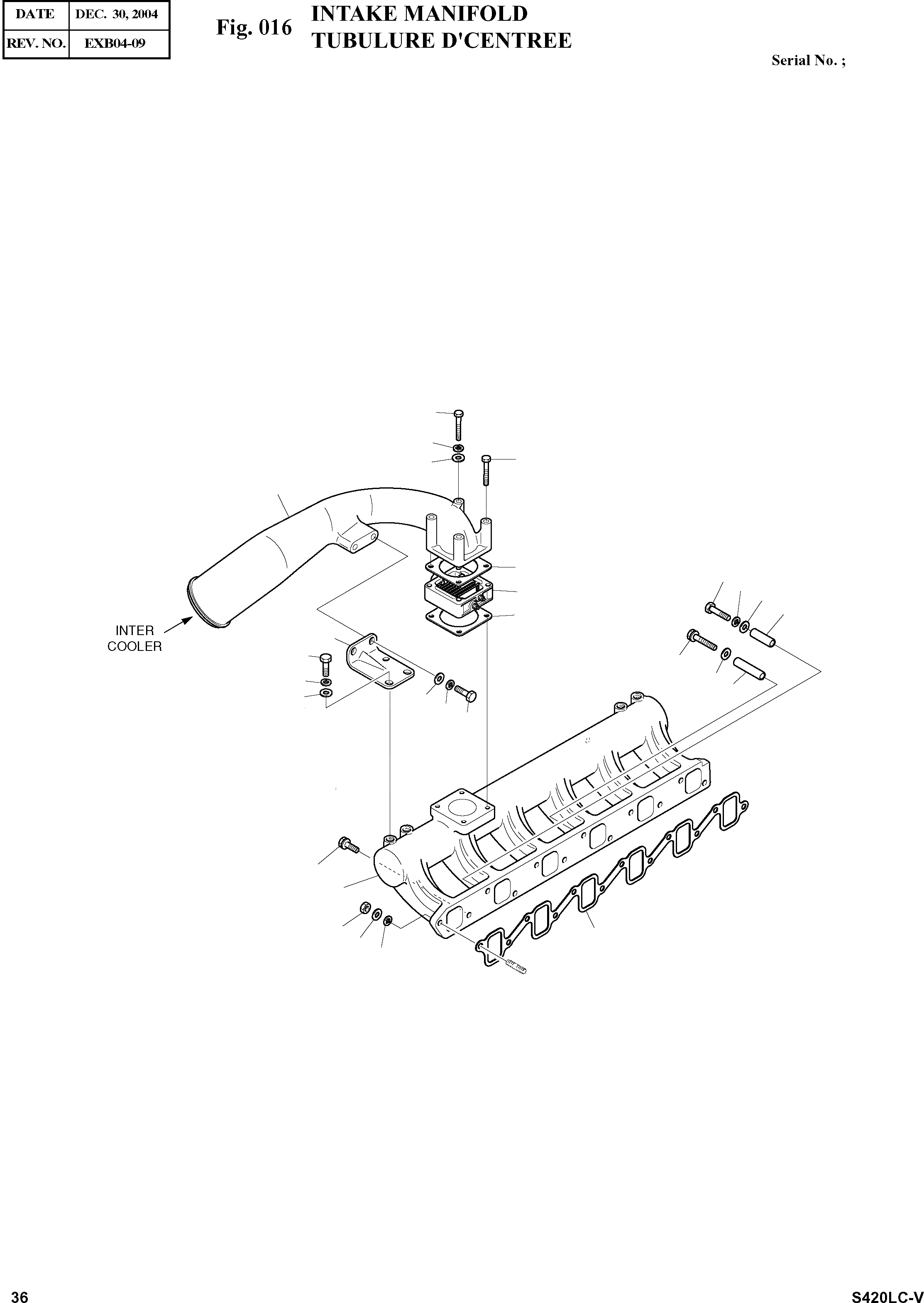
1

65.08201-5057

MANIFOLD;INTAKE

desc: TUBULURE ET COLLECTEUR

1шт.

2

65.08902-0025

GASKET;INTAKE MANIFOLD

desc: JOINT

1шт.

3

06.01923-3218

BOLT ASS'Y M10X35

desc: BOULON A 6 PANS

8шт.

4

06.01913-3234

BOLT ASS'Y M10X130

desc: BOULON A 6 PANS

1шт.

5

06.01013-9221

BOLT;HEX M10X80

desc: BOULON A 6 PANS

1шт.

6

06.11063-8215

NUT;HEX M10

desc: ECROU

2шт.

7

06.16731-2108

WASHER;SPRING

desc: RONDELLE ELASTIQUE

3шт.

8

06.15010-2312

WASHER;PLAIN

desc: RONDELLE

4шт.

9

65.91701-0470

SPACER(92mm)

desc: BAGUE D'ECARTEMENT

1шт.

10

65.91701-0533

SPACER(44mm)

desc: BAGUE D'ECARTEMENT

1шт.

11

65.08202-5059A

STAKE;INTAKE

desc: PIEU

1шт.

12

65.26803-7028

HEATER;AIR

SERIAL: 040128

1шт.

12

65.26803-7028A

HEATER;AIR

SERIAL: 041213

1шт.

12

65.26803-7028B

HEATER;AIR

SERIAL: 041214

1шт.

13

65.09904-0008

GASKET;AIR PIPE

desc: ELEMENT FILTRE

2шт.

14

06.01013-9128

BOLT;HEX. M8X130

desc: BOULON A 6PANS

2шт.

15

06.01013-9127

BOLT;HEX. M8X120

desc: BOULON A 6PANS

2шт.

16

06.16731-2107

WASHER;SPRING

desc: RONDELLE ELASTIQUE

4шт.

17

06.15010-2311

WASHER

desc: RONDELLE

4шт.

18

65.08240-0026

BRACKET;INTAKE STAKE

desc: SUPPORT

1шт.

19

06.01733-4309

BOLT;HEX. M12X1.5X25

desc: BOULON A 6PANS

4шт.

20

06.16731-2109

WASHER;SPRING

desc: RONDELLE ELASTIQUE

4шт.

21

06.15010-2313

WASHER;PLAIN

desc: RONDELLE

4шт.

Выбрано товаров: 23